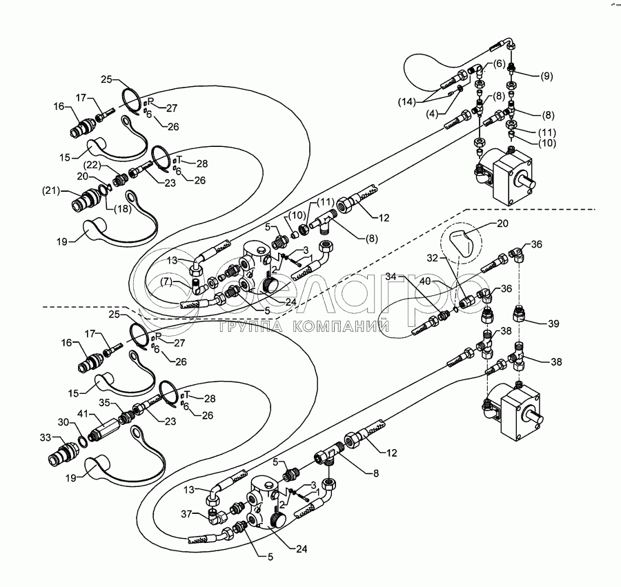
Каталог запасных частей к технике: Lemken Solitair 9/450K. Hydraulic assembly fan Solitair 2L V+R

zoom-in zoom-out enlarge shrink circle-right circle-left file-text2 info cart arraw right arraw left zoom out zoom in arraw maximize arraw minimize
1
1
2
2
3
3
4
5
5
5
5
6
7
8
8
8
8
9
10
10
11
11
12
12
13
13
14
15
15
16
16
17
17
18
19
19
20
20
21
22
23
23
24
24
25
25
26
26
26
26
27
27
28
28
30
32
33
34
35
36
36
37
38
38
39
40
41
1
301 6061
Allen screw
В узле: 2
2
303 0931
Selflocking nut
В узле: 2
3
305 8571
Washer
В узле: 2
4
375 2350
Washer
В узле: 1
5
375 4032
Nipple
В узле: 3
6
375 4500
Adjustable angle union
В узле: 1
7
375 4502
Adjustable angle union
В узле: 1
8
375 4552
L-adjustable T-union
В узле: 3
9
375 4652
Reduction joint
В узле: 2
10
375 5122
Cutting ring with seal
В узле: 6
11
375 5320
Union nut
В узле: 6
12
475 2682
High-pressure hose
В узле: 1
13
475 2683
High-pressure hose
В узле: 1
14
475 3003
High-pressure hose
В узле: 1
15
375 2123
Cap
В узле: 1
16
375 2736
SVK-socket
В узле: 1
17
475 2684
High-pressure hose
В узле: 1
18
375 2091
Copper washer
В узле: 1
19
375 2124
Cap, white
В узле: 1
20
375 2494
Restrictor washer
В узле: 1
21
375 2717
SVK-socket
В узле: 1
22
375 4028
Nipple
В узле: 1
23
475 2685
High-pressure hose
В узле: 1
24
575 2001
Control valve
В узле: 1
25
325 1350
Strap
В узле: 2
26
325 1506
EASY-READ sign
В узле: 2
27
325 1511
EASY-READ sign
В узле: 1
28
325 1512
EASY-READ sign
В узле: 1
30
375 2155
Copper washer
В узле: 1
32
375 2205
Connection
В узле: 1
33
375 2752
SVK-socket
В узле: 1
34
375 3983
Nipple
В узле: 1
35
375 4040
Nipple
В узле: 1
36
375 4501
Adjustable angle union
В узле: 2
37
375 4503
Adjustable angle union
В узле: 1
38
375 4553
L-adjustable T-union
В узле: 3
39
375 4653
Reduction joint
В узле: 2
40
475 3008
High-pressure hose
В узле: 1
41
575 2103
Nonreturn valve
В узле: 1
Содержащиеся в справочниках-каталогах запасные части и детали не предлагаются к продаже, а носят исключительно информационный характер

Ваша заявка была отправлена. В ближайшее время наши специалисты с Вами свяжутся по указанному Вами телефону.

Представьтесь
Поле обязательно для заполнения
Ваш телефон
Введите правильный номер телефона
E-mail
Введите правильный e-mail
Тема
Тема
применяемость финансирование доставка цена, наличие другое сервис и гарантия
Время для звонка
08:00
08:00 09:00 10:00 11:00 12:00 13:00 14:00 15:00 16:00 17:00 18:00 19:00
19:00
08:00 09:00 10:00 11:00 12:00 13:00 14:00 15:00 16:00 17:00 18:00 19:00

Мы постараемся перезвонить в указанное время

Если вы не хотите ждать, то звоните нашим вежливым консультантам:

8 800 100-2-700
Подтвердите, что вы не робот
Подтвердите, что вы не робот
Спасибо!

Ваше сообщение успешно отправлено!

ЗакрытьПовторить попытку