Каталог запасных частей к технике: Lemken Solitair 9/500K. Single disc coulter, long D325 LI

zoom-in zoom-out enlarge shrink circle-right circle-left file-text2 info cart arraw right arraw left zoom out zoom in arraw maximize arraw minimize
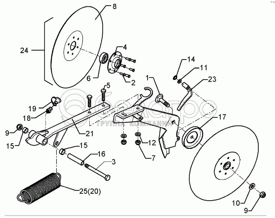
1
2
3
4
5
6
7
8
9
9
10
11
12
14
15
15
16
17
18
19
20
21
22
23
24
25
1
301 1816
Bolt, cup square head
В узле: 1
2
315 8008
Rivet
В узле: 6
3
301 3470
Bolt
В узле: 1
4
319 1126
Bearing housing
В узле: 1
5
301 7308
Screw
В узле: 2
6
319 8563
Bearing
В узле: 1
7
303 0933
Selflocking nut
В узле: 2
8
349 0009
Hollow disc
В узле: 1
9
303 0934
Selflocking nut
В узле: 2
10
305 8578
Washer
В узле: 1
11
305 8694
Washer
В узле: 1
12
305 8696
Washer
В узле: 2
14
305 8844
Washer
В узле: 1
15
317 3299
Bush
В узле: 2
16
317 5264
Bush
В узле: 1
17
319 1130
Cap
В узле: 1
18
323 6345
Grease nipple
В узле: 1
19
323 6401
Cap
В узле: 1
20
329 8517
Spring
В узле: 1
21
481 6041
Flat steel
В узле: 1
22
481 8030
Disc holder
В узле: 1
23
481 8538
Flap
В узле: 1
24
582 2603
Hollow disc
В узле: 1
25
329 8522
Spring
В узле: 1
Содержащиеся в справочниках-каталогах запасные части и детали не предлагаются к продаже, а носят исключительно информационный характер

Ваша заявка была отправлена. В ближайшее время наши специалисты с Вами свяжутся по указанному Вами телефону.

Представьтесь
Поле обязательно для заполнения
Ваш телефон
Введите правильный номер телефона
E-mail
Введите правильный e-mail
Тема
Тема
применяемость финансирование доставка цена, наличие другое сервис и гарантия
Время для звонка
08:00
08:00 09:00 10:00 11:00 12:00 13:00 14:00 15:00 16:00 17:00 18:00 19:00
19:00
08:00 09:00 10:00 11:00 12:00 13:00 14:00 15:00 16:00 17:00 18:00 19:00

Мы постараемся перезвонить в указанное время

Если вы не хотите ждать, то звоните нашим вежливым консультантам:

8 800 100-2-700
Подтвердите, что вы не робот
Подтвердите, что вы не робот
Спасибо!

Ваше сообщение успешно отправлено!

ЗакрытьПовторить попытку