Каталог запасных частей к технике: Lemken System-Kompaktor K450. Trip device 40x15x450 - GFS U

zoom-in zoom-out enlarge shrink circle-right circle-left file-text2 info cart arraw right arraw left zoom out zoom in arraw maximize arraw minimize
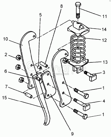
1
1
2
3
4
5
6
7
8
9
10
11
12
13
14
15
1
301 3422
Bolt
В узле: 2
2
303 0934
Selflocking nut
В узле: 4
3
313 1204
Pin with stop
В узле: 1
4
313 1208
Pin with stop
В узле: 1
5
317 3301
Expansion bush
В узле: 1
6
317 3303
Expansion bush
В узле: 1
7
317 6828
Tube
В узле: 1
8
317 6829
Tube
В узле: 1
9
427 5645
Intermediate plate
В узле: 1
10
427 5650
Carrier plate
В узле: 2
11
301 3555
Bolt
В узле: 1
12
329 8468
Spring
В узле: 1
13
427 8280
Guiding
В узле: 1
14
427 8282
Bearing
В узле: 1
15
465 3903
Tine
В узле: 1
Содержащиеся в справочниках-каталогах запасные части и детали не предлагаются к продаже, а носят исключительно информационный характер

Ваша заявка была отправлена. В ближайшее время наши специалисты с Вами свяжутся по указанному Вами телефону.

Представьтесь
Поле обязательно для заполнения
Ваш телефон
Введите правильный номер телефона
E-mail
Введите правильный e-mail
Тема
Тема
применяемость финансирование доставка цена, наличие другое сервис и гарантия
Время для звонка
08:00
08:00 09:00 10:00 11:00 12:00 13:00 14:00 15:00 16:00 17:00 18:00 19:00
19:00
08:00 09:00 10:00 11:00 12:00 13:00 14:00 15:00 16:00 17:00 18:00 19:00

Мы постараемся перезвонить в указанное время

Если вы не хотите ждать, то звоните нашим вежливым консультантам:

8 800 100-2-700
Подтвердите, что вы не робот
Подтвердите, что вы не робот
Спасибо!

Ваше сообщение успешно отправлено!

ЗакрытьПовторить попытку