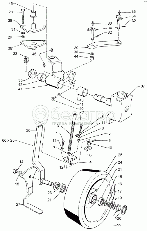
Каталог запасных частей к технике: Lemken Vari-Opal 100. 648 7698 Depth wheel, lateral

zoom-in zoom-out enlarge shrink circle-right circle-left file-text2 info cart arraw right arraw left zoom out zoom in arraw maximize arraw minimize
1
2
3
4
6
6
7
8
8
9
10
11
12
13
14
15
16
17
18
19
20
21
21
22
23
24
25
26
27
28
29
30
31
32
32
33
34
34
35
36
36
37
38
38
39
40
41
42
43
44
45
47
1
301 7380
Screw
В узле: 2
2
301 7285
Screw
В узле: 1
3
302 7924
Screw
В узле: 1
4
303 0932
Selflocking nut
В узле: 1
5
303 1011
Nut
В узле: 2
6
303 8644
Nut for screw
В узле: 1
7
305 6012
Washer
В узле: 1
8
305 8694
Washer
В узле: 2
9
309 6940
Expansion bush
В узле: 1
10
317 6896
Tube
В узле: 1
11
329 8616
Clamp
В узле: 1
12
449 1133
Holder
В узле: 1
13
305 6141
Washer
В узле: 2
14
301 6427
Hexagon bolt
В узле: 1
15
305 2070
Shim
В узле: 1
16
305 2071
Shim
В узле: 1
17
305 2072
Shim
В узле: 1
18
305 6276
Washer
В узле: 1
19
305 8872
Securing ring
В узле: 1
20
305 8938
Securing ring
В узле: 1
21
319 8602
Bearing
В узле: 2
22
323 0365
Cap
В узле: 1
23
323 1601
Washer
В узле: 1
24
323 6345
Grease nipple
В узле: 1
25
447 8747
Wheel
В узле: 1
26
448 2500
Wheel stalk
В узле: 1
27
449 1634
Tine
В узле: 1
28
301 3628
Hexagon bolt
В узле: 3
29
303 0992
Hexagon nut
В узле: 3
30
305 6273
Washer
В узле: 4
31
305 9886
Spring ring
В узле: 3
32
309 6054
Expansion bush
В узле: 2
33
311 9302
Securing pin
В узле: 1
34
313 8054
Pin with stop
В узле: 2
35
317 6901
Ring
В узле: 1
36
323 6348
Grease nipple
В узле: 2
37
448 9402
Stalk guiding
В узле: 1
38
449 1995
Bearing plate
В узле: 2
39
459 1138
Clamp plate
В узле: 2
40
301 5141
Hexagon bolt
В узле: 2
41
303 0978
Nut
В узле: 2
42
317 2005
Expansion bush
В узле: 1
43
317 2015
Expansion bush
В узле: 1
44
317 3408
Expansion bush
В узле: 2
45
317 9310
Flange bushing
В узле: 2
47
448 7302
Wheel bracket
В узле: 1
Содержащиеся в справочниках-каталогах запасные части и детали не предлагаются к продаже, а носят исключительно информационный характер

Ваша заявка была отправлена. В ближайшее время наши специалисты с Вами свяжутся по указанному Вами телефону.

Представьтесь
Поле обязательно для заполнения
Ваш телефон
Введите правильный номер телефона
E-mail
Введите правильный e-mail
Тема
Тема
применяемость финансирование доставка цена, наличие другое сервис и гарантия
Время для звонка
08:00
08:00 09:00 10:00 11:00 12:00 13:00 14:00 15:00 16:00 17:00 18:00 19:00
19:00
08:00 09:00 10:00 11:00 12:00 13:00 14:00 15:00 16:00 17:00 18:00 19:00

Мы постараемся перезвонить в указанное время

Если вы не хотите ждать, то звоните нашим вежливым консультантам:

8 800 100-2-700
Подтвердите, что вы не робот
Подтвердите, что вы не робот
Спасибо!

Ваше сообщение успешно отправлено!

ЗакрытьПовторить попытку