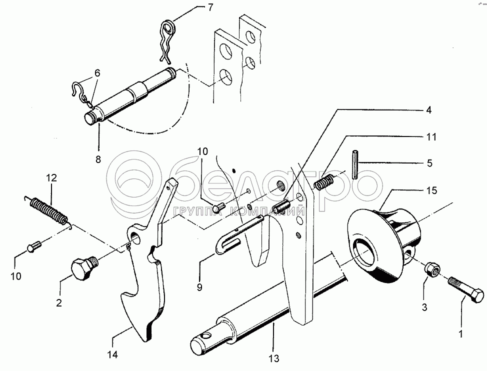
Каталог запасных частей к технике: Lemken Vari-Opal 100X. 661 2000 Three point connection

zoom-in zoom-out enlarge shrink circle-right circle-left file-text2 info cart arraw right arraw left zoom out zoom in arraw maximize arraw minimize
1
2
3
4
5
6
7
8
9
10
10
11
12
13
14
15
1
301 3868
Bolt
В узле: 4
2
301 6425
Bolt
В узле: 2
3
303 0935
Selflocking nut
В узле: 4
4
305 8560
Securing clip with chain
В узле: 1
5
309 3337
Expansion bush
В узле: 2
6
309 6038
Expansion bush
В узле: 4
7
311 8610
Spring pin
В узле: 1
8
313 7900
Top link pin
В узле: 1
9
313 8645
Pin
В узле: 2
10
315 9710
Rivet
В узле: 4
11
329 8106
Spring
В узле: 2
12
329 8495
Spring
В узле: 2
13
461 7917
Drawbar
В узле: 1
14
461 8180
Hook
В узле: 2
15
461 9890
Stop
В узле: 2
Содержащиеся в справочниках-каталогах запасные части и детали не предлагаются к продаже, а носят исключительно информационный характер

Ваша заявка была отправлена. В ближайшее время наши специалисты с Вами свяжутся по указанному Вами телефону.

Представьтесь
Поле обязательно для заполнения
Ваш телефон
Введите правильный номер телефона
E-mail
Введите правильный e-mail
Тема
Тема
применяемость финансирование доставка цена, наличие другое сервис и гарантия
Время для звонка
08:00
08:00 09:00 10:00 11:00 12:00 13:00 14:00 15:00 16:00 17:00 18:00 19:00
19:00
08:00 09:00 10:00 11:00 12:00 13:00 14:00 15:00 16:00 17:00 18:00 19:00

Мы постараемся перезвонить в указанное время

Если вы не хотите ждать, то звоните нашим вежливым консультантам:

8 800 100-2-700
Подтвердите, что вы не робот
Подтвердите, что вы не робот
Спасибо!

Ваше сообщение успешно отправлено!

ЗакрытьПовторить попытку