Каталог запасных частей к технике: Lemken Vari-Titan 10. HY-assembly control valve Titan L6S

zoom-in zoom-out enlarge shrink circle-right circle-left file-text2 info cart arraw right arraw left zoom out zoom in arraw maximize arraw minimize
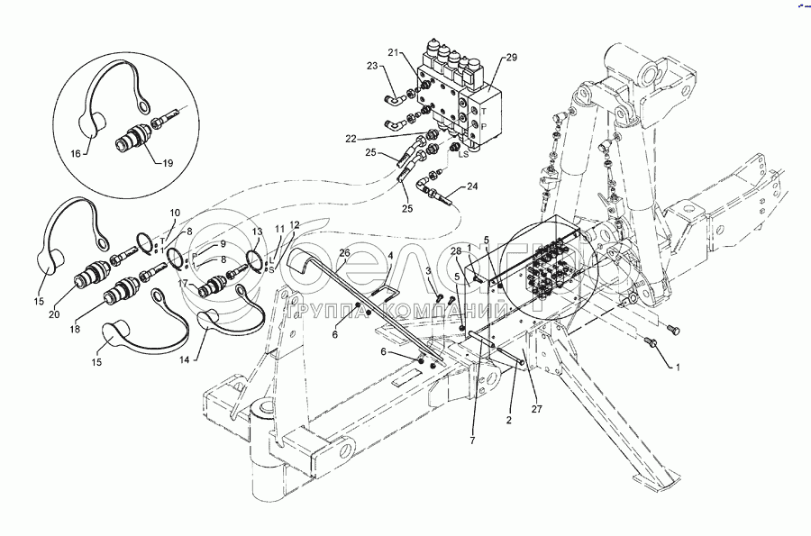
1
1
2
3
4
5
5
6
6
7
8
8
9
10
11
12
13
14
15
15
16
17
18
19
20
21
22
23
24
25
25
26
27
28
29
1
301 3066
Screw
В узле: 6
2
301 3089
Bolt
В узле: 2
3
301 7334
Screw
В узле: 2
4
301 7791
U-bolt
В узле: 3
5
303 0932
Selflocking nut
В узле: 4
6
303 0934
Selflocking nut
В узле: 8
7
317 6645
Tube
В узле: 2
8
325 1501
EASY-READ sign
В узле: 2
9
325 1511
EASY-READ sign
В узле: 1
10
325 1512
EASY-READ sign
В узле: 1
11
325 1513
EASY-READ sign
В узле: 1
12
325 1514
EASY-READ sign
В узле: 1
13
325 1350
Strap
В узле: 3
14
375 2164
Cap
В узле: 1
15
375 2166
Cap, red
В узле: 2
16
375 2168
Cap
В узле: 1
17
375 2716
SVK-socket
В узле: 1
18
375 2720
SVK-socket
В узле: 1
19
375 2719
SVK-socket
В узле: 1
20
375 2736
SVK-socket
В узле: 1
21
375 4009
Nipple
В узле: 6
22
375 4032
Nipple
В узле: 2
23
375 4500
Adjustable angle union
В узле: 6
24
475 2637
High-pressure hose
В узле: 1
25
475 2668
High-pressure hose
В узле: 2
26
475 4367
Hose carrier
В узле: 1
27
475 7530
Basic plate
В узле: 1
28
475 7531
Guard
В узле: 1
29
575 2194
Control valve
В узле: 1
Содержащиеся в справочниках-каталогах запасные части и детали не предлагаются к продаже, а носят исключительно информационный характер

Ваша заявка была отправлена. В ближайшее время наши специалисты с Вами свяжутся по указанному Вами телефону.

Представьтесь
Поле обязательно для заполнения
Ваш телефон
Введите правильный номер телефона
E-mail
Введите правильный e-mail
Тема
Тема
применяемость финансирование доставка цена, наличие другое сервис и гарантия
Время для звонка
08:00
08:00 09:00 10:00 11:00 12:00 13:00 14:00 15:00 16:00 17:00 18:00 19:00
19:00
08:00 09:00 10:00 11:00 12:00 13:00 14:00 15:00 16:00 17:00 18:00 19:00

Мы постараемся перезвонить в указанное время

Если вы не хотите ждать, то звоните нашим вежливым консультантам:

8 800 100-2-700
Подтвердите, что вы не робот
Подтвердите, что вы не робот
Спасибо!

Ваше сообщение успешно отправлено!

ЗакрытьПовторить попытку