Каталог запасных частей к технике: Lemken Variopack 110DP90. Push-linkage device KAT2/Z2

zoom-in zoom-out enlarge shrink circle-right circle-left file-text2 info cart arraw right arraw left zoom out zoom in arraw maximize arraw minimize
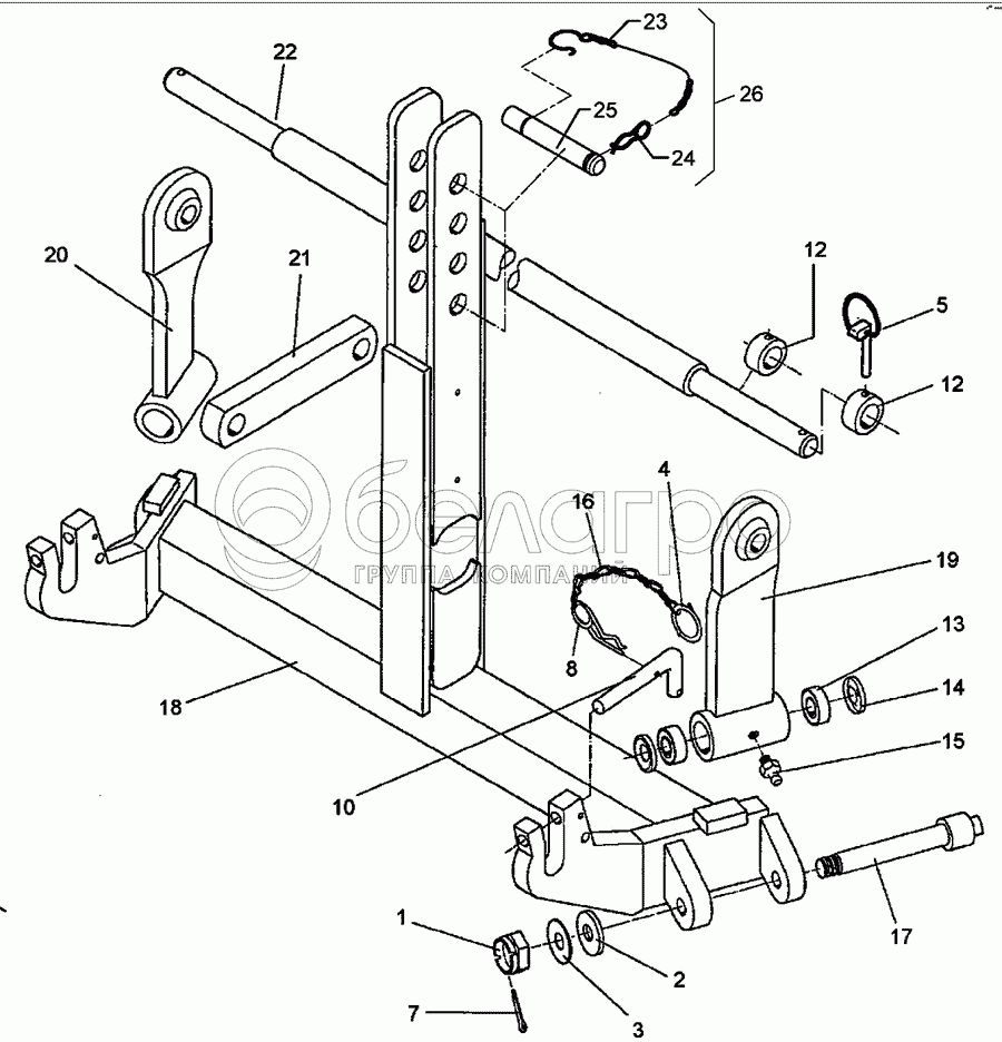
1
2
3
4
5
7
8
10
12
12
13
14
15
16
17
18
19
20
21
22
23
24
25
26
1
303 0192
Castle nut
В узле: 2
2
305 6256
Washer
В узле: 2
3
305 6257
Washer
В узле: 4
4
305 8551
Securing clip
В узле: 2
5
311 9302
Securing pin
В узле: 2
7
311 7634
Peg
В узле: 2
8
311 8605
Spring pin
В узле: 2
10
313 8141
Locking pin
В узле: 2
12
317 6858
Tube
В узле: 4
13
319 9209
Bearing
В узле: 4
14
323 1820
Nilos ring
В узле: 4
15
323 6348
Grease nipple
В узле: 2
16
331 6130
Chain
В узле: 2
17
440 7490
Axle
В узле: 2
18
440 7500
Headstock
В узле: 1
19
440 7501
Link
В узле: 1
20
440 7502
Link
В узле: 1
21
440 7503
Link
В узле: 1
22
461 7872
Drawbar
В узле: 1
23
305 8560
Securing clip with chain
В узле: 1
24
311 8610
Spring pin
В узле: 1
25
313 7812
Top link pin
В узле: 1
26
313 7880
Top link pin, cpl.
В узле: 2
Содержащиеся в справочниках-каталогах запасные части и детали не предлагаются к продаже, а носят исключительно информационный характер

Ваша заявка была отправлена. В ближайшее время наши специалисты с Вами свяжутся по указанному Вами телефону.

Представьтесь
Поле обязательно для заполнения
Ваш телефон
Введите правильный номер телефона
E-mail
Введите правильный e-mail
Тема
Тема
применяемость финансирование доставка цена, наличие другое сервис и гарантия
Время для звонка
08:00
08:00 09:00 10:00 11:00 12:00 13:00 14:00 15:00 16:00 17:00 18:00 19:00
19:00
08:00 09:00 10:00 11:00 12:00 13:00 14:00 15:00 16:00 17:00 18:00 19:00

Мы постараемся перезвонить в указанное время

Если вы не хотите ждать, то звоните нашим вежливым консультантам:

8 800 100-2-700
Подтвердите, что вы не робот
Подтвердите, что вы не робот
Спасибо!

Ваше сообщение успешно отправлено!

ЗакрытьПовторить попытку