Каталог запасных частей к технике: Lemken Zirkon 10/400K. Gear box Zirkon 10/400-600 K

zoom-in zoom-out enlarge shrink circle-right circle-left file-text2 info cart arraw right arraw left zoom out zoom in arraw maximize arraw minimize
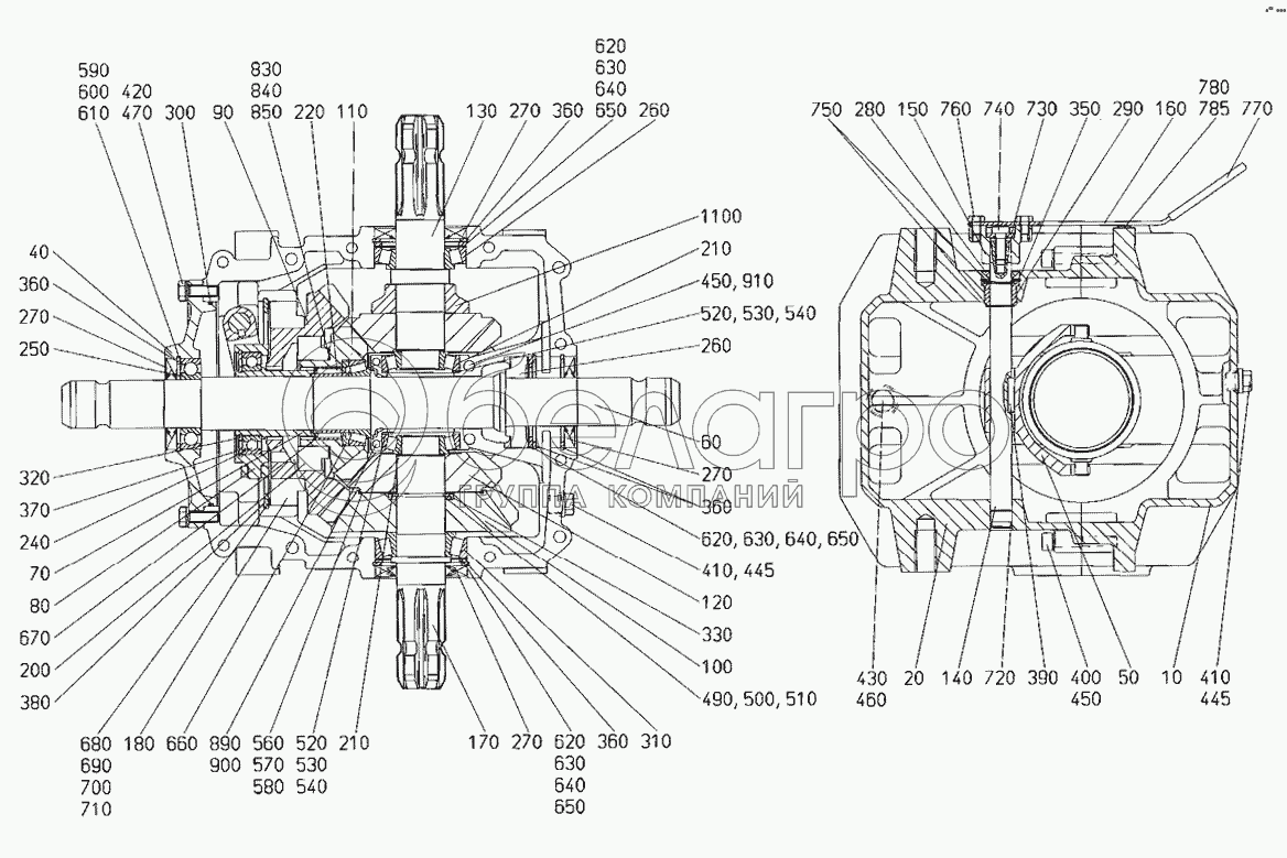
10
40
50
60
70
80
80
90
100
110
120
140
150
160
170
180
200
210
220
220
240
250
260
260
270
270
270
270
280
290
300
310
320
330
350
360
360
360
360
380
390
400
410
410
420
430
445
445
450
450
460
470
490
500
510
520
520
530
530
540
540
560
570
580
590
600
610
620
620
620
630
630
630
640
640
640
650
650
650
660
670
680
690
700
710
720
730
740
750
760
770
780
785
830
840
850
890
900
910
10
455 9537
Gear box cpl.
В узле: ---
40
455 9536
Gear box flange, front
В узле: ---
50
455 5506
Switch lever
В узле: ---
60
455 0618
Transmission shaft
В узле: ---
70
455 5502
Switch element
В узле: ---
80
455 0619
Driven shaft
В узле: ---
90
455 1918
Bevel gear wheel
В узле: ---
100
455 1920
Bevel gear wheel
В узле: ---
110
455 1917
Bevel gear wheel
В узле: ---
120
455 1921
Bevel gear wheel
В узле: ---
140
455 0616
Selector shaft
В узле: ---
150
455 0617
Flange
В узле: ---
160
455 5501
Shift-fork
В узле: ---
170
455 0620
Driven shaft
В узле: ---
180
319 9161
Bearing
В узле: ---
200
319 9162
Bearing
В узле: ---
210
319 9015
Bearing
В узле: ---
220
319 8990
Bearing
В узле: ---
240
319 8618
Bearing
В узле: ---
250
319 8610
Bearing
В узле: ---
260
319 9151
Bearing
В узле: ---
270
323 8202
Oil seal
В узле: ---
280
323 8187
Oil seal
В узле: ---
290
317 7839
Bush
В узле: ---
300
375 1319
O-ring
В узле: ---
310
319 9164
Bearing
В узле: ---
320
305 8882
Securing ring
В узле: 1
330
305 8876
Securing ring
В узле: 1
350
305 8894
Securing ring
В узле: 1
360
305 8941
Securing ring
В узле: 5
370
305 8943
Securing ring
В узле: 1
380
305 8963
Securing ring
В узле: 1
390
307 1108
Adjusting spring
В узле: 1
400
301 5815
Allen screw
В узле: 12
410
301 9697
Plug
В узле: 1
420
301 3224
Screw
В узле: 6
430
301 9703
Plug
В узле: 1
440
375 2196
Vent plug
В узле: 1
443
375 2144
Copper washer
В узле: 1
445
375 2145
Copper washer
В узле: 2
450
305 9938
Spring ring
В узле: 14
460
375 2157
Copper washer
В узле: 1
470
305 9884
Spring ring
В узле: 6
490
305 2122
Shim
В узле: 1
500
305 2120
Shim
В узле: 2
510
305 2252
Supporting washer
В узле: 1
520
305 2418
Shim
В узле: 2
530
305 2417
Shim
В узле: 2
540
305 2416
Shim
В узле: 4
560
305 2207
Shim
В узле: 1
570
305 2206
Shim
В узле: 1
580
305 2205
Shim
В узле: 2
590
305 2193
Shim
В узле: 1
600
305 2192
Shim
В узле: 1
610
305 2190
Shim
В узле: 2
620
305 2403
Shim
В узле: 3
630
305 2402
Shim
В узле: 3
640
305 2401
Shim
В узле: 6
650
305 2404
Supporting washer
В узле: 3
660
317 7841
Distance bush
В узле: 1
670
305 2405
Shim
В узле: 1
680
305 2410
Shim
В узле: 1
690
305 2409
Shim
В узле: 1
700
305 2408
Shim
В узле: 2
710
305 2411
Shim
В узле: 1
720
323 0333
Cover
В узле: 1
730
305 8698
Washer
В узле: 1
740
301 5804
Allen screw
В узле: 1
750
305 8823
Securing ring
В узле: 2
760
301 3056
Screw
В узле: 2
770
321 6929
Handle
В узле: 1
780
301 6045
Allen screw
В узле: 2
785
305 8571
Washer
В узле: 4
830
305 2210
Shim
В узле: 1
840
305 2209
Shim
В узле: 1
850
305 2208
Shim
В узле: 2
860
301 9698
Plug
В узле: 1
870
877 1260
Oil
В узле: 7
890
301 6083
Allen screw
В узле: 2
900
305 9882
Spring ring
В узле: 2
910
301 5805
Allen screw
В узле: 2
Содержащиеся в справочниках-каталогах запасные части и детали не предлагаются к продаже, а носят исключительно информационный характер

Ваша заявка была отправлена. В ближайшее время наши специалисты с Вами свяжутся по указанному Вами телефону.

Представьтесь
Поле обязательно для заполнения
Ваш телефон
Введите правильный номер телефона
E-mail
Введите правильный e-mail
Тема
Тема
применяемость финансирование доставка цена, наличие другое сервис и гарантия
Время для звонка
08:00
08:00 09:00 10:00 11:00 12:00 13:00 14:00 15:00 16:00 17:00 18:00 19:00
19:00
08:00 09:00 10:00 11:00 12:00 13:00 14:00 15:00 16:00 17:00 18:00 19:00

Мы постараемся перезвонить в указанное время

Если вы не хотите ждать, то звоните нашим вежливым консультантам:

8 800 100-2-700
Подтвердите, что вы не робот
Подтвердите, что вы не робот
Спасибо!

Ваше сообщение успешно отправлено!

ЗакрытьПовторить попытку