Каталог запасных частей к технике: Lemken Zirkon 10/500KA. Miter gear Zirkon 10 K RE

zoom-in zoom-out enlarge shrink circle-right circle-left file-text2 info cart arraw right arraw left zoom out zoom in arraw maximize arraw minimize
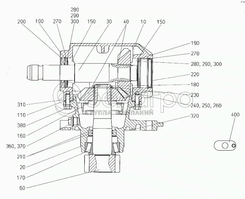
10
20
30
40
60
110
150
150
160
170
180
190
190
200
210
220
230
240
250
260
270
270
280
280
290
290
300
300
310
320
360
370
380
400
10
455 9538
Gear box
В узле: 1
20
455 9539
Gear box flange, bottom
В узле: 1
30
455 0622
Drive shaft
В узле: 1
40
455 1922
Bevel gear wheel
В узле: 2
60
455 0621
Pinion shaft
В узле: 1
100
305 2413
Shim
В узле: 2
110
305 2414
Shim
В узле: 2
150
319 9151
Bearing
В узле: 2
160
319 9167
Bearing
В узле: 1
170
319 9163
Bearing
В узле: 1
180
305 8876
Securing ring
В узле: 1
190
305 8941
Securing ring
В узле: 3
200
323 8202
Oil seal
В узле: 1
210
323 8213
Oil seal
В узле: 2
220
323 0334
Cover
В узле: 1
230
305 2252
Supporting washer
В узле: 1
240
305 2123
Shim
В узле: 1
250
305 2122
Shim
В узле: 1
260
305 2120
Shim
В узле: 2
270
305 2404
Supporting washer
В узле: 2
280
305 2403
Shim
В узле: 2
290
305 2402
Shim
В узле: 2
300
305 2401
Shim
В узле: 4
310
375 1302
O-ring
В узле: 1
320
375 1311
O-ring
В узле: 1
330
375 2211
Vent valve
В узле: 1
340
301 9693
Plug
В узле: 1
350
375 2143
Copper washer
В узле: 2
360
301 9703
Plug
В узле: 1
370
375 2157
Copper washer
В узле: 1
380
301 3335
Screw
В узле: 12
400
455 5505
Washer
В узле: 3
410
301 9692
Plug
В узле: 1
Содержащиеся в справочниках-каталогах запасные части и детали не предлагаются к продаже, а носят исключительно информационный характер

Ваша заявка была отправлена. В ближайшее время наши специалисты с Вами свяжутся по указанному Вами телефону.

Представьтесь
Поле обязательно для заполнения
Ваш телефон
Введите правильный номер телефона
E-mail
Введите правильный e-mail
Тема
Тема
применяемость финансирование доставка цена, наличие другое сервис и гарантия
Время для звонка
08:00
08:00 09:00 10:00 11:00 12:00 13:00 14:00 15:00 16:00 17:00 18:00 19:00
19:00
08:00 09:00 10:00 11:00 12:00 13:00 14:00 15:00 16:00 17:00 18:00 19:00

Мы постараемся перезвонить в указанное время

Если вы не хотите ждать, то звоните нашим вежливым консультантам:

8 800 100-2-700
Подтвердите, что вы не робот
Подтвердите, что вы не робот
Спасибо!

Ваше сообщение успешно отправлено!

ЗакрытьПовторить попытку