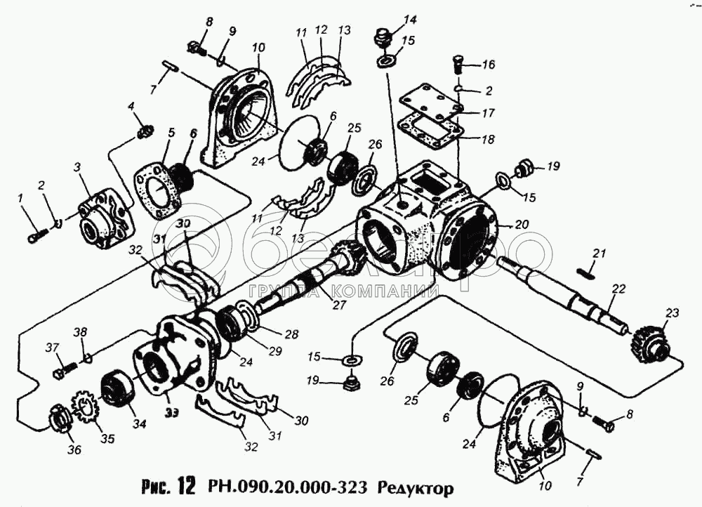
Каталог запасных частей к технике: Лидсельмаш КСТ-1,4. РН.090.20.000-323 Редуктор

zoom-in zoom-out enlarge shrink circle-right circle-left file-text2 info cart arraw right arraw left zoom out zoom in arraw maximize arraw minimize
1
2
2
3
4
5
6
6
6
7
7
8
8
9
9
10
10
11
11
12
12
13
13
14
15
15
15
16
17
18
19
19
20
21
22
23
24
24
24
25
25
26
26
27
28
29
30
30
31
31
32
32
33
34
35
36
37
38
1
М6-6gх20.66.019
Болт ГОСТ 7796-70
В узле: 4
2
6.65Г
Шайба ГССТ6402-70
В узле: 10
3
РН 090.10.103
Крышка
В узле: 1
4
Масленка 1.2.Ц6 ГОСТ 19853-74
Масленка 1.2.Ц6 ГОСТ 19853-74
В узле: 1
5
Н.090.20.001
Прокладка
В узле: 1
6
1.2-30x52
Манжета ГОСТ 8752-79
В узле: 2
7
РФ 00.00.602
Штифт
В узле: 4
8
М8-6gх25.66.013
Болт ГОСТ 7796-70
В узле: 16
9
8.65Г
Шайба ГОСТ 6402-70
В узле: 16
10
РН 090.20.105
Крышка
В узле: 2
11
Н.090.20.401
Прокладка регулировочная
В узле: 8
12
Н.090.20.402
Прокладка регулировочная
В узле: 8
13
Н.09020.403
Прокладка регулировочная
В узле: 8
14
РФ 00 03.000
Сапун
В узле: 1
15
РФ 00.00.003
Прокладка
В узле: 3
16
М6-6gх14.66.019
Болт ГОСТ 7798-70
В узле: 6
17
РН.090.20.407-01
Крышка
В узле: 1
18
Н.090.20.002
Прокладка
В узле: 1
19
РН. 00.00.603
Пробка
В узле: 2
20
РН.090.20.101
Корпус
В узле: 1
21
2-12x8x24
Шпонка ГОСТ 23360-78
В узле: 1
22
Н.090.20.605-01
Вал
В узле: 1
23
Н.090.20.601
Колесо
В узле: 1
24
104-110-36-2-1
Кольцо ГОСТ 9833-73
В узле: 3
25
7507
Подшипник ГОСТ 333-79
В узле: 2
26
РФ 00.00.404
Маслоотражатель
В узле: 2
27
Н.090.20.603-01
Вал
В узле: 1
28
РФ 00.00.405
Маслоотражатель
В узле: 1
29
2607
Подшипник ГОСТ 333-79
В узле: 1
30
Н.090.20.404
Прокладка регулировочная
В узле: 4
31
Н.090.20.405
Прокладка регулировочная
В узле: 4
32
Н090.406
Прокладка регулировочная
В узле: 4
33
РН.090.20.102
Стакан
В узле: 1
34
7807 У
Подшипник
В узле: 1
35
МВ7
Шайба ГОСТ 8725-83
В узле: 1
36
КМ7
Гайка ГОСТ 8530-83
В узле: 1
37
М10-6gх36.66.019
Болт ГОСТ 7796-70
В узле: 4
38
10.65Г
Шайба ГОСТ 6402-70
В узле: 4
Содержащиеся в справочниках-каталогах запасные части и детали не предлагаются к продаже, а носят исключительно информационный характер

Ваша заявка была отправлена. В ближайшее время наши специалисты с Вами свяжутся по указанному Вами телефону.

Представьтесь
Поле обязательно для заполнения
Ваш телефон
Введите правильный номер телефона
E-mail
Введите правильный e-mail
Тема
Тема
применяемость финансирование доставка цена, наличие другое сервис и гарантия
Время для звонка
08:00
08:00 09:00 10:00 11:00 12:00 13:00 14:00 15:00 16:00 17:00 18:00 19:00
19:00
08:00 09:00 10:00 11:00 12:00 13:00 14:00 15:00 16:00 17:00 18:00 19:00

Мы постараемся перезвонить в указанное время

Если вы не хотите ждать, то звоните нашим вежливым консультантам:

8 800 100-2-700
Подтвердите, что вы не робот
Подтвердите, что вы не робот
Спасибо!

Ваше сообщение успешно отправлено!

ЗакрытьПовторить попытку