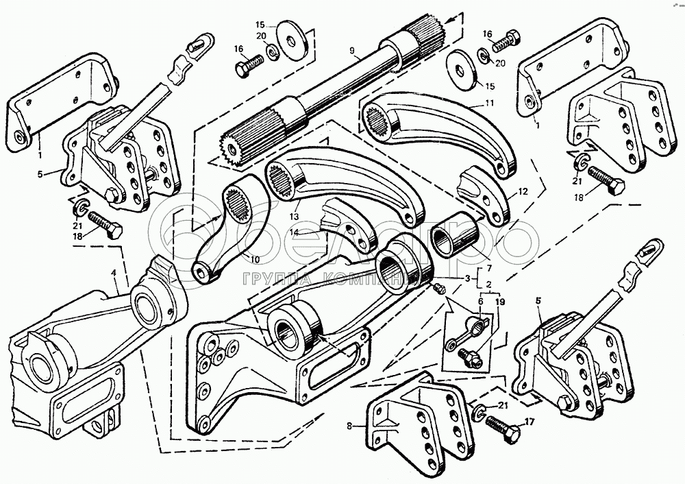
Каталог запасных частей к технике: ЛТЗ-55. Кронштейн с рычагами

zoom-in zoom-out enlarge shrink circle-right circle-left file-text2 info cart arraw right arraw left zoom out zoom in arraw maximize arraw minimize
Т40М1-4628550-02
Т40М1-4628550-03
Т40М1-4628550-04
Т40М1-4628550-01
1
1
2
3
4
5
5
6
7
8
9
10
11
12
13
14
15
15
16
16
17
18
18
19
20
20
21
21
21
Т40М1-4628550-02
Кронштейн с рычагами
В узле: 1
Т40М1-4628550-03
Кронштейн с рычагами
В узле: 1
Т40М1-4628550-04
Кронштейн с рычагами
В узле: 1
Т40М1-4628550-01
Кронштейн с рычагами
В узле: 1
1
Т40-2805120-У
Кронштейн
В узле: 1
2
Т40М-3401300
Масленка с колпачком
В узле: 2
3
Т40М1-4628520-01
Кронштейн
В узле: 1
4
Т25-4628520-У-01
Кронштейн
В узле: 1
5
Т40S1-4628810
Датчик
В узле: 1
6
Т40М-3401301
Колпачок масленки
В узле: 2
7
Т25-4628522
Втулка
В узле: 2
8
Т25-4628523-К
Кронштейн центральной тяги
В узле: 1
9
Т25-4628524-01
Вал поворотный
В узле: 1
10
Т25-4628525-Б
Кривошип
В узле: 1
11
Т25-4628526-01
Рычаг правый
В узле: 1
12
Т25-4628526-У1
Рычаг правый
В узле: 1
13
Т25-4628527-01
Рычаг левый
В узле: 1
14
Т40S1-4628527-01
Рычаг левый
В узле: 1
15
Т25-4628528-А-01
Шайба
В узле: 2
16
М12-6gх35.88.019
Болт
В узле: 2
17
М16-6gх45.88.019
Болт
В узле: 4
18
М16-6gх55.88.019
Болт
В узле: 4
19
1.3.Ц6
Масленка
В узле: 2
20
120Т65Г06
Шайба
В узле: 2
21
160Т65Г06
Шайба
В узле: 4
Содержащиеся в справочниках-каталогах запасные части и детали не предлагаются к продаже, а носят исключительно информационный характер

Ваша заявка была отправлена. В ближайшее время наши специалисты с Вами свяжутся по указанному Вами телефону.

Представьтесь
Поле обязательно для заполнения
Ваш телефон
Введите правильный номер телефона
E-mail
Введите правильный e-mail
Тема
Тема
применяемость финансирование доставка цена, наличие другое сервис и гарантия
Время для звонка
08:00
08:00 09:00 10:00 11:00 12:00 13:00 14:00 15:00 16:00 17:00 18:00 19:00
19:00
08:00 09:00 10:00 11:00 12:00 13:00 14:00 15:00 16:00 17:00 18:00 19:00

Мы постараемся перезвонить в указанное время

Если вы не хотите ждать, то звоните нашим вежливым консультантам:

8 800 100-2-700
Подтвердите, что вы не робот
Подтвердите, что вы не робот
Спасибо!

Ваше сообщение успешно отправлено!

ЗакрытьПовторить попытку