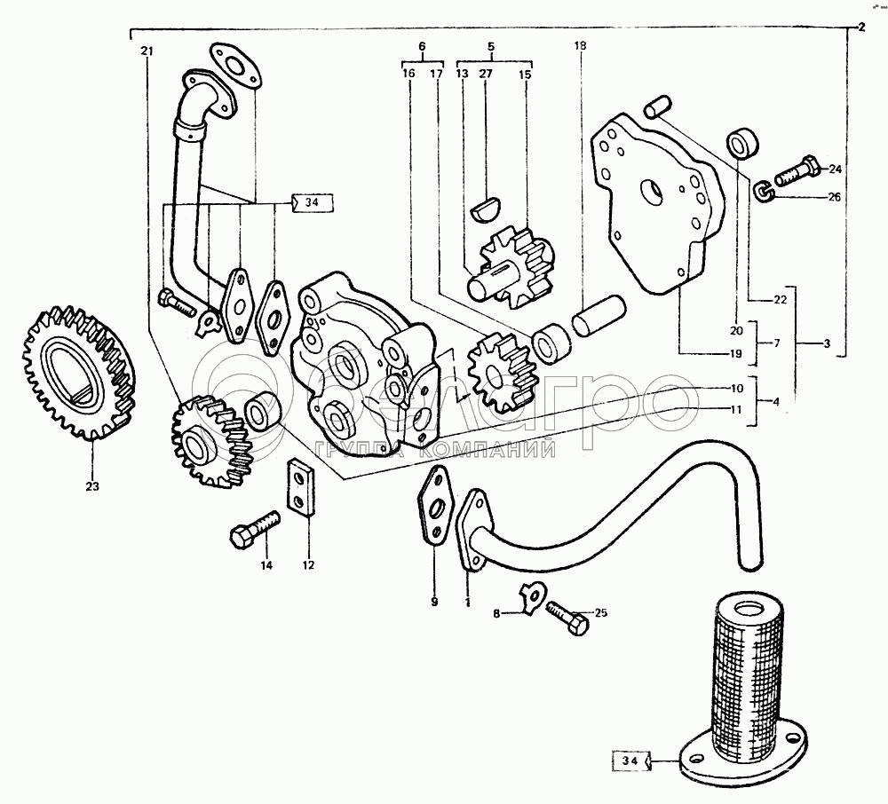
Каталог запасных частей к технике: ЛТЗ-55. Насос масляный с трубой приемника

zoom-in zoom-out enlarge shrink circle-right circle-left file-text2 info cart arraw right arraw left zoom out zoom in arraw maximize arraw minimize
Д144-1400050
1
2
3
4
5
6
7
8
9
10
11
12
13
14
15
16
17
18
19
20
21
22
23
24
25
26
27
Д144-1400050
Насос масляный с трубой приемника
В узле: 1
1
Д37М-1402050-Г
Трубка приемника
В узле: 1
2
Д144-1403010
Насос масляный
В узле: 1
3
Д37М-1403011-А1
Корпус с крышкой
В узле: 1
4
Д37М-1403020-В2
Корпус со втулкой
В узле: 1
5
Д37М-1403050-Б
Валик
В узле: 1
6
Д37М-1403110
Шестерня ведомая (z=11)
В узле: 1
7
Д37М-1403150
Крышка со втулкой
В узле: 1
8
Д37М-1002176
Шайба стопорная
В узле: 1
9
Д37М-1402183-Б
Прокладка фланца
В узле: 1
10
Д37М-1403025-Г
Корпус
В узле: 1
11
Д30-1403028-Б
Втулка корпуса
В узле: 1
12
Д37М-1403032
Пластина стопорная
В узле: 2
13
Д30-1403052-В2
Валик
В узле: 1
14
Д37М-1403056
Болт специальный
В узле: 4
15
Д37М-1403075
Шестерня ведущая (z=11)
В узле: 1
16
Д37М-1403115
Шестерня ведомая (z=11)
В узле: 1
17
Д37М-1403118
Втулка ведомой шестерни
В узле: 1
18
Д37М-1403125
Ось ведомой шестерни
В узле: 1
19
Д37М-1403155-А
Крышка
В узле: 1
20
Д37М-1403156
Втулка крышки
В узле: 1
21
Д144-1403228
Шестерня ведомая (z=18)
В узле: 1
22
Д144-1403268
Штифт установочный
В узле: 1
23
Д144-1403312
Шестерня ведущая (z=29)
В узле: 1
24
М6-6gх20.88.019
Болт
В узле: 4
25
4М8-6gх16.88.019
Болт
В узле: 2
26
6Т65Г06
Шайба
В узле: 4
27
3х5
Шпонка
В узле: 1
Содержащиеся в справочниках-каталогах запасные части и детали не предлагаются к продаже, а носят исключительно информационный характер

Ваша заявка была отправлена. В ближайшее время наши специалисты с Вами свяжутся по указанному Вами телефону.

Представьтесь
Поле обязательно для заполнения
Ваш телефон
Введите правильный номер телефона
E-mail
Введите правильный e-mail
Тема
Тема
применяемость финансирование доставка цена, наличие другое сервис и гарантия
Время для звонка
08:00
08:00 09:00 10:00 11:00 12:00 13:00 14:00 15:00 16:00 17:00 18:00 19:00
19:00
08:00 09:00 10:00 11:00 12:00 13:00 14:00 15:00 16:00 17:00 18:00 19:00

Мы постараемся перезвонить в указанное время

Если вы не хотите ждать, то звоните нашим вежливым консультантам:

8 800 100-2-700
Подтвердите, что вы не робот
Подтвердите, что вы не робот
Спасибо!

Ваше сообщение успешно отправлено!

ЗакрытьПовторить попытку