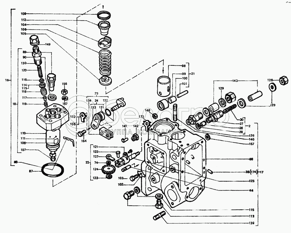
Каталог запасных частей к технике: ЛТЗ-55. Насос топливный

zoom-in zoom-out enlarge shrink circle-right circle-left file-text2 info cart arraw right arraw left zoom out zoom in arraw maximize arraw minimize
54.1111004-92Т
54.1111004-82Т
2
16
17
18
21
22
23
24
27
28
29
30
38
64
74
86
87
88
89
90
98
99
100
101
102
103
104
105
106
107
108
109
110
111
112
113
114
115
115
116
117
118
119
120
121
122
123
124
125
126
127
128
129
129
130
131
132
133
134
135
139
140
141
142
143
148
149
154
156
157
167
172
173
174
54.1111004-92Т
Насос топливный
В узле: 1
54.1111004-82Т
Насос топливный
В узле: 1
2
21.1106420
Демпфер
В узле: 1
16
21.1111010-10
Секция высокого давления
В узле: 1
17
54.1111020-11
Корпус насоса
В узле: 1
18
21.1111030-10
Пара плунжерная со штуцерами
В узле: 1
21
21.1111110-05
Толкатель плунжера
В узле: 1
22
21.1111240-05А
Кронштейн промежуточной шестерни
В узле: 1
23
21.1111280-07
Втулка привода дозатора
В узле: 1
24
21.1111310-06
Втулка
В узле: 1
27
21.1106424
Корпус демпфера
В узле: 1
28
21.1106425
Поршень
В узле: 1
29
21.1106426
Кольцо стопорное
В узле: 1
30
21.1106427
Пружина демпфера
В узле: 1
38
21.1110042
Штифт
В узле: 2
64
21.1110213
Штифт пружины запуска
В узле: 1
74
21.1110328
Шайба груза
В узле: 9
86
54.1111025-10
Корпус насоса
В узле: 1
87
21.1111032
Кольцо уплотнительное
В узле: 1
88
21.1111035
Чека монтажная
В узле: 1
89
21.1111036-10
Пробка
В узле: 1
90
21.1111037-10
Прокладка
В узле: 1
98
21.1111114-06
Толкатель плунжера
В узле: 1
99
21.1111118
Ролик толкателя
В узле: 1
100
21.1111118-01
Ролик толкателя
В узле: 1
101
21.1111124
Ось ролика толкателя
В узле: 1
102
21.1111126-06
Шайба стопорная
В узле: 1
103
21.1111127-07
Винт установочный
В узле: 1
104
21.1111134-10
Тарелка пружины верхняя
В узле: 1
105
21.1111136
Тарелка пружины нижняя
В узле: 1
106
21.1111138-10
Пружина толкателя
В узле: 1
107
21.1111154
Плунжер
В узле: 1
108
21.1111155-01
Дозатор
В узле: 1
109
21.1111156
Кольцо уплотнительное
В узле: 1
110
21.1111158-10
Втулка плунжера
В узле: 1
111
21.1113159
Заглушка втулки плунжера
В узле: 2
112
21.1111174-10
Втулка зубчатая
В узле: 1
113
21.1111207-01
Пробка уровня масла
В узле: 2
114
21.1111211-01
Прокладка
В узле: 8
115
21.1111211-02
Прокладка
В узле: 3
116
21.1111224-01
Клапан нагнетательный
В узле: 4
117
21.1111225-05
Клапан обратный
В узле: 4
118
21.1111226-10
Седло нагнетательного клапана
В узле: 4
119
21.1111227
Пружина обратного клапана
В узле: 4
120
21.1111228
Пружина нагнетательного клапана
В узле: 4
121
21.1111241-05
Кронштейн промежуточной шестерни
В узле: 1
122
21.1111242-06
Ось промежуточной шестерни
В узле: 1
123
21.1111243-05А
Шайба опорная
В узле: 1
124
21.1111244-А
Шестерня промежуточная z=29
В узле: 1
125
21.1111245
Штифт
В узле: 1
126
21.1111246
Шпилька штуцера подвода топлива
В узле: 1
127
21.1111247
Шайба стопорная
В узле: 1
128
21.1111248
Гайка штуцера подвода топлива
В узле: 2
129
21.1111249-01
Прокладка
В узле: 4
130
21.1111256-10
Штуцер высокого давления
В узле: 4
131
21.1111281-10
Поводок привода дозатора
В узле: 1
132
21.1111282
Кольцо уплотнительное
В узле: 1
133
21.1111283
Втулка привода дозатора
В узле: 1
134
21.1111284-05
Рычаг вильчатый поводка дозатора
В узле: 1
135
21.1111285
Шайба стопорная
В узле: 1
139
21.1111355
Шпилька
В узле: 2
140
21.1111356
Шпилька
В узле: 4
141
21.1111359
Фиксатор
В узле: 1
142
21.1111361
Гайка штуцера
В узле: 1
143
21.1111378
Заглушка транспортная
В узле: 2
148
21.1111389
Гайка М8-7Н
В узле: 6
149
11.1112228
Колпачок штуцера
В узле: 4
154
М6-8gх14.88.019
Болт
В узле: 2
156
М6-6Н.8.019
Гайка
В узле: 6
157
14-10кп.Ц6хр
Заглушка
В узле: 1
167
665Г05
Шайба
В узле: 18
172
6.01.05
Шайба
В узле: 1
173
А.8.01.019
Шайба
В узле: 1
174
5h8х10
Штифт
В узле: 2
Содержащиеся в справочниках-каталогах запасные части и детали не предлагаются к продаже, а носят исключительно информационный характер

Ваша заявка была отправлена. В ближайшее время наши специалисты с Вами свяжутся по указанному Вами телефону.

Представьтесь
Поле обязательно для заполнения
Ваш телефон
Введите правильный номер телефона
E-mail
Введите правильный e-mail
Тема
Тема
применяемость финансирование доставка цена, наличие другое сервис и гарантия
Время для звонка
08:00
08:00 09:00 10:00 11:00 12:00 13:00 14:00 15:00 16:00 17:00 18:00 19:00
19:00
08:00 09:00 10:00 11:00 12:00 13:00 14:00 15:00 16:00 17:00 18:00 19:00

Мы постараемся перезвонить в указанное время

Если вы не хотите ждать, то звоните нашим вежливым консультантам:

8 800 100-2-700
Подтвердите, что вы не робот
Подтвердите, что вы не робот
Спасибо!

Ваше сообщение успешно отправлено!

ЗакрытьПовторить попытку