Каталог запасных частей к технике: ЛТЗ-55. Прицеп маятниковый

zoom-in zoom-out enlarge shrink circle-right circle-left file-text2 info cart arraw right arraw left zoom out zoom in arraw maximize arraw minimize
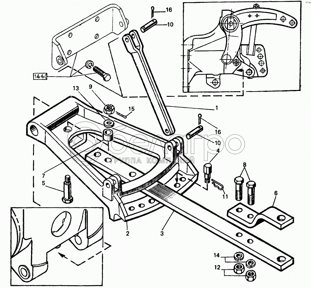
Т40-2805100-У
1
2
3
4
5
6
7
8
9
10
10
11
12
13
14
15
16
16
11
А61.07.001
Шплинт
В узле: 2
А61.07.001 Шплинт МТЗ, >10 шт. 10.80 р.
Т40-2805100-У
Прицеп маятниковый
В узле: 1
1
Т40-2805130-У
Тяга
В узле: 2
2
Т40-2805111-У
Рамка
В узле: 1
3
Т40-2805112-У
Маятник
В узле: 1
4
Т40-2805113-У
Палец
В узле: 2
5
Т40-2805114-У
Болт
В узле: 1
6
Т40-2805116-У
Пластина верхняя
В узле: 1
7
Т40-2805117-У
Втулка
В узле: 1
8
Т40-2805128-У
Болт
В узле: 2
9
Т40-4628137
Гайка прорезная М18Х1,5
В узле: 1
10
Т25-4628227-Б1
Палец блокировки
В узле: 4
12
М20-6Н.6.019
Гайка
В узле: 2
13
А.18.02.019
Шайба
В узле: 1
14
200Т65Г06
Шайба
В узле: 2
15
4х32.019
Шплинт
В узле: 1
16
5х28.019
Шплинт
В узле: 8
Содержащиеся в справочниках-каталогах запасные части и детали не предлагаются к продаже, а носят исключительно информационный характер

Ваша заявка была отправлена. В ближайшее время наши специалисты с Вами свяжутся по указанному Вами телефону.

Представьтесь
Поле обязательно для заполнения
Ваш телефон
Введите правильный номер телефона
E-mail
Введите правильный e-mail
Тема
Тема
применяемость финансирование доставка цена, наличие другое сервис и гарантия
Время для звонка
08:00
08:00 09:00 10:00 11:00 12:00 13:00 14:00 15:00 16:00 17:00 18:00 19:00
19:00
08:00 09:00 10:00 11:00 12:00 13:00 14:00 15:00 16:00 17:00 18:00 19:00

Мы постараемся перезвонить в указанное время

Если вы не хотите ждать, то звоните нашим вежливым консультантам:

8 800 100-2-700
Подтвердите, что вы не робот
Подтвердите, что вы не робот
Спасибо!

Ваше сообщение успешно отправлено!

ЗакрытьПовторить попытку