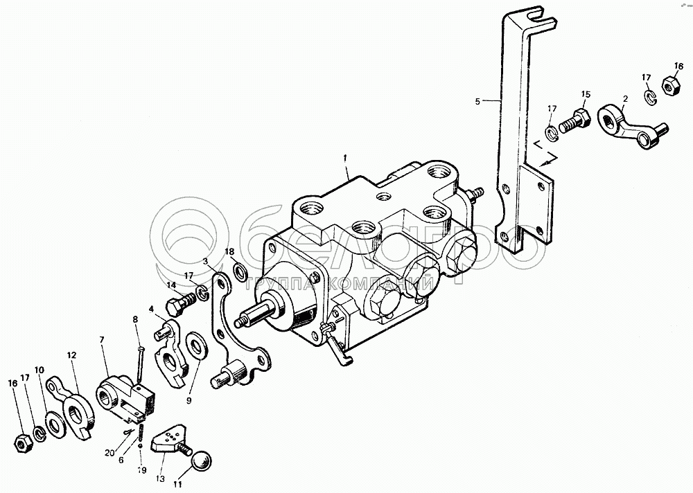
Каталог запасных частей к технике: ЛТЗ-55. Регулятор с деталями управления

zoom-in zoom-out enlarge shrink circle-right circle-left file-text2 info cart arraw right arraw left zoom out zoom in arraw maximize arraw minimize
Т40S1-4631020
1
2
3
4
5
6
7
8
9
10
11
12
13
14
15
16
16
17
17
17
17
18
19
20
Т40S1-4631020
Регулятор с деталями управления
В узле: 1
1
Р50-4614020-Б-03
Регулятор
В узле: 1
2
Т40S1-4631030
Рычаг гильзы
В узле: 1
3
Т40S-4631040-А
Кронштейн левый
В узле: 1
4
Т40S-4631210-А
Рычаг золотника
В узле: 1
5
Т40S1-4631270
Кронштейн
В узле: 1
6
52-1802066
Пружина
В узле: 1
7
Р50-4614048-Б2
Муфта
В узле: 1
8
Р50-4614051
Ось
В узле: 1
9
Р50-4614052
Шайба
В узле: 1
10
Р50-4614053
Шайба
В узле: 1
11
Р50-4614054
Ручка
В узле: 1
12
Т40S1-4631021
Рычаг золотника
В узле: 1
13
Т40S-4631022
Фиксатор
В узле: 1
14
М10-6gх25.88.019
Болт
В узле: 3
15
М10-6gх30.88.019
Болт
В узле: 2
16
М10-6Н.6.019
Гайка
В узле: 2
17
100Т65Г06
Шайба
В узле: 7
18
А.10.01.019
Шайба
В узле: 3
19
Б5.556-60
Шарик
В узле: 1
20
2х12.019
Шплинт
В узле: 1
Содержащиеся в справочниках-каталогах запасные части и детали не предлагаются к продаже, а носят исключительно информационный характер

Ваша заявка была отправлена. В ближайшее время наши специалисты с Вами свяжутся по указанному Вами телефону.

Представьтесь
Поле обязательно для заполнения
Ваш телефон
Введите правильный номер телефона
E-mail
Введите правильный e-mail
Тема
Тема
применяемость финансирование доставка цена, наличие другое сервис и гарантия
Время для звонка
08:00
08:00 09:00 10:00 11:00 12:00 13:00 14:00 15:00 16:00 17:00 18:00 19:00
19:00
08:00 09:00 10:00 11:00 12:00 13:00 14:00 15:00 16:00 17:00 18:00 19:00

Мы постараемся перезвонить в указанное время

Если вы не хотите ждать, то звоните нашим вежливым консультантам:

8 800 100-2-700
Подтвердите, что вы не робот
Подтвердите, что вы не робот
Спасибо!

Ваше сообщение успешно отправлено!

ЗакрытьПовторить попытку