Каталог запасных частей к технике: ЛТЗ-55. Установка аккумуляторов

zoom-in zoom-out enlarge shrink circle-right circle-left file-text2 info cart arraw right arraw left zoom out zoom in arraw maximize arraw minimize
Т40М1-3703200-01
1
2
3
4
5
6
6
7
8
8
8
9
10
10
10
10
11
11
12
13
13
13
13
14
15
15
16
17
17
17
17
18
18
19
20
21
21
21
21
22
23
Т40М1-3703200-01
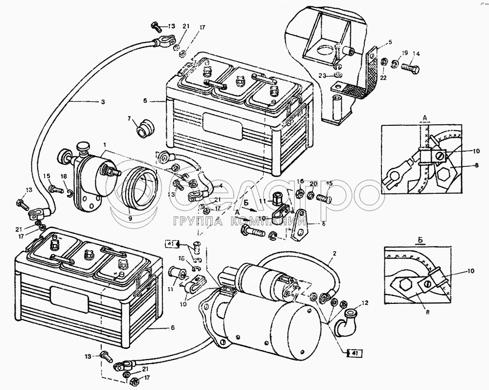
Установка аккумуляторов
В узле: 1
1
ВК318Б-3704000
Включатель массы ВК318Б ТУ 37.003.400-73
В узле: 1
2
Т40-3724101-01
Провод стартера
В узле: 1
3
Т40М1-3724102-01
Провод аккумуляторов
В узле: 1
4
Т40М1-3724103-01
Провод включателя массы
В узле: 1
5
Т40М1-3724104-01
Провод массы
В узле: 1
6
3СТ-215А
Батарея аккумуляторная
В узле: 2
7
Т40М1-3703013
Втулка
В узле: 2
8
Т40М1-3724067
Скоба
В узле: 2
9
Т40М1-3724268
Втулка
В узле: 1
10
Т25-3724631
Скоба
В узле: 4
11
Т40-3724632-02
Прокладка
В узле: 4
12
НИ-15х18х40
Наконечник
В узле: 1
13
М8-6gх30.88.019
Болт
В узле: 4
14
М10-6gх16.88.019
Болт
В узле: 1
15
В.М6-6gх12.58.019
Винт
В узле: 5
16
М6-6Н.6.019
Гайка
В узле: 2
17
М8-6Н.6.019
Гайка
В узле: 4
18
6Т65Г06
Шайба
В узле: 3
19
100Т65Г06
Шайба
В узле: 1
20
А.6.01.019
Шайба
В узле: 3
21
А.8.01.019
Шайба
В узле: 1
22
А.10.01.019
Шайба
В узле: 1
23
А.12.01.019
Шайба
В узле: 1
Содержащиеся в справочниках-каталогах запасные части и детали не предлагаются к продаже, а носят исключительно информационный характер

Ваша заявка была отправлена. В ближайшее время наши специалисты с Вами свяжутся по указанному Вами телефону.

Представьтесь
Поле обязательно для заполнения
Ваш телефон
Введите правильный номер телефона
E-mail
Введите правильный e-mail
Тема
Тема
применяемость финансирование доставка цена, наличие другое сервис и гарантия
Время для звонка
08:00
08:00 09:00 10:00 11:00 12:00 13:00 14:00 15:00 16:00 17:00 18:00 19:00
19:00
08:00 09:00 10:00 11:00 12:00 13:00 14:00 15:00 16:00 17:00 18:00 19:00

Мы постараемся перезвонить в указанное время

Если вы не хотите ждать, то звоните нашим вежливым консультантам:

8 800 100-2-700
Подтвердите, что вы не робот
Подтвердите, что вы не робот
Спасибо!

Ваше сообщение успешно отправлено!

ЗакрытьПовторить попытку