Каталог запасных частей к технике: ЛТЗ-55. Установка генератора

zoom-in zoom-out enlarge shrink circle-right circle-left file-text2 info cart arraw right arraw left zoom out zoom in arraw maximize arraw minimize
Д144-3701000-Д
1
2
3
4
5
6
7
8
9
10
11
12
13
14
15
16
17
Д144-3701000-Д
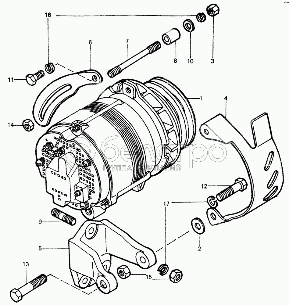
Установка генератора
В узле: 1
1
14627.3701000
Генератор 4627.3701
В узле: 1
2
Д144-1002053
Шайба
В узле: 1
3
Д37А-1008127-Б
Гайка М8Х1
В узле: 1
4
Д21А-3701032-А2
Щиток генератора
В узле: 1
5
Д37Е-3701630-В2
Кронштейн
В узле: 1
6
Д37Е-3701656-В2
Планка
В узле: 1
7
Д37Е-3701657
Шпилька
В узле: 1
8
Д144-3701661-А
Проставка
В узле: 1
9
Д37Е-3701675
Шпилька
В узле: 3
10
24-8402097-01
Шайба
В узле: 1
11
4М8-6gх18.88.019
Болт
В узле: 1
12
4М10-6gх35.88.019
Болт
В узле: 1
13
4М10-6gх45.88.019
Болт
В узле: 1
14
М8-6Н.6.019
Гайка
В узле: 1
15
М10-6Н.6.019
Гайка
В узле: 7
16
8Т65Г06
Шайба
В узле: 2
17
100Т65Г06
Шайба
В узле: 3
Содержащиеся в справочниках-каталогах запасные части и детали не предлагаются к продаже, а носят исключительно информационный характер

Ваша заявка была отправлена. В ближайшее время наши специалисты с Вами свяжутся по указанному Вами телефону.

Представьтесь
Поле обязательно для заполнения
Ваш телефон
Введите правильный номер телефона
E-mail
Введите правильный e-mail
Тема
Тема
применяемость финансирование доставка цена, наличие другое сервис и гарантия
Время для звонка
08:00
08:00 09:00 10:00 11:00 12:00 13:00 14:00 15:00 16:00 17:00 18:00 19:00
19:00
08:00 09:00 10:00 11:00 12:00 13:00 14:00 15:00 16:00 17:00 18:00 19:00

Мы постараемся перезвонить в указанное время

Если вы не хотите ждать, то звоните нашим вежливым консультантам:

8 800 100-2-700
Подтвердите, что вы не робот
Подтвердите, что вы не робот
Спасибо!

Ваше сообщение успешно отправлено!

ЗакрытьПовторить попытку