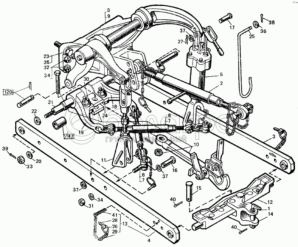
Каталог запасных частей к технике: ЛТЗ-55. Устройство навесное

zoom-in zoom-out enlarge shrink circle-right circle-left file-text2 info cart arraw right arraw left zoom out zoom in arraw maximize arraw minimize
1
2
3
4
5
6
6
7
7
8
9
10
11
12
13
14
15
16
17
18
19
20
21
22
23
24
25
26
27
28
29
30
31
32
33
34
34
35
36
37
37
37
38
39
40
40
41
27
А61.07.001
Шплинт
В узле: 2
А61.07.001 Шплинт МТЗ, >10 шт. 10.80 р.
1
Т25-2805130
Шкворень
В узле: 1
2
Т25-4628050-УФ1
Тяга центральная
В узле: 1
3
Т25-4628110-У
Тяга правая
В узле: 1
4
Т25-4628120-У
Тяга левая
В узле: 1
5
Т25-4628130-У1
Раскос
В узле: 1
6
Т25-4628220-У1
Тяга блокировки
В узле: 2
7
Т25-4628220-У1-01
Тяга блокировки
В узле: 2
8
Т40М1-4628550-01
Кронштейн с рычагами
В узле: 1
9
Т40М1-4628550-03
Кронштейн с рычагами
В узле: 1
10
Т25-4632010-А1-01
Крюк тяговый
В узле: 1
11
15.62С02-Б
Раскос
В узле: 1
12
15.62С06-А-01
Поперечина
В узле: 1
13
15.62С15-А2
Чека
В узле: 2
14
Т25-2805092-Г
Серьга
В узле: 1
15
Т25-4628138-У
Палец
В узле: 2
16
Т25-2805094-Б-01
Палец
В узле: 2
17
Т25-4628139-У
Палец
В узле: 2
18
Т25-4628222-Е
Кронштейн блокировки правый
В узле: 1
19
Т25-4628223
Кронштейн блокировки левый
В узле: 1
20
Т25-4628351
Шайба
В узле: 6
21
Т40-4628354-01
Ось продольных тяг
В узле: 1
22
Т25-4628356-А-01
Втулка продольных тяг
В узле: 2
23
Т25-4628518
Болт
В узле: 1
24
Т25-4628539-А1
Болт упорный
В узле: 2
25
Т40М1-4628579
Захват
В узле: 1
26
А61.05.001
Кольцо
В узле: 2
28
15-62082-Б1
Чека
В узле: 2
29
15-62086-А
Цепочка
В узле: 2
30
М16-6Н.6.019
Гайка
В узле: 2
33
М20-6Н.6.019
Гайка
В узле: 2
32
М20х1.5-6Н.6.019
Гайка
В узле: 9
34
200Т65Г06
Шайба
В узле: 11
35
27Л65Г06
Шайба
В узле: 1
36
А.8.01.20.019
Шайба
В узле: 1
37
А.18.02.20.019
Шайба
В узле: 6
38
3,2х18.019
Шплинт
В узле: 1
39
4х40.019
Шплинт
В узле: 2
40
5х45.019
Шплинт
В узле: 3
41
6,3х40.019
Шплинт
В узле: 2
Содержащиеся в справочниках-каталогах запасные части и детали не предлагаются к продаже, а носят исключительно информационный характер

Ваша заявка была отправлена. В ближайшее время наши специалисты с Вами свяжутся по указанному Вами телефону.

Представьтесь
Поле обязательно для заполнения
Ваш телефон
Введите правильный номер телефона
E-mail
Введите правильный e-mail
Тема
Тема
применяемость финансирование доставка цена, наличие другое сервис и гарантия
Время для звонка
08:00
08:00 09:00 10:00 11:00 12:00 13:00 14:00 15:00 16:00 17:00 18:00 19:00
19:00
08:00 09:00 10:00 11:00 12:00 13:00 14:00 15:00 16:00 17:00 18:00 19:00

Мы постараемся перезвонить в указанное время

Если вы не хотите ждать, то звоните нашим вежливым консультантам:

8 800 100-2-700
Подтвердите, что вы не робот
Подтвердите, что вы не робот
Спасибо!

Ваше сообщение успешно отправлено!

ЗакрытьПовторить попытку