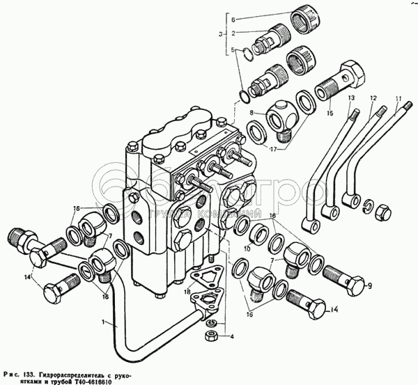
Каталог запасных частей к технике: ЛТЗ Т-40М. Гидрораспределитель с рукоятками и трубой Т40-4616610

zoom-in zoom-out enlarge shrink circle-right circle-left file-text2 info cart arraw right arraw left zoom out zoom in arraw maximize arraw minimize
1
2
3
4
5
6
7
7
8
9
10
11
12
13
14
14
15
16
16
16
16
17
18
2
3057-4616330
Клапан запорного устройства
В узле: 2
3057-4616330 Клапан МТЗ полумуфта БРС резьбовая, папа, (А) >10 шт. 66.26 р.
Т40-4616610
Гидрораспределитель с рукоятками
В узле: 1
1
Т25-4616140-Б
Трубка сливная
В узле: 1
3
Т40-4616630
Клапан запорного устройства с колпаком
В узле: 2
4
Р80-23.20.000
Гидрораспределитель Р80-2/1-222 ГОСТ 8754-80
В узле: 1
5
НШЮ-0101034
Кольцо уплотнительное
В узле: 1
6
Т40-4616039
Колпак
В узле: 1
7
Т25-4616113-А
Угольник поворотный
В узле: 4
8
Т25-4616254-А
Угольник поворотный
В узле: 1
9
Т25-4616272
Болт поворотного угольника
В узле: 1
10
Т25-4616273
Кольцо
В узле: 1
11
Т40-4616354
Рукоятка правая
В узле: 1
12
Т40-4616355-А
Рукоятка средняя
В узле: 1
13
Т40-4616356-А
Рукоятка левая
В узле: 1
14
Н.036.27.008
Болт поворотного угольника
В узле: 3
15
Н.036.27.023
Болт поворотного угольника
В узле: 1
16
Н.036.28.004
Шайба
В узле: 9
17
Н.036.28.006
Кольцо уплотнительное
В узле: 2
18
15-64140
Прокладка
В узле: 1
Содержащиеся в справочниках-каталогах запасные части и детали не предлагаются к продаже, а носят исключительно информационный характер

Ваша заявка была отправлена. В ближайшее время наши специалисты с Вами свяжутся по указанному Вами телефону.

Представьтесь
Поле обязательно для заполнения
Ваш телефон
Введите правильный номер телефона
E-mail
Введите правильный e-mail
Тема
Тема
применяемость финансирование доставка цена, наличие другое сервис и гарантия
Время для звонка
08:00
08:00 09:00 10:00 11:00 12:00 13:00 14:00 15:00 16:00 17:00 18:00 19:00
19:00
08:00 09:00 10:00 11:00 12:00 13:00 14:00 15:00 16:00 17:00 18:00 19:00

Мы постараемся перезвонить в указанное время

Если вы не хотите ждать, то звоните нашим вежливым консультантам:

8 800 100-2-700
Подтвердите, что вы не робот
Подтвердите, что вы не робот
Спасибо!

Ваше сообщение успешно отправлено!

ЗакрытьПовторить попытку