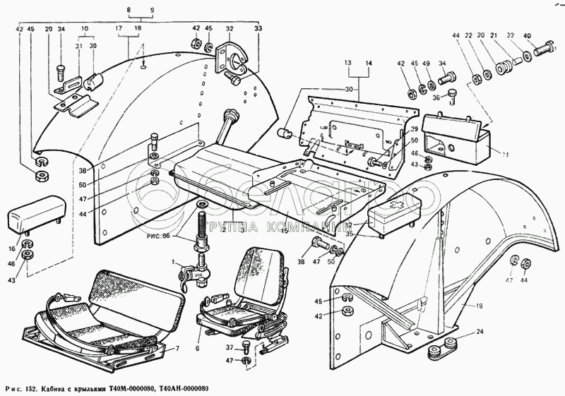
Каталог запасных частей к технике: ЛТЗ Т-40М. Кабина с крыльями Т40М-0000080, Т40АН-0000080

zoom-in zoom-out enlarge shrink circle-right circle-left file-text2 info cart arraw right arraw left zoom out zoom in arraw maximize arraw minimize
1
1
2
3
6
7
8
9
10
11
12
12
13
14
15
15
16
17
18
19
19
20
20
21
21
22
22
24
24
29
29
30
30
30
31
32
33
34
34
35
35
36
36
37
37
38
38
40
40
42
42
42
42
43
43
44
44
44
45
45
45
45
46
46
47
47
47
47
49
49
50
50
50
Т40М-0000080
Кабина с крыльями (476117000208)
В узле: 1
Т40АН-0000080
Кабина с крыльями (476117361803)
В узле: 1
Т40М-0000080
Кабина с крыльями (476117000208)
В узле: 1
Т40М-0000080
Кабина с крыльями (476117000208)
В узле: 1
Т40М-0000080
Кабина с крыльями (476117000208)
В узле: 1
1
КР25-1013000
Кран ПП6-1 ОСТ 37.001.241-81
В узле: 1
1
КР25-1013000
Кран ПП6-1 ОСТ 37.001.241-81
В узле: 1
2
Т40-1100050-Б
Бак топливный
В узле: 1
3
Т40АН-1100050
Бак топливный
В узле: 1
6
Т40М-6800010-В
Сиденье водителя
В узле: 1
7
Т40АН-6800010-Б
Сиденье водителя (476117479303)
В узле: 1
8
Т25-8404020-Г2
Крыло правое
В узле: 1
9
Т25-8404020-Г2-01
Крыло правое
В узле: 1
10
Т25-8404110-А
Ограничитель правой двери
В узле: 1
11
Т40М-3919010-Б
Ящик инструментальный
В узле: 1
12
Т25-3932010-Б
Ящик пакета первой медицинской помощи
В узле: 1
12
Т25-3932010-Б
Ящик пакета первой медицинской помощи
В узле: 1
13
Т40М-6706020-Б
Лист защитный задний (476117515307)
В узле: 1
14
Т256706020-Д
Лист защитный задний
В узле: 1
15
Т40М-6801050
Опора сиденья
В узле: 1
15
Т40М-6801050
Опора сиденья
В узле: 1
16
Т25-6806010-Б
Подлокотник
В узле: 1
17
Т25-8404040-Б
Крыло заднее правое
В узле: 1
18
Т25-8404040-Б-01
Крыло заднее правое
В узле: 1
19
Т25-8404060-Б
Крыло заднее левое
В узле: 1
19
Т25-8404060-Б
Крыло заднее левое
В узле: 1
20
Т40П-3703502
Виброизолятор
В узле: 1
20
Т40П-3703502
Виброизолятор
В узле: 1
21
Т40П-3703503
Втулка распорная
В узле: 1
21
Т40П-3703503
Втулка распорная
В узле: 1
22
Т40П-3703506
Шайба
В узле: 1
22
Т40П-3703506
Шайба
В узле: 1
23
Т40S-3805049-А
Кронштейн
В узле: 2
23
Т40S-3805049-А
Кронштейн
В узле: 2
24
Т40М-6780036-А
Виброизолятор
В узле: 4
24
Т40М-6780036-А
Виброизолятор
В узле: 4
29
Т25-8404025
Фиксатор двери правой
В узле: 1
30
Т25-6709012-А-05
Уплотнитель НТ-9 L=30 мм
В узле: 1
30
Т25-6709012-А-05
Уплотнитель НТ-9 L=30 мм
В узле: 1
30
Т25-6709012-А-05
Уплотнитель НТ-9 L=30 мм
В узле: 1
31
Т25-8404118-А
Ограничитель двери правой
В узле: 1
32
Т25-8404131-Г
Кронштейн штепсельного разъема
В узле: 1
33
Болт М6-6gХ14.88.35.019 ГОСТ 7798 70
Болт М6-6gХ14.88.35.019 ГОСТ 7798 70
В узле: 4
34
Болт М6-6gХ 16.88.35.019 ГОСТ 7798-70
Болт М6-6gХ 16.88.35.019 ГОСТ 7798-70
В узле: 14
35
47 9427 1007
Болт М6-6gх20.88.35.019 ГОСТ 7798-70
В узле: 2
35
47 9427 1007
Болт М6-6gх20.88.35.019 ГОСТ 7798-70
В узле: 2
36
Болт М8-6gХ20.88.35.019 ГОСТ 7796-70
Болт М8-6gХ20.88.35.019 ГОСТ 7796-70
В узле: 2
36
Болт М8-6gХ20.88.35.019 ГОСТ 7796-70
Болт М8-6gХ20.88.35.019 ГОСТ 7796-70
В узле: 2
37
Болт М10-6gХ20.88.35.019 ГОСТ 7796-70
Болт М10-6gХ20.88.35.019 ГОСТ 7796-70
В узле: 4
37
Болт М10-6gХ20.88.35.019 ГОСТ 7796-70
Болт М10-6gХ20.88.35.019 ГОСТ 7796-70
В узле: 1
38
Болт М10-6gХ25.88.35.019 ГОСТ 7796-70
Болт М10-6gХ25.88.35.019 ГОСТ 7796-70
В узле: 21
38
Болт М10-6gХ25.88.35.019 ГОСТ 7796-70
Болт М10-6gХ25.88.35.019 ГОСТ 7796-70
В узле: 21
39
Болт М10-6gХ30.88.35.019 ГОСТ 7796-70
Болт М10-6gХ30.88.35.019 ГОСТ 7796-70
В узле: 6
39
Болт М10-6gХ30.88.35.019 ГОСТ 7796-70
Болт М10-6gХ30.88.35.019 ГОСТ 7796-70
В узле: 6
40
Болт М10-6gХ40.88.35.019 ГОСТ 7790-70
Болт М10-6gХ40.88.35.019 ГОСТ 7790-70
В узле: 1
40
Болт М10-6gХ40.88.35.019 ГОСТ 7790-70
Болт М10-6gХ40.88.35.019 ГОСТ 7790-70
В узле: 1
42
Гайка М6-6Н.6.019 ГОСТ 5915-70
Гайка М6-6Н.6.019 ГОСТ 5915-70
В узле: 16
42
Гайка М6-6Н.6.019 ГОСТ 5915-70
Гайка М6-6Н.6.019 ГОСТ 5915-70
В узле: 4
42
Гайка М6-6Н.6.019 ГОСТ 5915-70
Гайка М6-6Н.6.019 ГОСТ 5915-70
В узле: 11
43
Гайка М8-6Н.6.019 ГОСТ 5915-70
Гайка М8-6Н.6.019 ГОСТ 5915-70
В узле: 4
43
Гайка М8-6Н.6.019 ГОСТ 5915-70
Гайка М8-6Н.6.019 ГОСТ 5915-70
В узле: 2
44
Гайка М10-6Н.6.019 ГОСТ 5915-70
Гайка М10-6Н.6.019 ГОСТ 5915-70
В узле: 31
44
Гайка М10-6Н.6.019 ГОСТ 5915-70
Гайка М10-6Н.6.019 ГОСТ 5915-70
В узле: 3
44
Гайка М10-6Н.6.019 ГОСТ 5915-70
Гайка М10-6Н.6.019 ГОСТ 5915-70
В узле: 32
45
Шайба 6 Т 65Г 06 ГОСТ 9402-70
Шайба 6 Т 65Г 06 ГОСТ 9402-70
В узле: 16
45
Шайба 6 Т 65Г 06 ГОСТ 9402-70
Шайба 6 Т 65Г 06 ГОСТ 9402-70
В узле: 4
45
Шайба 6 Т 65Г 06 ГОСТ 9402-70
Шайба 6 Т 65Г 06 ГОСТ 9402-70
В узле: 11
46
45 9816 6046
Шайба 8 Т 65Г 06 ГОСТ 6402-70
В узле: 4
46
45 9816 6046
Шайба 8 Т 65Г 06 ГОСТ 6402-70
В узле: 2
47
45 9816 6067
Шайба 10 ОТ 65Г 06 ГОСТ 6402-70
В узле: 32
47
45 9816 6067
Шайба 10 ОТ 65Г 06 ГОСТ 6402-70
В узле: 36
49
Шайба 6.01.10кп.019 ГОСТ 11371-78
Шайба 6.01.10кп.019 ГОСТ 11371-78
В узле: 9
49
Шайба 6.01.10кп.019 ГОСТ 11371-78
Шайба 6.01.10кп.019 ГОСТ 11371-78
В узле: 16
50
Шайба 10.01.10кп.019 ГОСТ 11371-78
Шайба 10.01.10кп.019 ГОСТ 11371-78
В узле: 25
50
Шайба 10.01.10кп.019 ГОСТ 11371-78
Шайба 10.01.10кп.019 ГОСТ 11371-78
В узле: 27
Содержащиеся в справочниках-каталогах запасные части и детали не предлагаются к продаже, а носят исключительно информационный характер

Ваша заявка была отправлена. В ближайшее время наши специалисты с Вами свяжутся по указанному Вами телефону.

Представьтесь
Поле обязательно для заполнения
Ваш телефон
Введите правильный номер телефона
E-mail
Введите правильный e-mail
Тема
Тема
применяемость финансирование доставка цена, наличие другое сервис и гарантия
Время для звонка
08:00
08:00 09:00 10:00 11:00 12:00 13:00 14:00 15:00 16:00 17:00 18:00 19:00
19:00
08:00 09:00 10:00 11:00 12:00 13:00 14:00 15:00 16:00 17:00 18:00 19:00

Мы постараемся перезвонить в указанное время

Если вы не хотите ждать, то звоните нашим вежливым консультантам:

8 800 100-2-700
Подтвердите, что вы не робот
Подтвердите, что вы не робот
Спасибо!

Ваше сообщение успешно отправлено!

ЗакрытьПовторить попытку