Каталог запасных частей к технике: ЛТЗ Т-40М. Картер дизеля

zoom-in zoom-out enlarge shrink circle-right circle-left file-text2 info cart arraw right arraw left zoom out zoom in arraw maximize arraw minimize
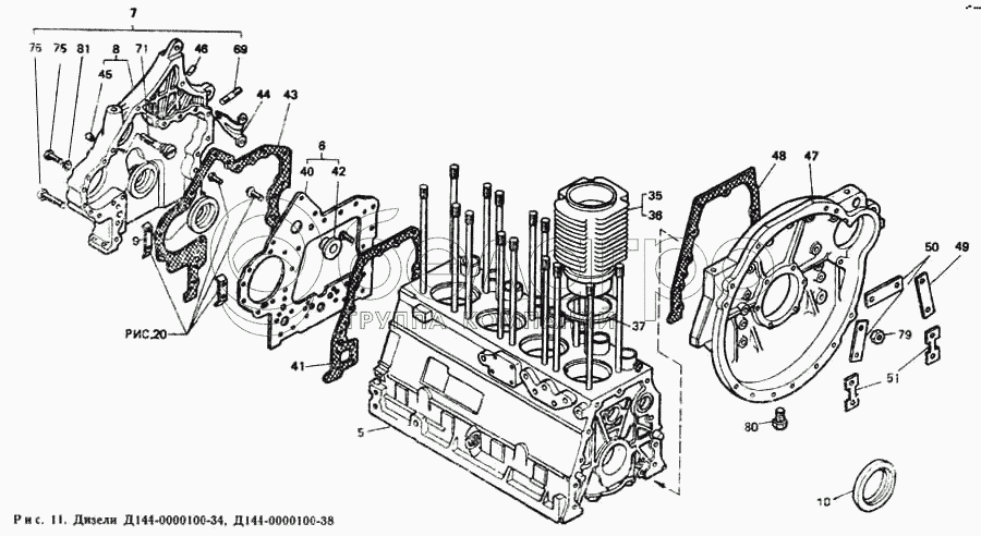
5
5
6
6
7
7
8
8
9
9
10
10
35
35
36
37
37
40
41
41
42
43
43
44
44
45
46
47
47
48
48
49
49
50
50
51
51
69
71
80
80
81
81
Д144-0000100-34
Дизель Д144-34
В узле: 1
5
Д37М-1002008-А
Картер дизеля
В узле: 1
5
Д37М-1002008-А
Картер дизеля
В узле: 1
6
Д37М-1002171
Лист передний со втулкой
В узле: 1
6
Д37М-1002171
Лист передний со втулкой
В узле: 1
7
Д144-1002220
Крышка распределительных шестерен
В узле: 1
7
Д144-1002220
Крышка распределительных шестерен
В узле: 1
8
Д144-1002230
Крышка распределительных шестерен
В узле: 1
8
Д144-1002230
Крышка распределительных шестерен
В узле: 1
9
Д144-1002380-А
Манжета 1.1-85х110-1 ГОСТ 8752-79 с маслоотгонными рельефами
В узле: 1
9
Д144-1002380-А
Манжета 1.1-85х110-1 ГОСТ 8752-79 с маслоотгонными рельефами
В узле: 1
10
Д144-1002410-А
Манжета 1.1-50х70-1 ГОСТ 8752-79 с маслоотгонными рельефами
В узле: 1
10
Д144-1002410-А
Манжета 1.1-50х70-1 ГОСТ 8752-79 с маслоотгонными рельефами
В узле: 1
35
Д37М-1002021-А2
Цилиндр (группы Б, С, М)
В узле: 4
35
Д37М-1002021-А2
Цилиндр (группы Б, С, М)
В узле: 4
36
Д37М-1002021-А2-Р1
Цилиндр (группы БР1, СР1, МР1)
В узле: 4
37
Д37М-1002023
Прокладка цилиндра
В узле: 1
37
Д37М-1002023
Прокладка цилиндра
В узле: 1
40
Д37М-1002181-Б
Лист передний
В узле: 1
41
Д30-1002183
Прокладка листа переднего
В узле: 1
41
Д30-1002183
Прокладка листа переднего
В узле: 1
42
Д37М-1002188-Б
Втулка листа переднего
В узле: 1
43
Д30-1002226
Прокладка крышки распределительных шестерен
В узле: 1
43
Д30-1002226
Прокладка крышки распределительных шестерен
В узле: 1
44
Д37Е-1002231
Указатель верхней мертвой точки
В узле: 1
44
Д37Е-1002231
Указатель верхней мертвой точки
В узле: 1
45
Д37М-1002232
Вставка
В узле: 3
46
Д30-1002239
Штифт
В узле: 1
47
Д37М-1002312-Б
Картер маховика
В узле: 1
47
Д37М-1002312-Б
Картер маховика
В узле: 1
48
Д30-1002313
Прокладка картера маховика
В узле: 1
48
Д30-1002313
Прокладка картера маховика
В узле: 1
49
Д30-1002318-А1
Пластина замковая правая
В узле: 1
49
Д30-1002318-А1
Пластина замковая правая
В узле: 1
50
Д30-1002318-А2
Пластина замковая левая
В узле: 1
50
Д30-1002318-А2
Пластина замковая левая
В узле: 1
51
Д30-1002318-Б1
Пластина замковая нижняя
В узле: 1
51
Д30-1002318-Б1
Пластина замковая нижняя
В узле: 1
69
Д37Е-3701675
Шпилька
В узле: 1
71
Д30-4618046
Шпилька крепления гидронасоса
В узле: 1
80
47 9795 1023
Пробка КГ 1/2" ОСТ 23.1.117-83
В узле: 1
80
47 9795 1023
Пробка КГ 1/2" ОСТ 23.1.117-83
В узле: 1
81
45 9816 0046
Шайба 8 Т 65Г 019 ГОСТ 6402-70
В узле: 12
81
45 9816 0046
Шайба 8 Т 65Г 019 ГОСТ 6402-70
В узле: 12
Содержащиеся в справочниках-каталогах запасные части и детали не предлагаются к продаже, а носят исключительно информационный характер

Ваша заявка была отправлена. В ближайшее время наши специалисты с Вами свяжутся по указанному Вами телефону.

Представьтесь
Поле обязательно для заполнения
Ваш телефон
Введите правильный номер телефона
E-mail
Введите правильный e-mail
Тема
Тема
применяемость финансирование доставка цена, наличие другое сервис и гарантия
Время для звонка
08:00
08:00 09:00 10:00 11:00 12:00 13:00 14:00 15:00 16:00 17:00 18:00 19:00
19:00
08:00 09:00 10:00 11:00 12:00 13:00 14:00 15:00 16:00 17:00 18:00 19:00

Мы постараемся перезвонить в указанное время

Если вы не хотите ждать, то звоните нашим вежливым консультантам:

8 800 100-2-700
Подтвердите, что вы не робот
Подтвердите, что вы не робот
Спасибо!

Ваше сообщение успешно отправлено!

ЗакрытьПовторить попытку