Каталог запасных частей к технике: ЛТЗ Т-40М. Установка компрессора Д37Е-3509015

zoom-in zoom-out enlarge shrink circle-right circle-left file-text2 info cart arraw right arraw left zoom out zoom in arraw maximize arraw minimize
1
2
2
3
4
5
6
7
8
9
10
11
12
13
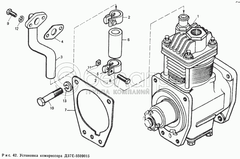
Д37Е-3509015
Установка компрессора
В узле: ---
1
А29.02.000
Компрессор ТУ 23.1.293-79
В узле: 1
2
Д120-1405070-10
Хомут д. 25
В узле: ---
3
Д37Е-3509230
Трубка впускная
В узле: ---
4
Д21-1008036
Прокладка
В узле: ---
5
Д120-1405071-10
Хомут д. 25
В узле: ---
6
Д37Е-1405092
Трубка соединительная
В узле: ---
7
Д37Е-3509033
Прокладка
В узле: ---
8
47 9427 1009
Болт М6-6gх25.88.35.019 ГОСТ 7798-70
В узле: ---
9
47 9367 1005
Болт 4М8-6gх18.88.35.019 ГОСТ 7796-70
В узле: ---
10
47 9315 1058
Болт 4М10-6gх65.58.019 ГОСТ 7795-70
В узле: ---
11
47 9953 1001
Гайка М6-6Н.6.019 ОСТ 23.1.414-81
В узле: ---
12
45 9816 6067
Шайба 10 ОТ 65Г 06 ГОСТ 6402-70
В узле: ---
13
45 9816 6067
Шайба 10 ОТ 65Г 06 ГОСТ 6402-70
В узле: ---
Содержащиеся в справочниках-каталогах запасные части и детали не предлагаются к продаже, а носят исключительно информационный характер

Ваша заявка была отправлена. В ближайшее время наши специалисты с Вами свяжутся по указанному Вами телефону.

Представьтесь
Поле обязательно для заполнения
Ваш телефон
Введите правильный номер телефона
E-mail
Введите правильный e-mail
Тема
Тема
применяемость финансирование доставка цена, наличие другое сервис и гарантия
Время для звонка
08:00
08:00 09:00 10:00 11:00 12:00 13:00 14:00 15:00 16:00 17:00 18:00 19:00
19:00
08:00 09:00 10:00 11:00 12:00 13:00 14:00 15:00 16:00 17:00 18:00 19:00

Мы постараемся перезвонить в указанное время

Если вы не хотите ждать, то звоните нашим вежливым консультантам:

8 800 100-2-700
Подтвердите, что вы не робот
Подтвердите, что вы не робот
Спасибо!

Ваше сообщение успешно отправлено!

ЗакрытьПовторить попытку