Каталог запасных частей к технике: Минитракторы Уралец. Дополнительная коробка передач

zoom-in zoom-out enlarge shrink circle-right circle-left file-text2 info cart arraw right arraw left zoom out zoom in arraw maximize arraw minimize
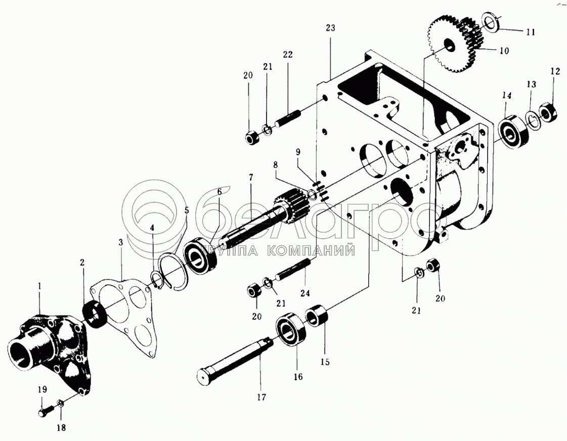
1
2
3
4
5
6
7
8
9
10
11
12
13
14
15
16
17
18
19
20
20
20
21
21
21
22
23
24
1
10T.37.108
Крышка передняя торцевая
В узле: 1
2
JB2600-80
Сальник
В узле: 1
3
10T.37.109-A
Прокладка передней торцевой крышки
В узле: 1
4
GB894.1-86
Кольцо упорное
В узле: 1
5
10T.37.197
Кольцо стопорное 62
В узле: 1
6
GB305
Подшипник 50305
В узле: 1
7
10T.37.110-2
Вал входной
В узле: 1
8
10.37.115
Пластинка упорная иголок
В узле: 1
9
GB309
Иголка 2х12
В узле: 28
10
14.37.121-1
Шестерня дополнительной передачи неподвижная
В узле: 1
11
14.37.123-1
Кольцо распорное заднее
В узле: 1
12
GB6173-86
Гайка М18х1.5
В узле: 1
13
10T.37.319
Кольцо замковое
В узле: 1
14
GB276-89
Подшипник
В узле: 1
15
10T.37.122-A
Втулка распорная передняя
В узле: 1
16
GB276-89
Подшипник
В узле: 1
17
10T.37.120
Вал неподвижной шестерни дополнительной передачи
В узле: 1
18
GB93-87
Шайба
В узле: 6
19
GB5781-86
Болт
В узле: 6
20
GB6170-86
Гайка
В узле: 8
21
GB93-87
Шайба
В узле: 8
22
GB901-88
Шпилька
В узле: 4
23
10T.37.102-A
Корпус дополнительной коробки передач
В узле: 1
24
GB901-88
Шпилька
В узле: 2
Содержащиеся в справочниках-каталогах запасные части и детали не предлагаются к продаже, а носят исключительно информационный характер

Ваша заявка была отправлена. В ближайшее время наши специалисты с Вами свяжутся по указанному Вами телефону.

Представьтесь
Поле обязательно для заполнения
Ваш телефон
Введите правильный номер телефона
E-mail
Введите правильный e-mail
Тема
Тема
применяемость финансирование доставка цена, наличие другое сервис и гарантия
Время для звонка
08:00
08:00 09:00 10:00 11:00 12:00 13:00 14:00 15:00 16:00 17:00 18:00 19:00
19:00
08:00 09:00 10:00 11:00 12:00 13:00 14:00 15:00 16:00 17:00 18:00 19:00

Мы постараемся перезвонить в указанное время

Если вы не хотите ждать, то звоните нашим вежливым консультантам:

8 800 100-2-700
Подтвердите, что вы не робот
Подтвердите, что вы не робот
Спасибо!

Ваше сообщение успешно отправлено!

ЗакрытьПовторить попытку