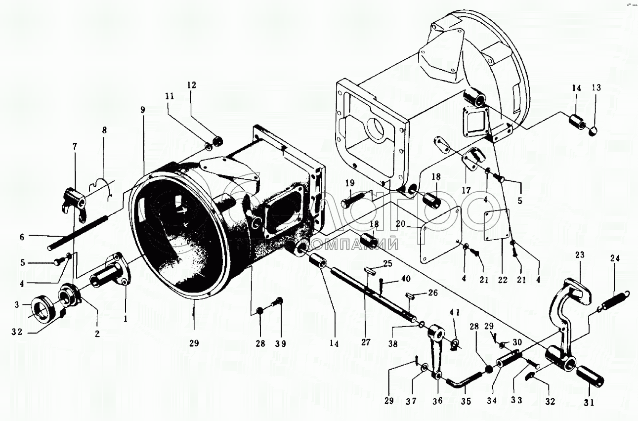
Каталог запасных частей к технике: Минитракторы Уралец. Корпус муфты сцепления

zoom-in zoom-out enlarge shrink circle-right circle-left file-text2 info cart arraw right arraw left zoom out zoom in arraw maximize arraw minimize
1
2
3
4
4
4
4
5
5
6
7
8
9
9
11
12
13
14
14
17
18
18
19
20
21
21
22
23
24
25
26
27
28
28
29
29
29
30
31
32
32
33
34
35
36
37
38
39
40
41
1
10T.21.103
Опора выжимная
В узле: 1
2
14.21.114
Корпус выжимного подшипника
В узле: 1
3
588909
Подшипник качения выжимной
В узле: 1
4
GB93-87
Шайба
В узле: 13
5
GB5781-86
Болт
В узле: 5
6
GB901-88
Шпилька
В узле: 4
7
10.21.113A
Вилка выключения
В узле: 1
8
10.21.115
Пружина кручения возвратная
В узле: 1
9
14.21C.101
Корпус переходного моста
В узле: 1
9
16.21C.101
Корпус переходного моста
В узле: 1
11
GB93-87
Шайба
В узле: 4
12
GB6170-86
Гайка
В узле: 4
13
10T.21.106
Заглушка
В узле: 1
14
10T.21.105
Втулка валика вилки
В узле: 2
17
10T.43.118
Кронштейн зубчатый
В узле: 1
18
10T.21.114
Втулка валика педали
В узле: 2
19
GB5783-86
Болт
В узле: 2
20
10T.21.115
Крышка боковая левая
В узле: 1
21
GB67-85
Винт
В узле: 8
22
10T.21.117
Крышка боковая правая
В узле: 1
23
10T.21.112
Педаль сцепления
В узле: 1
24
10T.21.113
Пружина педали сцепления оттяжная
В узле: 1
25
GB1096-79
Шпонка
В узле: 1
26
GB1096-79
Шпонка
В узле: 1
27
10T.21.104
Валик вилки выключения
В узле: 1
28
GB6170-86
Гайка
В узле: 2
29
GB91-86
Шплинт
В узле: 3
30
GB97.1-85
Шайба
В узле: 1
31
10T.43.303
Подшипник
В узле: 1
32
GB1153
Маслёнка М10х1
В узле: 2
33
10T.56.108
Палец соединительный ограничительной цепи
В узле: 1
34
10T.21.110-A
Вилка регулировочная
В узле: 1
35
10T.21.109
Штанга толкающая
В узле: 1
36
10T.21.107
Рычаг отжимной
В узле: 1
37
GB97.1-85
Шайба
В узле: 1
38
GB1235
Кольцо
В узле: 1
39
GB5781-86
Болт
В узле: 1
40
GB91-86
Шплинт
В узле: 1
41
GB894.1-86
Кольцо упорное
В узле: 1
Содержащиеся в справочниках-каталогах запасные части и детали не предлагаются к продаже, а носят исключительно информационный характер

Ваша заявка была отправлена. В ближайшее время наши специалисты с Вами свяжутся по указанному Вами телефону.

Представьтесь
Поле обязательно для заполнения
Ваш телефон
Введите правильный номер телефона
E-mail
Введите правильный e-mail
Тема
Тема
применяемость финансирование доставка цена, наличие другое сервис и гарантия
Время для звонка
08:00
08:00 09:00 10:00 11:00 12:00 13:00 14:00 15:00 16:00 17:00 18:00 19:00
19:00
08:00 09:00 10:00 11:00 12:00 13:00 14:00 15:00 16:00 17:00 18:00 19:00

Мы постараемся перезвонить в указанное время

Если вы не хотите ждать, то звоните нашим вежливым консультантам:

8 800 100-2-700
Подтвердите, что вы не робот
Подтвердите, что вы не робот
Спасибо!

Ваше сообщение успешно отправлено!

ЗакрытьПовторить попытку