Каталог запасных частей к технике: Минитракторы Уралец. Масляный насос и масляная трубка в сборе

zoom-in zoom-out enlarge shrink circle-right circle-left file-text2 info cart arraw right arraw left zoom out zoom in arraw maximize arraw minimize
1
2
3
4
5
5
6
6
7
8
9
9
10
10
11
12
12
13
14
15
15
15
16
17
18
19
20
21
22
23
1
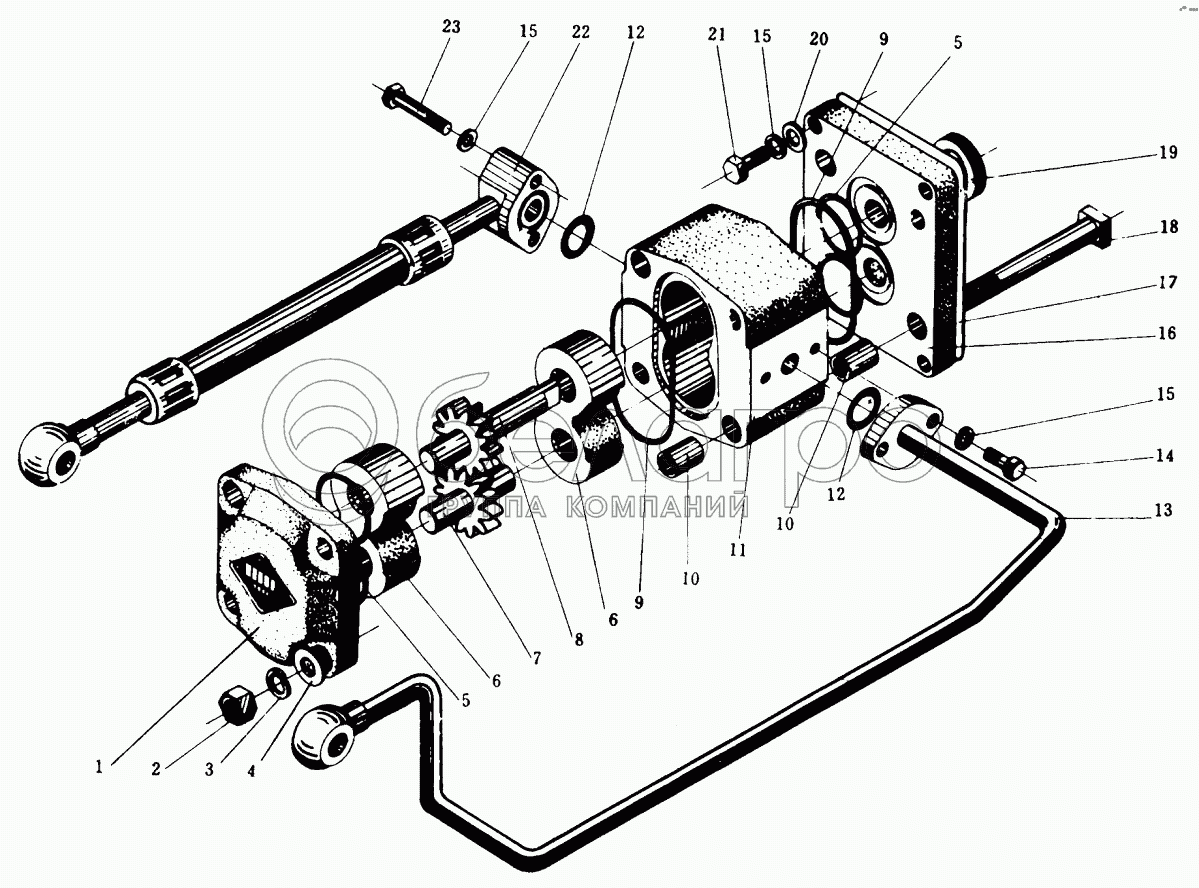
Крышка
Крышка насоса
В узле: 1
2
ГайкаМ10
Гайка
В узле: 4
3
GB97.1-85
Шайба
В узле: 4
4
GB1235-76
Кольцо
В узле: 4
5
GB1235
Кольцо
В узле: 4
6
180.54.403
Подшипник скольжения
В узле: 2
7
180.54.404
Шестерня ведомая
В узле: 1
8
180.54.405
Шестерня ведущая
В узле: 1
9
GB1235-76
Кольцо
В узле: 2
10
180.54.406
Втулка фиксирующая
В узле: 4
11
180.54.401
Корпус насоса
В узле: 1
12
GB1235-76
Кольцо
В узле: 3
13
14.54A.011-1
Трубка выпускная в сборе
В узле: 1
14
GB5781-86
Болт
В узле: 4
15
GB93-87
Шайба
В узле: 10
16
180.54.402
Плита блока насоса
В узле: 1
17
150.54.104
Прокладка бумажная
В узле: 1
18
GB5780-86
Болт
В узле: 4
19
180.54.4070
Кольцо уплотнительное
В узле: 1
20
GB97.1-85
Шайба
В узле: 4
21
GB5781-86
Болт
В узле: 4
22
14.54A.012
Трубка всасывающая в сборе
В узле: 1
23
GB5780-86
Болт
В узле: 2
24
CBN-306B
Насос шестеренный
В узле: 1
25
180.54.400
Комплект резиновых уплотнителей
В узле: 2
25
180.54.400
Комплект резиновых уплотнителей
В узле: 2
25
180.54.400
Комплект резиновых уплотнителей
В узле: 2
Содержащиеся в справочниках-каталогах запасные части и детали не предлагаются к продаже, а носят исключительно информационный характер

Ваша заявка была отправлена. В ближайшее время наши специалисты с Вами свяжутся по указанному Вами телефону.

Представьтесь
Поле обязательно для заполнения
Ваш телефон
Введите правильный номер телефона
E-mail
Введите правильный e-mail
Тема
Тема
применяемость финансирование доставка цена, наличие другое сервис и гарантия
Время для звонка
08:00
08:00 09:00 10:00 11:00 12:00 13:00 14:00 15:00 16:00 17:00 18:00 19:00
19:00
08:00 09:00 10:00 11:00 12:00 13:00 14:00 15:00 16:00 17:00 18:00 19:00

Мы постараемся перезвонить в указанное время

Если вы не хотите ждать, то звоните нашим вежливым консультантам:

8 800 100-2-700
Подтвердите, что вы не робот
Подтвердите, что вы не робот
Спасибо!

Ваше сообщение успешно отправлено!

ЗакрытьПовторить попытку