Каталог запасных частей к технике: Минитракторы Уралец. Механизм привода масляного насоса (нового образца)

zoom-in zoom-out enlarge shrink circle-right circle-left file-text2 info cart arraw right arraw left zoom out zoom in arraw maximize arraw minimize
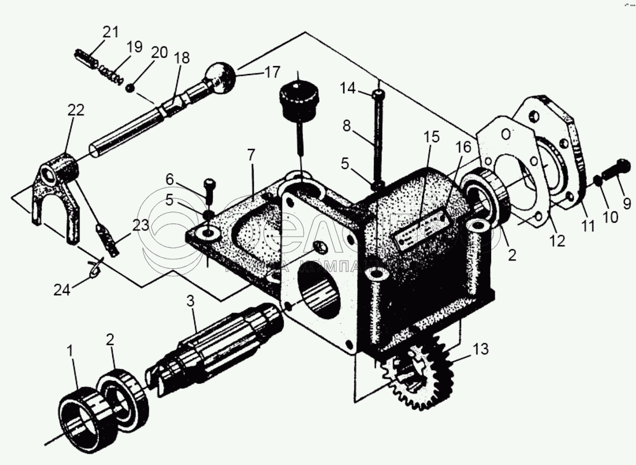
1
2
2
3
5
5
6
7
8
9
10
11
12
13
14
15
16
17
18
19
20
21
22
23
24
1
14D.54.208
Кольцо упорное переднее
В узле: 1
2
GB276
Подшипник качения 6205
В узле: 2
3
14D.54.202-3
Вал-шестерня
В узле: 1
5
GB93
Шайба
В узле: 5
6
GB21
Болт
В узле: 3
7
14D.54.201-3
Кожух камеры шестерён насоса
В узле: 1
8
GB21
Болт
В узле: 2
9
GB21
Болт
В узле: 4
10
GB93
Шайба
В узле: 4
11
14D.54.205-2
Крышка торцевая
В узле: 1
12
14D.54.204-2
Прокладка бумажная
В узле: 1
13
14D.54.203-3
Шестерня привода масляного насоса
В узле: 1
14
10Т.37.041
Измеритель уровня масла в сборе
В узле: 1
15
14.54.210
Табличка
В узле: 1
16
GB827
Заклёпка для таблички 3х5
В узле: 2
17
14.54.129
Головка шаровая
В узле: 1
18
14.54.307
Валик вилки
В узле: 1
19
14.54.309
Пружина стопорная
В узле: 1
20
GB308
Шарик стальной
В узле: 1
21
GB86-88
Винт
В узле: 1
22
14.54.306
Вилка
В узле: 1
23
10Т.37.189
Винт закрепляющий
В узле: 1
24
GB343
Проволока стальная
В узле: 1
25
14D.54.000
Привод масляного насоса в сборе
В узле: 1
Содержащиеся в справочниках-каталогах запасные части и детали не предлагаются к продаже, а носят исключительно информационный характер

Ваша заявка была отправлена. В ближайшее время наши специалисты с Вами свяжутся по указанному Вами телефону.

Представьтесь
Поле обязательно для заполнения
Ваш телефон
Введите правильный номер телефона
E-mail
Введите правильный e-mail
Тема
Тема
применяемость финансирование доставка цена, наличие другое сервис и гарантия
Время для звонка
08:00
08:00 09:00 10:00 11:00 12:00 13:00 14:00 15:00 16:00 17:00 18:00 19:00
19:00
08:00 09:00 10:00 11:00 12:00 13:00 14:00 15:00 16:00 17:00 18:00 19:00

Мы постараемся перезвонить в указанное время

Если вы не хотите ждать, то звоните нашим вежливым консультантам:

8 800 100-2-700
Подтвердите, что вы не робот
Подтвердите, что вы не робот
Спасибо!

Ваше сообщение успешно отправлено!

ЗакрытьПовторить попытку