Каталог запасных частей к технике: Минитракторы Уралец. Механизм управления тормозом

zoom-in zoom-out enlarge shrink circle-right circle-left file-text2 info cart arraw right arraw left zoom out zoom in arraw maximize arraw minimize
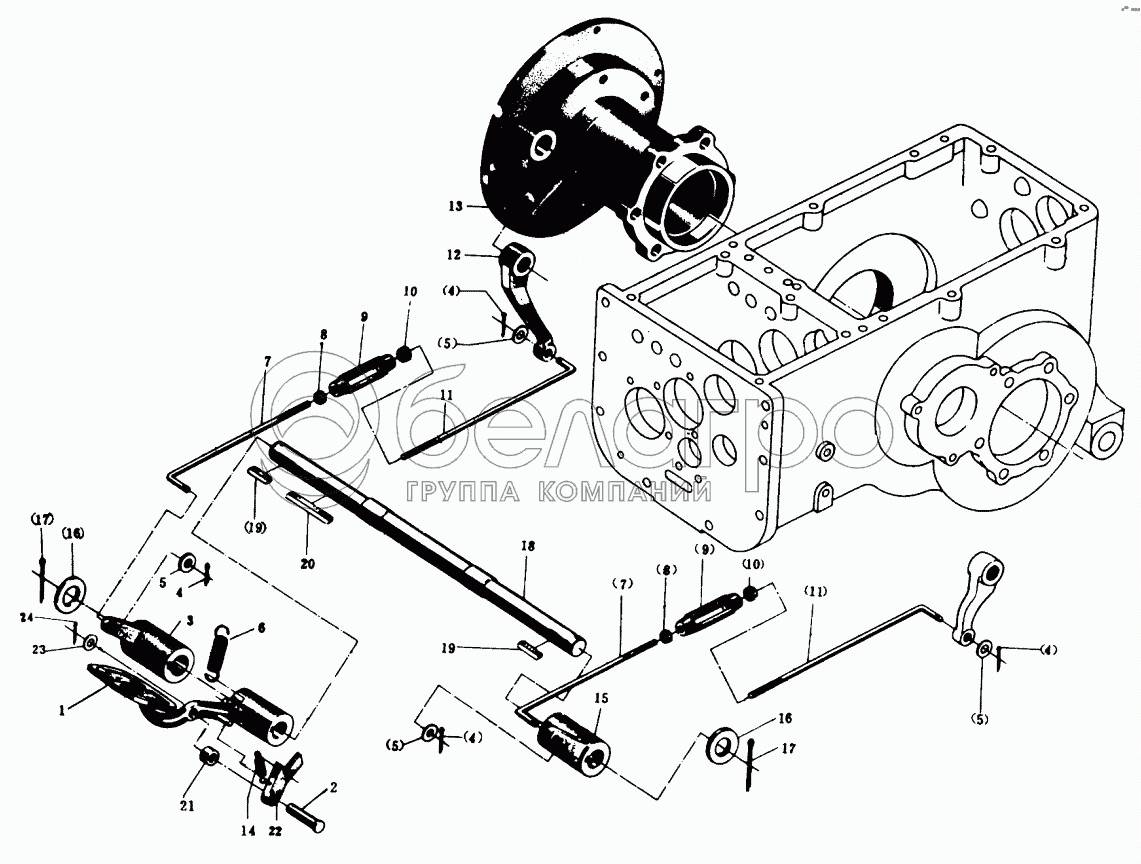
1
2
3
4
4
4
4
5
5
5
5
6
7
7
8
8
9
9
10
10
11
11
12
13
14
15
16
16
17
17
18
19
19
20
21
22
23
24
1
14.43.123
Педаль тормоза
В узле: 1
2
10T.43.124
Палец оттяжной пружины замковой лапы
В узле: 1
3
16.43.113
Рычаг растягивающий правый
В узле: 1
4
GB91-86
Шплинт
В узле: 4
5
GB97.1-85
Шайба
В узле: 4
6
10T.43.114
Пружина педали оттяжная
В узле: 1
7
10T.43.108
Тяга тормозная
В узле: 2
8
GB6170-86
Гайка
В узле: 2
9
10T.43.110
Соединитель
В узле: 2
10
GB6170-86
Гайка
В узле: 2
11
10T.43.109
Тяга
В узле: 2
12
16.43.106
Рычаг правый
В узле: 1
13
16.37.157
Кожух правой полуоси
В узле: 1
14
10T.43.115
Пружина замковой лапы оттяжная
В узле: 1
15
10T.43.112
Рычаг растягивающий левый
В узле: 1
16
GB97.1-85
Шайба
В узле: 2
17
GB91-86
Шплинт
В узле: 2
18
16.43.111
Валик педали
В узле: 1
19
GB1096-79
Шпонка
В узле: 2
20
GB1096-79
Шпонка
В узле: 1
21
10T.43.117-A
Втулка распорная
В узле: 1
22
10T.43.126
Лапа замковая
В узле: 1
23
GB97.1-85
Шайба
В узле: 1
24
GB91-86
Шплинт
В узле: 1
Содержащиеся в справочниках-каталогах запасные части и детали не предлагаются к продаже, а носят исключительно информационный характер

Ваша заявка была отправлена. В ближайшее время наши специалисты с Вами свяжутся по указанному Вами телефону.

Представьтесь
Поле обязательно для заполнения
Ваш телефон
Введите правильный номер телефона
E-mail
Введите правильный e-mail
Тема
Тема
применяемость финансирование доставка цена, наличие другое сервис и гарантия
Время для звонка
08:00
08:00 09:00 10:00 11:00 12:00 13:00 14:00 15:00 16:00 17:00 18:00 19:00
19:00
08:00 09:00 10:00 11:00 12:00 13:00 14:00 15:00 16:00 17:00 18:00 19:00

Мы постараемся перезвонить в указанное время

Если вы не хотите ждать, то звоните нашим вежливым консультантам:

8 800 100-2-700
Подтвердите, что вы не робот
Подтвердите, что вы не робот
Спасибо!

Ваше сообщение успешно отправлено!

ЗакрытьПовторить попытку