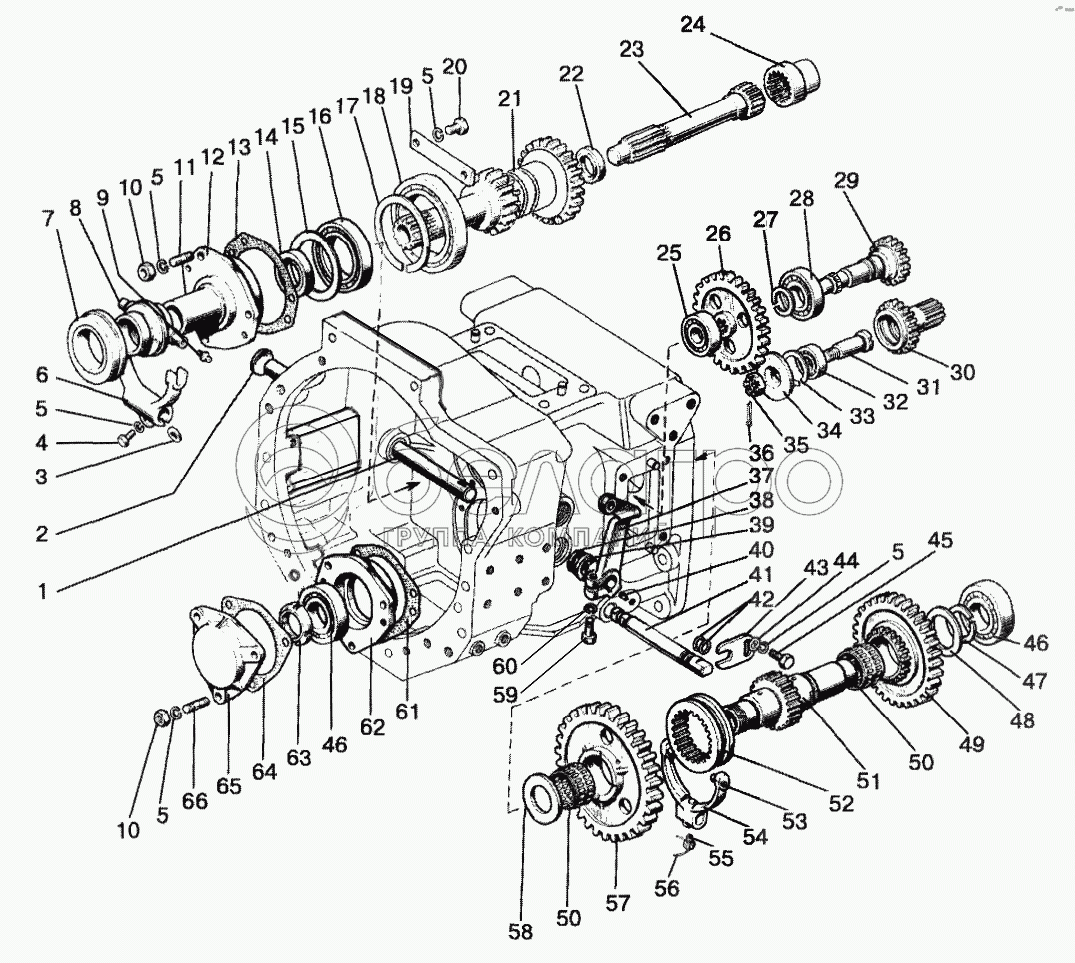
Каталог запасных частей к технике: МТЗ 1025/1025.2/1025.3. Корпус сцепления
1
2
3
4
5
5
5
5
5
6
7
8
9
10
10
11
12
13
14
15
16
17
18
19
20
21
22
23
24
25
26
27
28
29
30
31
32
33
34
35
36
37
38
39
40
41
42
43
44
45
46
46
47
48
49
50
50
51
52
53
54
55
56
57
58
59
60
61
62
63
64
65
66
|
35
70-3003032
Гайка
В узле: 1
|
|||||||||||||||||||||||||||||||||||||||||||||||||||||||||||||||||||||||||||||||||||||||
| 70-3003032 Гайка нижняя МТЗ раздаточной коробки, корончатая, М18х1,5, (А) |
|
>10 шт. | 6.03 р. | ||||||||||||||||||||||||||||||||||||||||||||||||||||||||||||||||||||||||||||||||||||
| 70-3003032 Гайка нижняя МТЗ раздаточной коробки, корончатая, М18х1,5, САЗ* |
|
>10 шт. | 97.87 р. | ||||||||||||||||||||||||||||||||||||||||||||||||||||||||||||||||||||||||||||||||||||
| 70-3003032 Гайка нижняя МТЗ раздаточной коробки, корончатая, М18х1,5, БЗТДиА |
|
<10 шт. | 350.05 р. | ||||||||||||||||||||||||||||||||||||||||||||||||||||||||||||||||||||||||||||||||||||
|
63
80-1701045
Гайка
В узле: 1
|
|||||||||||||||||||||||||||||||||||||||||||||||||||||||||||||||||||||||||||||||||||||||
| 80-1701045 Гайка МТЗ, БЗТДиА |
|
>10 шт. | 989.47 р. | ||||||||||||||||||||||||||||||||||||||||||||||||||||||||||||||||||||||||||||||||||||
|
53
70-1601114
Штифт
В узле: 2
|
|||||||||||||||||||||||||||||||||||||||||||||||||||||||||||||||||||||||||||||||||||||||
| 70-1601114 Штифт МТЗ, САЗ |
|
>10 шт. | 20.26 р. | ||||||||||||||||||||||||||||||||||||||||||||||||||||||||||||||||||||||||||||||||||||
|
23
80-1601113-01
Вал
В узле: 1
|
|||||||||||||||||||||||||||||||||||||||||||||||||||||||||||||||||||||||||||||||||||||||
| 80-1601113-01 Вал МТЗ силовой сцепления*, Беларусь |
|
Под заказ | 2 094.30 р. | ||||||||||||||||||||||||||||||||||||||||||||||||||||||||||||||||||||||||||||||||||||
| 80-1601113-01 Вал МТЗ силовой сцепления* |
|
<10 шт. | 6 046.48 р. | ||||||||||||||||||||||||||||||||||||||||||||||||||||||||||||||||||||||||||||||||||||
| 80-1601113-01 Вал МТЗ силовой сцепления, (А) |
|
<10 шт. | 857.72 р. | ||||||||||||||||||||||||||||||||||||||||||||||||||||||||||||||||||||||||||||||||||||
|
38
80-4608024
Кольцо
В узле: 1
|
|||||||||||||||||||||||||||||||||||||||||||||||||||||||||||||||||||||||||||||||||||||||
| 80-4608024 Кольцо МТЗ 24-6-4-11б, Беларусь |
|
Под заказ | 29.35 р. | ||||||||||||||||||||||||||||||||||||||||||||||||||||||||||||||||||||||||||||||||||||
|
40
СШ-611
Шпонка
В узле: 1
|
|||||||||||||||||||||||||||||||||||||||||||||||||||||||||||||||||||||||||||||||||||||||
| СШ-611 Шпонка МТЗ 6х11, Г8795 |
|
Под заказ | 179.85 р. | ||||||||||||||||||||||||||||||||||||||||||||||||||||||||||||||||||||||||||||||||||||
|
39
36-1601016
Корпус пылеотражателя
В узле: 1
|
|||||||||||||||||||||||||||||||||||||||||||||||||||||||||||||||||||||||||||||||||||||||
| 36-1601016 Корпус МТЗ |
|
Под заказ | 45.07 р. | ||||||||||||||||||||||||||||||||||||||||||||||||||||||||||||||||||||||||||||||||||||
|
3
50-1601218
Шпонка
В узле: 1
|
|||||||||||||||||||||||||||||||||||||||||||||||||||||||||||||||||||||||||||||||||||||||
| 50-1601218 Шпонка МТЗ (шайба), БЗТДиА |
|
Под заказ | 227.60 р. | ||||||||||||||||||||||||||||||||||||||||||||||||||||||||||||||||||||||||||||||||||||
|
2
50-1601022
Заглушка
В узле: 1
|
|||||||||||||||||||||||||||||||||||||||||||||||||||||||||||||||||||||||||||||||||||||||
| 50-1601022 Заглушка МТЗ |
|
<10 шт. | 33.45 р. | ||||||||||||||||||||||||||||||||||||||||||||||||||||||||||||||||||||||||||||||||||||
|
37
80-1601219-Б
Рычаг
В узле: 1
|
|||||||||||||||||||||||||||||||||||||||||||||||||||||||||||||||||||||||||||||||||||||||
| 80-1601219-Б Рычаг МТЗ привода выключения сцепления, САЗ |
|
Под заказ | 543.55 р. | ||||||||||||||||||||||||||||||||||||||||||||||||||||||||||||||||||||||||||||||||||||
|
21
85-1601026
Вал
В узле: 1
|
|||||||||||||||||||||||||||||||||||||||||||||||||||||||||||||||||||||||||||||||||||||||
| 85-1601026 Вал МТЗ ведущий привода ВОМ(230мм) |
|
Под заказ | 12 844.25 р. | ||||||||||||||||||||||||||||||||||||||||||||||||||||||||||||||||||||||||||||||||||||
|
52
112-1701343
Муфта
В узле: 1
|
|||||||||||||||||||||||||||||||||||||||||||||||||||||||||||||||||||||||||||||||||||||||
| 112-1701343 Муфта МТЗ корпуса сцепления z=24 (А) |
|
<10 шт. | Нет на складе | ||||||||||||||||||||||||||||||||||||||||||||||||||||||||||||||||||||||||||||||||||||
| 112-1701343 Муфта МТЗ корпуса сцепления z=24 |
|
Под заказ | 2 405.46 р. | ||||||||||||||||||||||||||||||||||||||||||||||||||||||||||||||||||||||||||||||||||||
|
58
80-1601082
Шайба
В узле: 1
|
|||||||||||||||||||||||||||||||||||||||||||||||||||||||||||||||||||||||||||||||||||||||
| 80-1601082 Шайба МТЗ валов КПП и сцепления |
|
Под заказ | 350.25 р. | ||||||||||||||||||||||||||||||||||||||||||||||||||||||||||||||||||||||||||||||||||||
|
6
85-1601203
Вилка
В узле: 1
|
|||||||||||||||||||||||||||||||||||||||||||||||||||||||||||||||||||||||||||||||||||||||
| 85-1601203 Вилка МТЗ сцепления отводки |
|
Под заказ | 5 110.57 р. | ||||||||||||||||||||||||||||||||||||||||||||||||||||||||||||||||||||||||||||||||||||
|
15
80-1601319
Шайба
В узле: 1
|
|||||||||||||||||||||||||||||||||||||||||||||||||||||||||||||||||||||||||||||||||||||||
| 80-1601319 Шайба МТЗ маслоотражательная |
|
<10 шт. | 73.66 р. | ||||||||||||||||||||||||||||||||||||||||||||||||||||||||||||||||||||||||||||||||||||
|
12
85-1601172
Кронштейн
В узле: 1
|
|||||||||||||||||||||||||||||||||||||||||||||||||||||||||||||||||||||||||||||||||||||||
| 85-1601172 Кронштейн МТЗ, Беларусь |
|
Под заказ | 1 484.04 р. | ||||||||||||||||||||||||||||||||||||||||||||||||||||||||||||||||||||||||||||||||||||
|
1
85-1601215
Вал
В узле: 1
|
|||||||||||||||||||||||||||||||||||||||||||||||||||||||||||||||||||||||||||||||||||||||
| 85-1601215 Вал вилок включения МТЗ |
|
Под заказ | 1 023.48 р. | ||||||||||||||||||||||||||||||||||||||||||||||||||||||||||||||||||||||||||||||||||||
|
26
80-1601357-Б
Шестерня
В узле: 1
|
|||||||||||||||||||||||||||||||||||||||||||||||||||||||||||||||||||||||||||||||||||||||
| 80-1601357-Б Шестерня МТЗ z-32 |
|
Под заказ | 7 869.60 р. | ||||||||||||||||||||||||||||||||||||||||||||||||||||||||||||||||||||||||||||||||||||
|
48
80-1601083
Шайба
В узле: 1
|
|||||||||||||||||||||||||||||||||||||||||||||||||||||||||||||||||||||||||||||||||||||||
| 80-1601083 Шайба МТЗ распорная редуктора привода ВОМ |
|
<10 шт. | 712.38 р. | ||||||||||||||||||||||||||||||||||||||||||||||||||||||||||||||||||||||||||||||||||||
|
62
80-1601041
Стакан
В узле: 1
|
|||||||||||||||||||||||||||||||||||||||||||||||||||||||||||||||||||||||||||||||||||||||
| 80-1601041 Стакан МТЗ подшипников сцепления |
|
Под заказ | 721.25 р. | ||||||||||||||||||||||||||||||||||||||||||||||||||||||||||||||||||||||||||||||||||||
|
65
80-1601089
Крышка
В узле: 1
|
|||||||||||||||||||||||||||||||||||||||||||||||||||||||||||||||||||||||||||||||||||||||
| 80-1601089 Крышка МТЗ, Беларусь |
|
Под заказ | 727.55 р. | ||||||||||||||||||||||||||||||||||||||||||||||||||||||||||||||||||||||||||||||||||||
|
30
80-1601182
Шестерня
В узле: 1
|
|||||||||||||||||||||||||||||||||||||||||||||||||||||||||||||||||||||||||||||||||||||||
| 80-1601182 Шестерня МТЗ сцепления |
|
Под заказ | 5 392.91 р. | ||||||||||||||||||||||||||||||||||||||||||||||||||||||||||||||||||||||||||||||||||||
|
29
80-1601071-Б
Шестерня
В узле: 1
|
|||||||||||||||||||||||||||||||||||||||||||||||||||||||||||||||||||||||||||||||||||||||
| 80-1601071-Б Вал-шестерня МТЗ |
|
Под заказ | 7 057.55 р. | ||||||||||||||||||||||||||||||||||||||||||||||||||||||||||||||||||||||||||||||||||||
|
41
85-1601111
Валик
В узле: 1
|
|||||||||||||||||||||||||||||||||||||||||||||||||||||||||||||||||||||||||||||||||||||||
| 85-1601111 Валик МТЗ |
|
Под заказ | 2 617.85 р. | ||||||||||||||||||||||||||||||||||||||||||||||||||||||||||||||||||||||||||||||||||||
|
34
80-1601356
Шайба упорная
В узле: 1
|
|||||||||||||||||||||||||||||||||||||||||||||||||||||||||||||||||||||||||||||||||||||||
| 80-1601356 Шайба упорная МТЗ шестерни сцепления |
|
Под заказ | 462.73 р. | ||||||||||||||||||||||||||||||||||||||||||||||||||||||||||||||||||||||||||||||||||||
|
55
50-4604046
Болт вилки
В узле: 1
|
|||||||||||||||||||||||||||||||||||||||||||||||||||||||||||||||||||||||||||||||||||||||
| 50-4604046 Болт вилки МТЗ |
|
Под заказ | 129.41 р. | ||||||||||||||||||||||||||||||||||||||||||||||||||||||||||||||||||||||||||||||||||||
|
31
80-1601181
Ось
В узле: 1
|
|||||||||||||||||||||||||||||||||||||||||||||||||||||||||||||||||||||||||||||||||||||||
| 80-1601181 Ось МТЗ |
|
Под заказ | 860.10 р. | ||||||||||||||||||||||||||||||||||||||||||||||||||||||||||||||||||||||||||||||||||||
|
51
80-1601021
Вал
В узле: 1
|
|||||||||||||||||||||||||||||||||||||||||||||||||||||||||||||||||||||||||||||||||||||||
| 80-1601021 Вал МТЗ ведомый, привода ВОМ |
|
Под заказ | 12 442.62 р. | ||||||||||||||||||||||||||||||||||||||||||||||||||||||||||||||||||||||||||||||||||||
|
54
80-1601191
Вилка
В узле: 1
|
|||||||||||||||||||||||||||||||||||||||||||||||||||||||||||||||||||||||||||||||||||||||
| 80-1601191 Вилка сцепления МТЗ |
|
Под заказ | 1 919.85 р. | ||||||||||||||||||||||||||||||||||||||||||||||||||||||||||||||||||||||||||||||||||||
|
43
85-1601099
Пластина
В узле: 1
|
|||||||||||||||||||||||||||||||||||||||||||||||||||||||||||||||||||||||||||||||||||||||
| 85-1601099 Пластина МТЗ |
|
Под заказ | 47.48 р. | ||||||||||||||||||||||||||||||||||||||||||||||||||||||||||||||||||||||||||||||||||||
Содержащиеся в справочниках-каталогах запасные части и детали не предлагаются к продаже, а носят исключительно информационный характер