Каталог запасных частей к технике: МТЗ 1025.5. Гидрораспределитель РП70

zoom-in zoom-out enlarge shrink circle-right circle-left file-text2 info cart arraw right arraw left zoom out zoom in arraw maximize arraw minimize
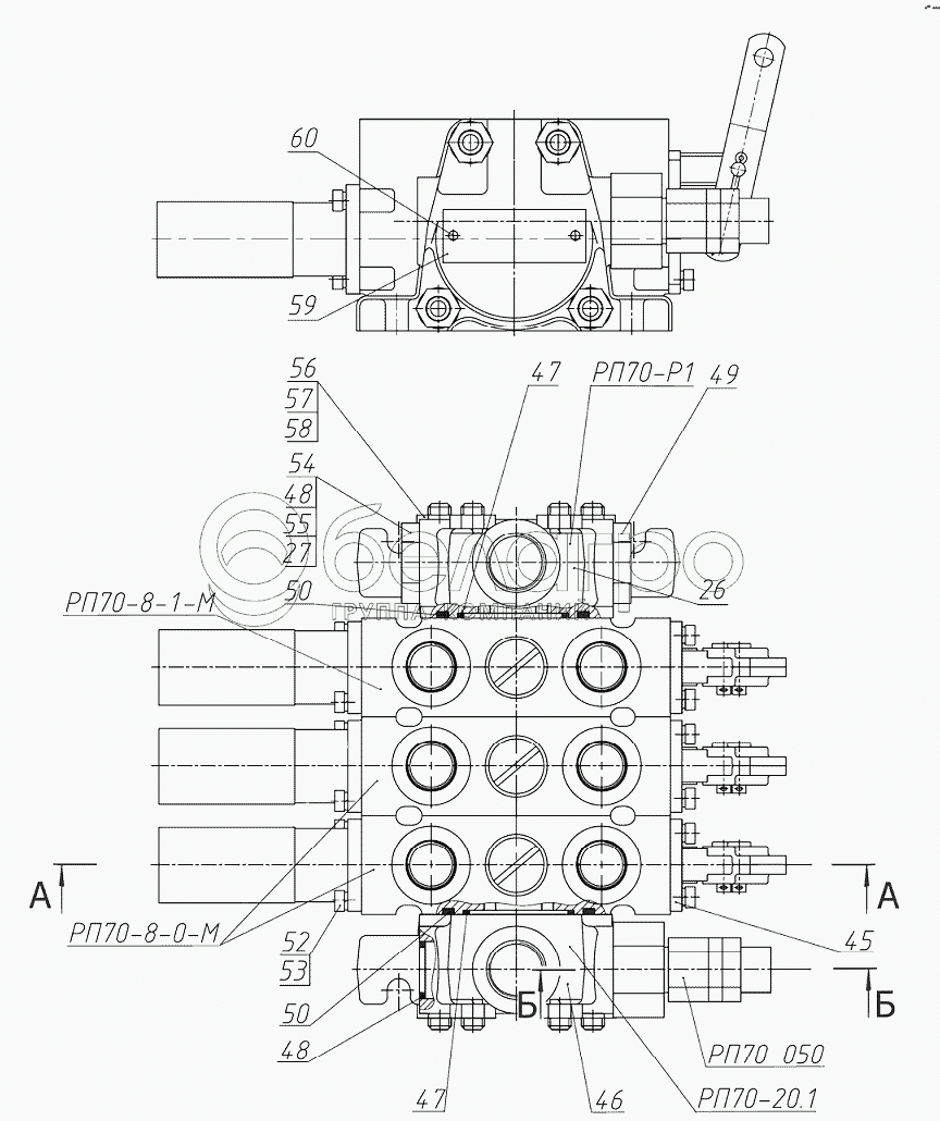
26
27
45
45
46
47
47
48
48
49
50
50
50
52
53
54
55
56
57
58
59
60
13
РП70-042
Планка
В узле: 2
РП70-042 Планка рычага управления распределителем МТЗ, Беларусь <10 шт. 577.04 р.
19
030-034-25-2-2
Кольцо
В узле: 1
030-034-25-2-2 Кольцо уплотнительное, Беларусь Под заказ 14.95 р.
46
РП70-20.1
Крышка
В узле: 1
РП70-20.1 Крышка клапанная МТЗ (для РП70-890), Беларусь Под заказ 5 047.97 р.
46
РП70-012-01
Крышка
В узле: 1
РП70-012-01 крышка гидрораспределителя Под заказ 3 787.95 р.
30
РП70-050
Клапан предохранительный
В узле: 1
РП70-050 РК Клапан предохранительный Под заказ 3 588.35 р.
РП70-8-0-M
Секция распределителя
В узле: 2
РП70-8-1-M
Секция распределителя
В узле: 1
РП70-888-001-MMM-20Р1
Гидрораспределитель
В узле: 1
1
РП70-090
Труба
В узле: 1
1
8ПМ170.027
Труба
В узле: 1
2
РП-70-034
Пружина
В узле: 1
3
РП70-026
Винт
В узле: 1
4
РП70-018-01
Тарелка
В узле: 1
5
БУ-8/1.01.010А-01
Пружина
В узле: 1
6
5,556-100
Шарик
В узле: 3
8
017-020-19-2-4
Кольцо
В узле: 1
9
РП70-024
Пробка
В узле: 1
10
РП70-027
Пружина
В узле: 1
11
РП70-023
Затвор
В узле: 1
12
РП70-031
Кольцо
В узле: 1
14
Палец6х22
Палец
В узле: 2
15
2х50.019DINENISO1234:98
Шплинт
В узле: 3
16
РП70-032
Кольцо
В узле: 1
17
РП70-011
Корпус секции распределителя
В узле: 1
18
РП70-013
Золотник
В узле: 1
20
9,525-100
Шарик
В узле: 1
21
РП70-014
Обойма
В узле: 1
21
РП70-014-02
Обойма
В узле: 1
22
016-020-25-2-2
Кольцо
В узле: 1
23
009-012-19-1-4
Кольцо
В узле: 1
24
РП70-016
Футорка
В узле: 1
25
РП70-018
Тарелка
В узле: 1
26
РП70-Р1
Крышка
В узле: 1
26
РП70-012
Крышка
В узле: 1
27
018-021-19-2-4
Кольцо
В узле: 2
55
РП70-058
Кольцо
В узле: 1
29
70-4609037
Пружина
В узле: 1
30
РП70-052-Б
Клапан
В узле: 1
31
РП70-054
Седло
В узле: 1
32
РП70-051
Корпус
В узле: 1
33
016-020-25-2-4
Кольцо
В узле: 1
34
МКПВ-16/3Ф-103
Пружина
В узле: 1
35
РП70-059
Винт
В узле: 1
36
РП70-053
Штуцер
В узле: 1
37
РП70-076
Гайка
В узле: 1
38
РП70-057
Колпачок
В узле: 1
39
С6.01.019
Шайба
В узле: 1
40
013-016-19-2-2
Кольцо
В узле: 3
41
РП70-058-02
Кольцо
В узле: 1
42
МКПВ-16/3Ф-101
Игла
В узле: 1
43
028-032-25-2-2
Кольцо
В узле: 1
44
РП70-058-01
Кольцо
В узле: 1
45
РП70-070
Кронштейн
В узле: 1
45
РП70-074
Кронштейн
В узле: 1
47
036-040-25-2-2
Кольцо
В узле: 2
48
ШайбаРМ24
Шайба
В узле: 2
49
РП70-036
Пробка
В узле: 1
50
060-066-36-2-2
Кольцо
В узле: 2
50
60,00-3,50SIMRIT72NBR872
Кольцо
В узле: 2
51
РС70-036
Упор
В узле: 1
52
В.М6-6gх12.58.019
Винт
В узле: 4
53
Шайба
В узле: 4
54
РП70-080
Заглушка
В узле: 1
54
РП70-081
Заглушка
В узле: 1
56
РП70-037-02
Шпилька
В узле: 4
57
М10-6Н.6.019
Гайка
В узле: 8
58
10.ОТ
Шайба
В узле: 8
59
РП70-038
Табличка фирменная
В узле: 1
60
2х6.01.10кп.05
Заклепка
В узле: 2
61
021-025-25-1-4
Кольцо
В узле: 1
Содержащиеся в справочниках-каталогах запасные части и детали не предлагаются к продаже, а носят исключительно информационный характер

Ваша заявка была отправлена. В ближайшее время наши специалисты с Вами свяжутся по указанному Вами телефону.

Представьтесь
Поле обязательно для заполнения
Ваш телефон
Введите правильный номер телефона
E-mail
Введите правильный e-mail
Тема
Тема
применяемость финансирование доставка цена, наличие другое сервис и гарантия
Время для звонка
08:00
08:00 09:00 10:00 11:00 12:00 13:00 14:00 15:00 16:00 17:00 18:00 19:00
19:00
08:00 09:00 10:00 11:00 12:00 13:00 14:00 15:00 16:00 17:00 18:00 19:00

Мы постараемся перезвонить в указанное время

Если вы не хотите ждать, то звоните нашим вежливым консультантам:

8 800 100-2-700
Подтвердите, что вы не робот
Подтвердите, что вы не робот
Спасибо!

Ваше сообщение успешно отправлено!

ЗакрытьПовторить попытку