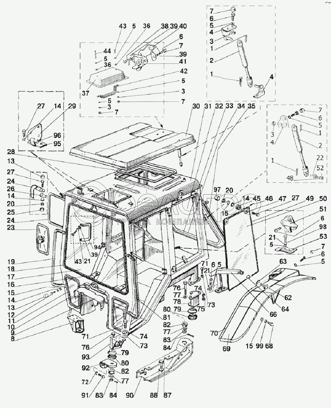
Каталог запасных частей к технике: МТЗ 1220. Кабина трактора
1
1
1
1
2
2
3
3
3
3
4
4
4
5
5
5
5
5
5
5
5
5
6
6
6
6
6
6
7
7
7
7
7
7
8
9
10
10
11
11
12
13
13
14
14
14
14
15
15
15
16
17
17
18
19
20
20
21
21
21
22
23
24
24
25
26
27
27
27
28
29
30
30
31
32
32
33
34
35
36
36
37
38
39
39
39
40
41
42
43
43
44
45
46
47
48
49
50
50
51
52
53
62
63
64
66
68
69
69
69
69
69
69
70
71
71
72
73
73
74
74
75
76
76
77
77
77
78
78
79
79
80
80
81
82
82
83
83
84
84
87
87
88
90
90
90
91
92
93
94
95
96
97
98
99
|
62
80-6708975
Винт
В узле: 2
|
|||||||||||||||||||||||||||||||||||||||||||||||||||||||||||||||||||||||||||||||||||||||
| 80-6708975 Винт МТЗ, Беларусь |
|
>10 шт. | 62.83 р. | ||||||||||||||||||||||||||||||||||||||||||||||||||||||||||||||||||||||||||||||||||||
|
13
А30.04.017-01
Колпачок
В узле: 4
|
|||||||||||||||||||||||||||||||||||||||||||||||||||||||||||||||||||||||||||||||||||||||
| А30.04.017-01 Колпачок МТЗ, Беларусь |
|
>10 шт. | 4.53 р. | ||||||||||||||||||||||||||||||||||||||||||||||||||||||||||||||||||||||||||||||||||||
|
17
80-6703011-А
Стекло
В узле: 1
|
|||||||||||||||||||||||||||||||||||||||||||||||||||||||||||||||||||||||||||||||||||||||
| 80-6703011-А (80-6700011-01) Стекло МТЗ переднее 1267х921 УК кабина (лобовое), 5мм, Беларусь |
|
>10 шт. | 1 814.36 р. | ||||||||||||||||||||||||||||||||||||||||||||||||||||||||||||||||||||||||||||||||||||
|
32
80-6708211-А
Стекло
В узле: 1
|
|||||||||||||||||||||||||||||||||||||||||||||||||||||||||||||||||||||||||||||||||||||||
| 80-6708211-А (80-6700011) Стекло МТЗ заднее 1213,5х841 5 мм УК кабина |
|
>10 шт. | 1 612.86 р. | ||||||||||||||||||||||||||||||||||||||||||||||||||||||||||||||||||||||||||||||||||||
|
47
80-6708902
Петля
В узле: 4
|
|||||||||||||||||||||||||||||||||||||||||||||||||||||||||||||||||||||||||||||||||||||||
| 80-6708902 Петля МТЗ (80-6708972), ВЗТЗЧ |
|
>10 шт. | 352.24 р. | ||||||||||||||||||||||||||||||||||||||||||||||||||||||||||||||||||||||||||||||||||||
|
45
80-6708903
Втулка
В узле: 4
|
|||||||||||||||||||||||||||||||||||||||||||||||||||||||||||||||||||||||||||||||||||||||
| 80-6708903 Втулка МТЗ стекла бокового, Беларусь |
|
Под заказ | 9.08 р. | ||||||||||||||||||||||||||||||||||||||||||||||||||||||||||||||||||||||||||||||||||||
|
50
1221-6708901-А
Стекло
В узле: 2
|
|||||||||||||||||||||||||||||||||||||||||||||||||||||||||||||||||||||||||||||||||||||||
| 1221-6708901-А Стекло боковое МТЗ 780х869, 5мм, 3 отверстия, Беларусь |
|
>10 шт. | 1 188.24 р. | ||||||||||||||||||||||||||||||||||||||||||||||||||||||||||||||||||||||||||||||||||||
|
79
80-6700163
Обойма
В узле: 4
|
|||||||||||||||||||||||||||||||||||||||||||||||||||||||||||||||||||||||||||||||||||||||
| 80-6700163 Обойма МТЗ виброизолятора |
|
Под заказ | 210.32 р. | ||||||||||||||||||||||||||||||||||||||||||||||||||||||||||||||||||||||||||||||||||||
|
7
А30.04.017
Колпачок
В узле: 8
|
|||||||||||||||||||||||||||||||||||||||||||||||||||||||||||||||||||||||||||||||||||||||
| А30.04.017 Колпачок |
|
Под заказ | 4.53 р. | ||||||||||||||||||||||||||||||||||||||||||||||||||||||||||||||||||||||||||||||||||||
|
76
80-6700029
Болт
В узле: 4
|
|||||||||||||||||||||||||||||||||||||||||||||||||||||||||||||||||||||||||||||||||||||||
| 80-6700029 Болт МТЗ крепления виброизолятора кабины |
|
Под заказ | 279.43 р. | ||||||||||||||||||||||||||||||||||||||||||||||||||||||||||||||||||||||||||||||||||||
|
10
80-6703012-А
Стекло
В узле: 2
|
|||||||||||||||||||||||||||||||||||||||||||||||||||||||||||||||||||||||||||||||||||||||
| 80-6703012-А (80-6700011-04) Стекло МТЗ нижнее 432х292 УК кабина, 5мм Беларусь |
|
Под заказ | 205.70 р. | ||||||||||||||||||||||||||||||||||||||||||||||||||||||||||||||||||||||||||||||||||||
|
23
80-8201050
Зеркало наружное
В узле: 2
|
|||||||||||||||||||||||||||||||||||||||||||||||||||||||||||||||||||||||||||||||||||||||
| 80-8201050 Зеркало наружное МТЗ, (мет.300х200мм) Беларусь |
|
Под заказ | 785.03 р. | ||||||||||||||||||||||||||||||||||||||||||||||||||||||||||||||||||||||||||||||||||||
| 80-8201050 Зеркало наружное МТЗ (LL-278) (А) 44х21см |
|
Под заказ | 551.65 р. | ||||||||||||||||||||||||||||||||||||||||||||||||||||||||||||||||||||||||||||||||||||
|
97
А30.04.017-02
Колпачок
В узле: 4
|
|||||||||||||||||||||||||||||||||||||||||||||||||||||||||||||||||||||||||||||||||||||||
| А30.04.017-02 Колпачок МТЗ, Беларусь |
|
Под заказ | 2.84 р. | ||||||||||||||||||||||||||||||||||||||||||||||||||||||||||||||||||||||||||||||||||||
|
51
А37.05.025
Фиксатор
В узле: 1
|
|||||||||||||||||||||||||||||||||||||||||||||||||||||||||||||||||||||||||||||||||||||||
| А37.05.025 Фиксатор МТЗ окна кабины |
|
Под заказ | 1 025.76 р. | ||||||||||||||||||||||||||||||||||||||||||||||||||||||||||||||||||||||||||||||||||||
|
95
80-6707013
Петля
В узле: 2
|
|||||||||||||||||||||||||||||||||||||||||||||||||||||||||||||||||||||||||||||||||||||||
| 80-6707013 Петля МТЗ, ВЗТЗЧ |
|
<10 шт. | 401.79 р. | ||||||||||||||||||||||||||||||||||||||||||||||||||||||||||||||||||||||||||||||||||||
|
29
80-6707010-Б
Петля
В узле: 2
|
|||||||||||||||||||||||||||||||||||||||||||||||||||||||||||||||||||||||||||||||||||||||
| 80-6707010-Б Петля МТЗ крыши, Беларусь |
|
<10 шт. | 182.52 р. | ||||||||||||||||||||||||||||||||||||||||||||||||||||||||||||||||||||||||||||||||||||
|
80-6708210
Рамка в сборе
В узле: 1
|
|||||||||||||||||||||||||||||||||||||||||||||||||||||||||||||||||||||||||||||||||||||||
| 80-6708210 Рамка задняя МТЗ в сборе |
|
<10 шт. | 14 395.15 р. | ||||||||||||||||||||||||||||||||||||||||||||||||||||||||||||||||||||||||||||||||||||
|
80
80-6700160
Виброизолятор
В узле: 4
|
|||||||||||||||||||||||||||||||||||||||||||||||||||||||||||||||||||||||||||||||||||||||
| 80-6700160 Виброизолятор кабины МТЗ |
|
Под заказ | 164.93 р. | ||||||||||||||||||||||||||||||||||||||||||||||||||||||||||||||||||||||||||||||||||||
|
41
А37.09.010
Защелка
В узле: 1
|
|||||||||||||||||||||||||||||||||||||||||||||||||||||||||||||||||||||||||||||||||||||||
| А37.09.010 Защелка МТЗ крыши, Беларусь |
|
Под заказ | 308.78 р. | ||||||||||||||||||||||||||||||||||||||||||||||||||||||||||||||||||||||||||||||||||||
|
63
80-6708904
Прокладка
В узле: 2
|
|||||||||||||||||||||||||||||||||||||||||||||||||||||||||||||||||||||||||||||||||||||||
| 80-6708904 Прокладка |
|
<10 шт. | 2.54 р. | ||||||||||||||||||||||||||||||||||||||||||||||||||||||||||||||||||||||||||||||||||||
|
33
80-6708215
Рамка
В узле: 1
|
|||||||||||||||||||||||||||||||||||||||||||||||||||||||||||||||||||||||||||||||||||||||
| 80-6708215 Рамка задняя МТЗ без стекла |
|
Под заказ | 5 852.05 р. | ||||||||||||||||||||||||||||||||||||||||||||||||||||||||||||||||||||||||||||||||||||
|
96
70-6708189
Ось
В узле: 2
|
|||||||||||||||||||||||||||||||||||||||||||||||||||||||||||||||||||||||||||||||||||||||
| 70-6708189-01 Ось МТЗ петель дверей кабины, сиденья |
|
Под заказ | 134.22 р. | ||||||||||||||||||||||||||||||||||||||||||||||||||||||||||||||||||||||||||||||||||||
|
4
80-6708225
Кронштейн
В узле: 6
|
|||||||||||||||||||||||||||||||||||||||||||||||||||||||||||||||||||||||||||||||||||||||
| 80-6708225 Кронштейн МТЗ поручня кабины, Беларусь |
|
Под заказ | 206.47 р. | ||||||||||||||||||||||||||||||||||||||||||||||||||||||||||||||||||||||||||||||||||||
|
42
80-6707080
Поручень
В узле: 1
|
|||||||||||||||||||||||||||||||||||||||||||||||||||||||||||||||||||||||||||||||||||||||
| 80-6707080 Поручень МТЗ |
|
<10 шт. | 529.69 р. | ||||||||||||||||||||||||||||||||||||||||||||||||||||||||||||||||||||||||||||||||||||
|
81
80-6703112-А
Поручень правый
В узле: 1
|
|||||||||||||||||||||||||||||||||||||||||||||||||||||||||||||||||||||||||||||||||||||||
| 80-6703112-А Поручень МТЗ |
|
Под заказ | 778.73 р. | ||||||||||||||||||||||||||||||||||||||||||||||||||||||||||||||||||||||||||||||||||||
|
9
85-6703056
Вставка
В узле: 1
|
|||||||||||||||||||||||||||||||||||||||||||||||||||||||||||||||||||||||||||||||||||||||
| 85-6703056 Вставка МТЗ |
|
Под заказ | 998.01 р. | ||||||||||||||||||||||||||||||||||||||||||||||||||||||||||||||||||||||||||||||||||||
|
8
80-6700031-Б-01
Кронштейн правый
В узле: 1
|
|||||||||||||||||||||||||||||||||||||||||||||||||||||||||||||||||||||||||||||||||||||||
| 80-6700031-Б-01 Кронштейн МТЗ передняя опора кабины, правый, БЗТДиА |
|
Под заказ | 2 428.69 р. | ||||||||||||||||||||||||||||||||||||||||||||||||||||||||||||||||||||||||||||||||||||
|
37
80-6707082
Облицовка
В узле: 1
|
|||||||||||||||||||||||||||||||||||||||||||||||||||||||||||||||||||||||||||||||||||||||
| 80-6707082 Облицовка |
|
Под заказ | 191.44 р. | ||||||||||||||||||||||||||||||||||||||||||||||||||||||||||||||||||||||||||||||||||||
|
24
80-8201106-Б
Труба
В узле: 2
|
|||||||||||||||||||||||||||||||||||||||||||||||||||||||||||||||||||||||||||||||||||||||
| 80-8201106-Б Труба МТЗ |
|
Под заказ | 970.88 р. | ||||||||||||||||||||||||||||||||||||||||||||||||||||||||||||||||||||||||||||||||||||
|
93
80-6700031-Б
Кронштейн
В узле: 1
|
|||||||||||||||||||||||||||||||||||||||||||||||||||||||||||||||||||||||||||||||||||||||
| 80-6700031-Б Кронштейн МТЗ передняя опора кабины, левый, БЗТДиА |
|
Под заказ | 2 428.69 р. | ||||||||||||||||||||||||||||||||||||||||||||||||||||||||||||||||||||||||||||||||||||
|
92
85-6702068
Кронштейн
В узле: 2
|
|||||||||||||||||||||||||||||||||||||||||||||||||||||||||||||||||||||||||||||||||||||||
| 85-6702068 Кронштейн МТЗ левый , 3 отв. , ВЗТЗЧ |
|
Под заказ | 917.66 р. | ||||||||||||||||||||||||||||||||||||||||||||||||||||||||||||||||||||||||||||||||||||
|
80-6708900-01
Стекло в сборе
В узле: 2
|
|||||||||||||||||||||||||||||||||||||||||||||||||||||||||||||||||||||||||||||||||||||||
| 80-6708900-01 Стекло боковое МТЗ в сборе (868х779 мм, 3 отверстия) |
|
Под заказ | 9 060.07 р. | ||||||||||||||||||||||||||||||||||||||||||||||||||||||||||||||||||||||||||||||||||||
|
94
80-6708209
Ручка
В узле: 1
|
|||||||||||||||||||||||||||||||||||||||||||||||||||||||||||||||||||||||||||||||||||||||
| 80-6708209 Ручка |
|
Под заказ | 476.12 р. | ||||||||||||||||||||||||||||||||||||||||||||||||||||||||||||||||||||||||||||||||||||
Содержащиеся в справочниках-каталогах запасные части и детали не предлагаются к продаже, а носят исключительно информационный характер