Каталог запасных частей к технике: МТЗ 1220. Конечная передача (смазка)
1
1
2
3
3
3
4
4
5
6
7
8
9
10
11
|
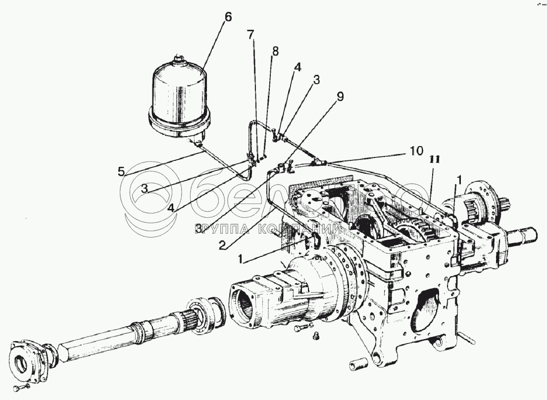
6
80-1737110
Фильтр-распределитель в сборе
В узле: 1
|
|||||||||||||||||||||||||||||||||||||||||||||||||||||||||||||||||||||||||||||||||||||||
| 80-1737110 Фильтр-распределитель МТЗ центробежный, Беларусь |
|
<10 шт. | 11 860.60 р. | ||||||||||||||||||||||||||||||||||||||||||||||||||||||||||||||||||||||||||||||||||||
|
11
1522-2407320
Маслопровод
В узле: 1
|
|||||||||||||||||||||||||||||||||||||||||||||||||||||||||||||||||||||||||||||||||||||||
| 1522-2407320 Маслопровод МТЗ конечной передачи заднего моста (смазка) |
|
Под заказ | 837.86 р. | ||||||||||||||||||||||||||||||||||||||||||||||||||||||||||||||||||||||||||||||||||||
|
5
1522-2407310
Маслопровод
В узле: 1
|
|||||||||||||||||||||||||||||||||||||||||||||||||||||||||||||||||||||||||||||||||||||||
| 1522-2407310 Маслопровод МТЗ |
|
Под заказ | 975.78 р. | ||||||||||||||||||||||||||||||||||||||||||||||||||||||||||||||||||||||||||||||||||||
|
1
86-1802088
Угольник
В узле: 2
|
|||||||||||||||||||||||||||||||||||||||||||||||||||||||||||||||||||||||||||||||||||||||
| 86-1802088 Угольник МТЗ |
|
Под заказ | 547.35 р. | ||||||||||||||||||||||||||||||||||||||||||||||||||||||||||||||||||||||||||||||||||||
|
10
1221-2407288-02
Тройник
В узле: 1
|
|||||||||||||||||||||||||||||||||||||||||||||||||||||||||||||||||||||||||||||||||||||||
| 1221-2407288-02 Тройник МТЗ системы смазки конечной передачи моста заднего |
|
Под заказ | 978.71 р. | ||||||||||||||||||||||||||||||||||||||||||||||||||||||||||||||||||||||||||||||||||||
|
3
1522-2407317
Трубка
В узле: 3
|
|||||||||||||||||||||||||||||||||||||||||||||||||||||||||||||||||||||||||||||||||||||||
| 1522-2407317 Трубка МТЗ системы смазки конечной передачи |
|
Под заказ | 183.71 р. | ||||||||||||||||||||||||||||||||||||||||||||||||||||||||||||||||||||||||||||||||||||
Содержащиеся в справочниках-каталогах запасные части и детали не предлагаются к продаже, а носят исключительно информационный характер