Каталог запасных частей к технике: МТЗ 1220. Коробка передач 112-1700010-А (16F+8R)

zoom-in zoom-out enlarge shrink circle-right circle-left file-text2 info cart arraw right arraw left zoom out zoom in arraw maximize arraw minimize
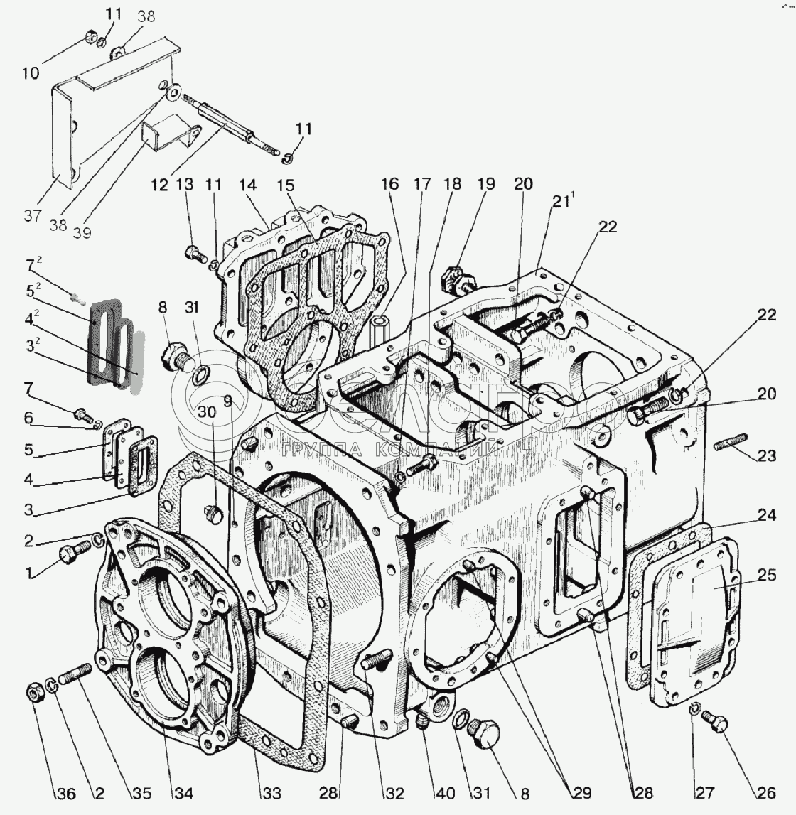
1
2
2
3
3
3
4
4
4
5
5
5
6
7
7
7
8
8
9
10
11
11
11
12
13
14
15
16
17
18
19
20
20
21
22
22
23
24
25
26
27
28
28
29
30
31
31
32
33
34
35
36
37
38
38
39
40
24
50-1701456-А
Прокладка
В узле: 1
50-1701456-А Прокладка МТЗ левого лючка корпуса КПП (под ГХУ), Беларусь >10 шт. 26.13 р.
28
Д01-015
Штифт установочный
В узле: 4
Д01-015 Штифт МТЗ корпуса сцепления установочный, САЗ >10 шт. 41.53 р.
18
70-4605036
Болт
В узле: 4
70-4605036 болт Под заказ 231.36 р.
15
80-1701399-Б
Прокладка
В узле: 1
80-1701399-Б Прокладка МТЗ боковой крышки КПП (паронит), РФ Под заказ 44.54 р.
19
50-1002318-Б
Рым
В узле: 2
50-1002318-Б Рым-болт Под заказ 493.93 р.
8
80-4608021
Заглушка
В узле: 2
80-4608021 Пробка МТЗ (заглушка), БЗТДиА Под заказ 228.68 р.
16
1221-1737099
Штуцер
В узле: 1
1221-1737099 Штуцер МТЗ <10 шт. 945.72 р.
112-1700010-А-10
Коробка передач
В узле: ---
112-1700010-А-10 Коробка передач МТЗ КПП без возм. уст-ки ходоум.(нет шестерни привода) Под заказ 779 465.72 р.
33
80-1701026
Прокладка
В узле: 1
80-1701026 Прокладка МТЗ КПП Под заказ 110.51 р.
12
1221-1802094
Шпилька
В узле: 3
1221-1802094 Шпилька МТЗ щитка коробки передач Под заказ 533.54 р.
34
80-1701034-01
Стакан
В узле: 1
80-1701034-01 Стакан МТЗ Под заказ 12 407.99 р.
112-1700010-А-11
Коробка передач
В узле: ---
112-1700010-А-04
Коробка передач
В узле: ---
112-1700010-А-02
Коробка передач
В узле: ---
1
М16-6gx45.88.35.019
Болт
В узле: 3
2
Шайба16.ОТ
Шайба
В узле: 4
3
85-4608086-A
Прокладка
В узле: 1
3
85-4608086-Б
Уплотнитель
В узле: 1
4
85-4608087
Указатель
В узле: 1
4
85-4608087-Б
Указатель
В узле: 1
5
85-4608088
Пластина
В узле: 1
5
85-4608088-Б
Корпус
В узле: 1
6
Шайба6Т
Шайба
В узле: 6
7
М6х20
Винт
В узле: 6
7
М6-6gx16.88.35.019
Болт
В узле: 6
9
10,0-60
Шарик ГОСТ 3722-81
В узле: 1
10
М10-6Н.6.019
Гайка
В узле: 3
11
Шайба10.ОТ
Шайба
В узле: 12
13
М10-6gх35.88.35.019
Болт
В узле: 6
14
1221-1802016
Крышка
В узле: 1
17
Шайба20.ОТ
Шайба
В узле: 4
20
М18-6gх55.88.35.019
Болт
В узле: 8
21
80-1701025-А
Корпус
В узле: 1
22
18.ОТ
Шайба
В узле: 8
23
112-1701524
Шпилька
В узле: 2
25
70-1701454-А2-01
Крышка
В узле: 1
26
М12-6gх30.88.35.019
Болт
В узле: 7
27
Шайба12.ОТ
Шайба
В узле: 7
29
ШЦК10х25
Штифт
В узле: 2
30
ПрибкаКГ1/8
Пробка
В узле: 1
31
027-032-30-1-4
Кольцо
В узле: 2
32
80-1701252
Вал
В узле: 1
35
80-1701204
Шпилька
В узле: 1
36
М16-6Н.6.019
Гайка
В узле: 1
37
1221-1802093
Щиток
В узле: 1
38
С10.01.019
Шайба
В узле: 6
39
1221-1802089-А
Скоба
В узле: 1
40
ПККГ3/8
Пробка
В узле: 1
Содержащиеся в справочниках-каталогах запасные части и детали не предлагаются к продаже, а носят исключительно информационный характер

Ваша заявка была отправлена. В ближайшее время наши специалисты с Вами свяжутся по указанному Вами телефону.

Представьтесь
Поле обязательно для заполнения
Ваш телефон
Введите правильный номер телефона
E-mail
Введите правильный e-mail
Тема
Тема
применяемость финансирование доставка цена, наличие другое сервис и гарантия
Время для звонка
08:00
08:00 09:00 10:00 11:00 12:00 13:00 14:00 15:00 16:00 17:00 18:00 19:00
19:00
08:00 09:00 10:00 11:00 12:00 13:00 14:00 15:00 16:00 17:00 18:00 19:00

Мы постараемся перезвонить в указанное время

Если вы не хотите ждать, то звоните нашим вежливым консультантам:

8 800 100-2-700
Подтвердите, что вы не робот
Подтвердите, что вы не робот
Спасибо!

Ваше сообщение успешно отправлено!

ЗакрытьПовторить попытку