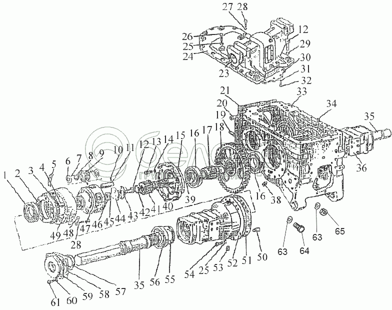
Каталог запасных частей к технике: МТЗ 1523.5. Корпус заднего моста. Конечная передача
Редуктор конечной передачи переднего ведущего моста (1222-2300020-05)
Дифференциал. Стакан подшипников.
1221-2407540
1523М-2401010
1522-2401030
1221-2407030
1522-2407500-03
1221-2407535-А1
1221-2407130
1522-2407500-02
1
2
3
4
5
6
7
8
9
10
11
12
12
13
14
15
16
16
17
18
19
20
21
23
24
25
25
26
27
28
28
29
30
31
32
33
34
35
35
36
38
39
40
41
42
43
44
45
46
47
48
49
50
51
52
53
54
55
56
57
58
59
60
61
63
63
64
65
|
12
70-4605036
Болт
В узле: 4
|
|||||||||||||||||||||||||||||||||||||||||||||||||||||||||||||||||||||||||||||||||||||||
| 70-4605036 болт |
|
<10 шт. | 231.36 р. | ||||||||||||||||||||||||||||||||||||||||||||||||||||||||||||||||||||||||||||||||||||
|
34
Д01-015
Штифт установочный
В узле: 2
|
|||||||||||||||||||||||||||||||||||||||||||||||||||||||||||||||||||||||||||||||||||||||
| Д01-015 Штифт МТЗ корпуса сцепления установочный, САЗ |
|
Под заказ | 41.53 р. | ||||||||||||||||||||||||||||||||||||||||||||||||||||||||||||||||||||||||||||||||||||
|
51
1221-2407552
Прокладка
В узле: 2
|
|||||||||||||||||||||||||||||||||||||||||||||||||||||||||||||||||||||||||||||||||||||||
| 1221-2407552 Прокладка МТЗ |
|
>10 шт. | 131.82 р. | ||||||||||||||||||||||||||||||||||||||||||||||||||||||||||||||||||||||||||||||||||||
|
19
50-4605027
Штифт
В узле: 1
|
|||||||||||||||||||||||||||||||||||||||||||||||||||||||||||||||||||||||||||||||||||||||
| 50-4605027 Штифт МТЗ, БЗТДиА |
|
Под заказ | 242.77 р. | ||||||||||||||||||||||||||||||||||||||||||||||||||||||||||||||||||||||||||||||||||||
|
28
1221-2407505
Болт
В узле: 24
|
|||||||||||||||||||||||||||||||||||||||||||||||||||||||||||||||||||||||||||||||||||||||
| 1221-2407505 Болт МТЗ |
|
Под заказ | 595.80 р. | ||||||||||||||||||||||||||||||||||||||||||||||||||||||||||||||||||||||||||||||||||||
|
6
1221-2407538
Шайба сателлита
В узле: 16
|
|||||||||||||||||||||||||||||||||||||||||||||||||||||||||||||||||||||||||||||||||||||||
| 1221-2407538 Шайба МТЗ сателлита |
|
<10 шт. | 176.86 р. | ||||||||||||||||||||||||||||||||||||||||||||||||||||||||||||||||||||||||||||||||||||
|
39
1221-2407541
Вал
В узле: 2
|
|||||||||||||||||||||||||||||||||||||||||||||||||||||||||||||||||||||||||||||||||||||||
| 1221-2407541 Вал МТЗ моста заднего, ведущий SPILE |
|
Под заказ | 1 428.72 р. | ||||||||||||||||||||||||||||||||||||||||||||||||||||||||||||||||||||||||||||||||||||
| 1221-2407541 Вал МТЗ моста заднего, ведущий |
|
<10 шт. | 7 888.90 р. | ||||||||||||||||||||||||||||||||||||||||||||||||||||||||||||||||||||||||||||||||||||
|
1221-2407535-А1
Водило
В узле: 2
|
|||||||||||||||||||||||||||||||||||||||||||||||||||||||||||||||||||||||||||||||||||||||
| 1221-2407535-А1 Водило МТЗ моста заднего, в сборе |
|
<10 шт. | 50 894.33 р. | ||||||||||||||||||||||||||||||||||||||||||||||||||||||||||||||||||||||||||||||||||||
|
5
1221-2407503-А
Пластина
В узле: 4
|
|||||||||||||||||||||||||||||||||||||||||||||||||||||||||||||||||||||||||||||||||||||||
| 1221-2407503-А Пластина шестерни МТЗ ведомой передачи конечной моста заднего |
|
Под заказ | 360.57 р. | ||||||||||||||||||||||||||||||||||||||||||||||||||||||||||||||||||||||||||||||||||||
|
8
1221-2407539
Шайба распорная
В узле: 8
|
|||||||||||||||||||||||||||||||||||||||||||||||||||||||||||||||||||||||||||||||||||||||
| 1221-2407539 Шайба МТЗ сателлита распорная |
|
<10 шт. | 260.56 р. | ||||||||||||||||||||||||||||||||||||||||||||||||||||||||||||||||||||||||||||||||||||
|
35
1221-2407082
Полуось
В узле: 2
|
|||||||||||||||||||||||||||||||||||||||||||||||||||||||||||||||||||||||||||||||||||||||
| 1221-2407082 Полуось МТЗ моста заднего |
|
Под заказ | 21 578.53 р. | ||||||||||||||||||||||||||||||||||||||||||||||||||||||||||||||||||||||||||||||||||||
|
17
1221-2407123
Втулка
В узле: 2
|
|||||||||||||||||||||||||||||||||||||||||||||||||||||||||||||||||||||||||||||||||||||||
| 1221-2407123 Втулка МТЗ шестерни ведомой моста заднего |
|
Под заказ | 9 464.31 р. | ||||||||||||||||||||||||||||||||||||||||||||||||||||||||||||||||||||||||||||||||||||
|
43
1221-2407507
Шайба
В узле: 2
|
|||||||||||||||||||||||||||||||||||||||||||||||||||||||||||||||||||||||||||||||||||||||
| 1221-2407507 Шайба МТЗ |
|
Под заказ | 137.36 р. | ||||||||||||||||||||||||||||||||||||||||||||||||||||||||||||||||||||||||||||||||||||
|
1522-2407500-03
Конечная передача правая
В узле: 1
|
|||||||||||||||||||||||||||||||||||||||||||||||||||||||||||||||||||||||||||||||||||||||
| 1522-2407500-03 Конечная передача |
|
Под заказ | 177 561.73 р. | ||||||||||||||||||||||||||||||||||||||||||||||||||||||||||||||||||||||||||||||||||||
|
52
1523М-2407018
Рукав полуоси левый
В узле: 1
|
|||||||||||||||||||||||||||||||||||||||||||||||||||||||||||||||||||||||||||||||||||||||
| 1523М-2407018 Рукав МТЗ |
|
Под заказ | 42 426.72 р. | ||||||||||||||||||||||||||||||||||||||||||||||||||||||||||||||||||||||||||||||||||||
|
23
1522-4605007
Втулка
В узле: 2
|
|||||||||||||||||||||||||||||||||||||||||||||||||||||||||||||||||||||||||||||||||||||||
| 1522-4605007 Втулка МТЗ, Беларусь |
|
Под заказ | 3 934.17 р. | ||||||||||||||||||||||||||||||||||||||||||||||||||||||||||||||||||||||||||||||||||||
|
36
1523М-2407018-01
Рукав полуоси правый
В узле: 1
|
|||||||||||||||||||||||||||||||||||||||||||||||||||||||||||||||||||||||||||||||||||||||
| 1523М-2407018-01 Рукав |
|
Под заказ | 42 426.72 р. | ||||||||||||||||||||||||||||||||||||||||||||||||||||||||||||||||||||||||||||||||||||
|
59
1221-2407028
Крышка
В узле: 2
|
|||||||||||||||||||||||||||||||||||||||||||||||||||||||||||||||||||||||||||||||||||||||
| 1221-2407028 Крышка МТЗ корпуса заднего моста конечной передачи (крышка чулка) |
|
Под заказ | 1 240.79 р. | ||||||||||||||||||||||||||||||||||||||||||||||||||||||||||||||||||||||||||||||||||||
|
48
1221-2407504
Пластина
В узле: 8
|
|||||||||||||||||||||||||||||||||||||||||||||||||||||||||||||||||||||||||||||||||||||||
| 1221-2407504 Пластина МТЗ шестерни ведомой передачи заднего моста |
|
Под заказ | 34.89 р. | ||||||||||||||||||||||||||||||||||||||||||||||||||||||||||||||||||||||||||||||||||||
|
46
1221-2407506-01
Прокладка 0,2 мм
В узле: 2-10
|
|||||||||||||||||||||||||||||||||||||||||||||||||||||||||||||||||||||||||||||||||||||||
| 1221-2407506-01 прокладка 0,2мм |
|
Под заказ | 20.84 р. | ||||||||||||||||||||||||||||||||||||||||||||||||||||||||||||||||||||||||||||||||||||
|
7
Ролик 5х27,8 А3
Ролик
В узле: 368
|
|||||||||||||||||||||||||||||||||||||||||||||||||||||||||||||||||||||||||||||||||||||||
| 5х27,8 А3 Ролик МТЗ (уп=1600шт), РФ |
|
Под заказ | 10.22 р. | ||||||||||||||||||||||||||||||||||||||||||||||||||||||||||||||||||||||||||||||||||||
|
18
1522-2407122
Шестерня ведомая
В узле: 2
|
|||||||||||||||||||||||||||||||||||||||||||||||||||||||||||||||||||||||||||||||||||||||
| 1522-2407122 Шестерня МТЗ (наруж. z= 56, вн. z=20) |
|
Под заказ | 18 529.43 р. | ||||||||||||||||||||||||||||||||||||||||||||||||||||||||||||||||||||||||||||||||||||
Содержащиеся в справочниках-каталогах запасные части и детали не предлагаются к продаже, а носят исключительно информационный характер