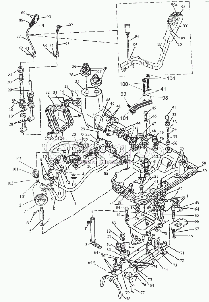
Каталог запасных частей к технике: МТЗ 1523.5. Механизм управления коробкой передач
1222-1702010-А-01
1222-1702080
1
2
3
4
5
6
7
8
8
8а
9
9
9
10
11
11
12
13
13
13
14
14
15
16
16
17
18
18
18
18
18
18
19
21
21
21
21
21
21
22
23
24
25
26
26
27
28
29
30
31
32
33
34
35
36
37
38
39
39
40
41
41
41
41
41
42
43
44
45
46
47
48
49
50
51
52
53
53
54
55
56
57
58
59
60
61
62
63
64
64
64
64
64
65
66
67
68
69
70
71
72
73
74
75
76
76
76
77
78
79
80
81
82
83
84
85
86
86
87
87
88
88
89
90
91
92
93
94
95
96
96а
97
98
99
100
101
101
101
102
103
104
|
9
Д18-055-А
Шайба
В узле: 10
|
|||||||||||||||||||||||||||||||||||||||||||||||||||||||||||||||||||||||||||||||||||||||
| Д18-055-А Кольцо уплотнительное МТЗ, ЗИЛ медное, d=14х19х1, ММЗ |
|
>10 шт. | 54.66 р. | ||||||||||||||||||||||||||||||||||||||||||||||||||||||||||||||||||||||||||||||||||||
| Д18-055-А кольцо медн.(диам. внутр. 14х19х1 мм) (А) |
|
>10 шт. | 3.17 р. | ||||||||||||||||||||||||||||||||||||||||||||||||||||||||||||||||||||||||||||||||||||
|
53
50-1702148-А
Пружина фиксатора
В узле: 2
|
|||||||||||||||||||||||||||||||||||||||||||||||||||||||||||||||||||||||||||||||||||||||
| 50-1702148-А Пружина МТЗ, Беларусь |
|
Под заказ | 24.42 р. | ||||||||||||||||||||||||||||||||||||||||||||||||||||||||||||||||||||||||||||||||||||
|
31
142-1702032
Сфера
В узле: 2
|
|||||||||||||||||||||||||||||||||||||||||||||||||||||||||||||||||||||||||||||||||||||||
| 142-1702032 Сфера МТЗ, Беларусь |
|
>10 шт. | 77.20 р. | ||||||||||||||||||||||||||||||||||||||||||||||||||||||||||||||||||||||||||||||||||||
|
85
50-1702092
Болт призонный М12х42
В узле: 4
|
|||||||||||||||||||||||||||||||||||||||||||||||||||||||||||||||||||||||||||||||||||||||
| 50-1702092 Болт МТЗ, САЗ* |
|
>10 шт. | 66.53 р. | ||||||||||||||||||||||||||||||||||||||||||||||||||||||||||||||||||||||||||||||||||||
|
59
85-1702026
Прокладка
В узле: 1
|
|||||||||||||||||||||||||||||||||||||||||||||||||||||||||||||||||||||||||||||||||||||||
| 85-1702026 Прокладка верхней крышки МТЗ, Беларусь (паронит) |
|
<10 шт. | 64.33 р. | ||||||||||||||||||||||||||||||||||||||||||||||||||||||||||||||||||||||||||||||||||||
|
92
А15.05.020
Рукоятка
В узле: 1
|
|||||||||||||||||||||||||||||||||||||||||||||||||||||||||||||||||||||||||||||||||||||||
| А15.05.020 Рукоятка МТЗ, Беларусь |
|
Под заказ | 151.73 р. | ||||||||||||||||||||||||||||||||||||||||||||||||||||||||||||||||||||||||||||||||||||
|
16
Палец 12х32
Палец 12х32
В узле: 3
|
|||||||||||||||||||||||||||||||||||||||||||||||||||||||||||||||||||||||||||||||||||||||
| Палец 12х32 ост 37.001.163-75 |
|
Под заказ | Нет на складе | ||||||||||||||||||||||||||||||||||||||||||||||||||||||||||||||||||||||||||||||||||||
|
28
80С-1702073
Рычаг
В узле: 2
|
|||||||||||||||||||||||||||||||||||||||||||||||||||||||||||||||||||||||||||||||||||||||
| 80С-1702073 Рычаг МТЗ механизма управления коробкой передач |
|
Под заказ | 1 340.80 р. | ||||||||||||||||||||||||||||||||||||||||||||||||||||||||||||||||||||||||||||||||||||
|
29
80С-1702074
Вилка
В узле: 2
|
|||||||||||||||||||||||||||||||||||||||||||||||||||||||||||||||||||||||||||||||||||||||
| 80С-1702074 Вилка переключения передач МТЗ |
|
Под заказ | 1 927.71 р. | ||||||||||||||||||||||||||||||||||||||||||||||||||||||||||||||||||||||||||||||||||||
|
88
75-1702505
Рукоятка
В узле: 1
|
|||||||||||||||||||||||||||||||||||||||||||||||||||||||||||||||||||||||||||||||||||||||
| 75-1702505 Рукоятка |
|
<10 шт. | 290.80 р. | ||||||||||||||||||||||||||||||||||||||||||||||||||||||||||||||||||||||||||||||||||||
|
76
220-1702061
Болт
В узле: 5
|
|||||||||||||||||||||||||||||||||||||||||||||||||||||||||||||||||||||||||||||||||||||||
| 220-1702061 Винт МТЗ, БЗТДиА |
|
<10 шт. | 188.56 р. | ||||||||||||||||||||||||||||||||||||||||||||||||||||||||||||||||||||||||||||||||||||
|
38
80С-1702075
Шайба
В узле: 2
|
|||||||||||||||||||||||||||||||||||||||||||||||||||||||||||||||||||||||||||||||||||||||
| 80С-1702075 Шайба (САЗ) |
|
Под заказ | 66.78 р. | ||||||||||||||||||||||||||||||||||||||||||||||||||||||||||||||||||||||||||||||||||||
|
34
80С-1702060
Вал
В узле: 1
|
|||||||||||||||||||||||||||||||||||||||||||||||||||||||||||||||||||||||||||||||||||||||
| 80С-1702060 Вал КПП механизма управления МТЗ |
|
Под заказ | 2 982.90 р. | ||||||||||||||||||||||||||||||||||||||||||||||||||||||||||||||||||||||||||||||||||||
|
62
85-1702055
Рычаг
В узле: 2
|
|||||||||||||||||||||||||||||||||||||||||||||||||||||||||||||||||||||||||||||||||||||||
| 85-1702055 рычаг |
|
<10 шт. | 5 182.15 р. | ||||||||||||||||||||||||||||||||||||||||||||||||||||||||||||||||||||||||||||||||||||
|
8
1222-1702130
Маслопровод
В узле: 2
|
|||||||||||||||||||||||||||||||||||||||||||||||||||||||||||||||||||||||||||||||||||||||
| 1222-1702130 маслопровод |
|
<10 шт. | 1 277.40 р. | ||||||||||||||||||||||||||||||||||||||||||||||||||||||||||||||||||||||||||||||||||||
|
63
80-1702108
Болт
В узле: 3
|
|||||||||||||||||||||||||||||||||||||||||||||||||||||||||||||||||||||||||||||||||||||||
| 80-1702108 Болт МТЗ, БЗТДиА |
|
Под заказ | 223.25 р. | ||||||||||||||||||||||||||||||||||||||||||||||||||||||||||||||||||||||||||||||||||||
|
94
1221-3724925-А
Жгут
В узле: 1
|
|||||||||||||||||||||||||||||||||||||||||||||||||||||||||||||||||||||||||||||||||||||||
| 1221-3724925-А жгут |
|
Под заказ | 9 083.61 р. | ||||||||||||||||||||||||||||||||||||||||||||||||||||||||||||||||||||||||||||||||||||
|
65
1222-1702055
Рычаг
В узле: 1
|
|||||||||||||||||||||||||||||||||||||||||||||||||||||||||||||||||||||||||||||||||||||||
| 1222-1702055 Рычаг |
|
Под заказ | 4 189.05 р. | ||||||||||||||||||||||||||||||||||||||||||||||||||||||||||||||||||||||||||||||||||||
|
98
2022-1702090-Б
Кронштейн
В узле: 1
|
|||||||||||||||||||||||||||||||||||||||||||||||||||||||||||||||||||||||||||||||||||||||
| 2022-1702090-Б Кронштейн МТЗ |
|
Под заказ | 2 578.32 р. | ||||||||||||||||||||||||||||||||||||||||||||||||||||||||||||||||||||||||||||||||||||
|
99
2022-1702093
Болт
В узле: 1
|
|||||||||||||||||||||||||||||||||||||||||||||||||||||||||||||||||||||||||||||||||||||||
| 2022-1702093 Болт МТЗ |
|
Под заказ | 549 р. | ||||||||||||||||||||||||||||||||||||||||||||||||||||||||||||||||||||||||||||||||||||
|
103
2022-1702094
Шпилька
В узле: 1
|
|||||||||||||||||||||||||||||||||||||||||||||||||||||||||||||||||||||||||||||||||||||||
| 2022-1702094 Шпилька МТЗ |
|
Под заказ | 554.59 р. | ||||||||||||||||||||||||||||||||||||||||||||||||||||||||||||||||||||||||||||||||||||
|
100
2022-1702142
Шпилька
В узле: 2
|
|||||||||||||||||||||||||||||||||||||||||||||||||||||||||||||||||||||||||||||||||||||||
| 2022-1702142 Шпилька МТЗ |
|
Под заказ | 327.50 р. | ||||||||||||||||||||||||||||||||||||||||||||||||||||||||||||||||||||||||||||||||||||
|
93
2022-1702500-А
Рычаг
В узле: 1
|
|||||||||||||||||||||||||||||||||||||||||||||||||||||||||||||||||||||||||||||||||||||||
| 2022-1702500-А Рычаг МТЗ |
|
Под заказ | 2 395.98 р. | ||||||||||||||||||||||||||||||||||||||||||||||||||||||||||||||||||||||||||||||||||||
|
75
85-1702301
Ось
В узле: 1
|
|||||||||||||||||||||||||||||||||||||||||||||||||||||||||||||||||||||||||||||||||||||||
| 85-1702301 Ось МТЗ |
|
Под заказ | 30.54 р. | ||||||||||||||||||||||||||||||||||||||||||||||||||||||||||||||||||||||||||||||||||||
|
54
80-1704039
Направляющая
В узле: 1
|
|||||||||||||||||||||||||||||||||||||||||||||||||||||||||||||||||||||||||||||||||||||||
| 80-1704039 Направляющая МТЗ пружины поводка КПП |
|
Под заказ | 200.03 р. | ||||||||||||||||||||||||||||||||||||||||||||||||||||||||||||||||||||||||||||||||||||
|
46
85-1702051
Шайба
В узле: 1
|
|||||||||||||||||||||||||||||||||||||||||||||||||||||||||||||||||||||||||||||||||||||||
| 85-1702051 Шайба МТЗ |
|
Под заказ | 105.64 р. | ||||||||||||||||||||||||||||||||||||||||||||||||||||||||||||||||||||||||||||||||||||
|
78
1222-1702091
Вилка
В узле: 1
|
|||||||||||||||||||||||||||||||||||||||||||||||||||||||||||||||||||||||||||||||||||||||
| 1222-1702091 Вилка МТЗ КПП переключения передач |
|
Под заказ | 6 248.11 р. | ||||||||||||||||||||||||||||||||||||||||||||||||||||||||||||||||||||||||||||||||||||
Содержащиеся в справочниках-каталогах запасные части и детали не предлагаются к продаже, а носят исключительно информационный характер