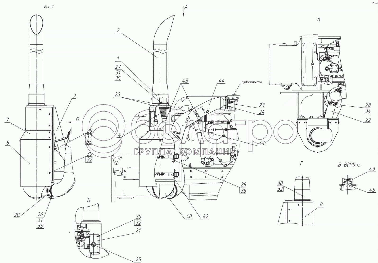
Каталог запасных частей к технике: МТЗ 1523.5. Установка глушителя

zoom-in zoom-out enlarge shrink circle-right circle-left file-text2 info cart arraw right arraw left zoom out zoom in arraw maximize arraw minimize
1
2
4
6
7
8
9
20
20
21
22
23
24
25
26
27
28
29
29
30
30
30
31
31
32
32
32
33
34
35
35
35
35
40
41
42
43
43
44
44
1
2022.5-1205020
Ограждение
В узле: 1
2
2022.5-1205115
Труба глушителя
В узле: 1
4
2022.5-1205110
Компенсатор
В узле: 1
6
2022.5-1205760-Б
Ограждение
В узле: 1
7
2022.5-1205775-Б
Ограждение
В узле: 1
8
2022.5-1205780-Б
Ограждение
В узле: 1
9
2022.5-1205835
Установка кронштейна
В узле: 1
20
2022.5-1205001
Прокладка
В узле: 3
21
2022.5-1205011
Крышка
В узле: 1
22
2022.5-1205856
Кронштейн
В узле: 1
23
2022-1205006-Б
Прокладка
В узле: 1
24
265-1205028-01
Болт
В узле: 6
25
70-3723042-02
Втулка
В узле: 1
26
Болт М10-6дх45.88.35.019
Болт
В узле: 6
27
Болт М10-6дх65.88.35.019
Болт
В узле: 6
28
Болт М8-6дх20.88.35.019
Болт
В узле: 4
29
Болт М10-6дх30.88.35.019
Болт
В узле: 10
30
Болт М6-6дх16.88.35.019
Болт
В узле: 21
31
Гайка М10-6Н.04.019
Гайка
В узле: 12
32
Шайба С.6.01.019
Шайба
В узле: 21
33
Шайба С 10.01.019
Шайба
В узле: 2
34
Шайба 8Т
Шайба 8Т
В узле: 4
35
Шайба 10.ОТ
Шайба
В узле: 22
40
SCR-катализатор
SCR-катализатор
В узле: 1
41
0452 D20 2T6-00
Смесительная труба
В узле: 1
42
0452 B20 2M2-00
Стяжной хомут SCR-катализатора
В узле: 2
43
Хомут 78803
Хомут
В узле: 2
44
000.4859.404.000
Воздуховод
В узле: 1
45
260-1008059
Фланец
В узле: 1
Содержащиеся в справочниках-каталогах запасные части и детали не предлагаются к продаже, а носят исключительно информационный характер

Ваша заявка была отправлена. В ближайшее время наши специалисты с Вами свяжутся по указанному Вами телефону.

Представьтесь
Поле обязательно для заполнения
Ваш телефон
Введите правильный номер телефона
E-mail
Введите правильный e-mail
Тема
Тема
применяемость финансирование доставка цена, наличие другое сервис и гарантия
Время для звонка
08:00
08:00 09:00 10:00 11:00 12:00 13:00 14:00 15:00 16:00 17:00 18:00 19:00
19:00
08:00 09:00 10:00 11:00 12:00 13:00 14:00 15:00 16:00 17:00 18:00 19:00

Мы постараемся перезвонить в указанное время

Если вы не хотите ждать, то звоните нашим вежливым консультантам:

8 800 100-2-700
Подтвердите, что вы не робот
Подтвердите, что вы не робот
Спасибо!

Ваше сообщение успешно отправлено!

ЗакрытьПовторить попытку