Каталог запасных частей к технике: МТЗ 2122.3/2122.4. Установка охладителя - Беларус-2122.3

zoom-in zoom-out enlarge shrink circle-right circle-left file-text2 info cart arraw right arraw left zoom out zoom in arraw maximize arraw minimize
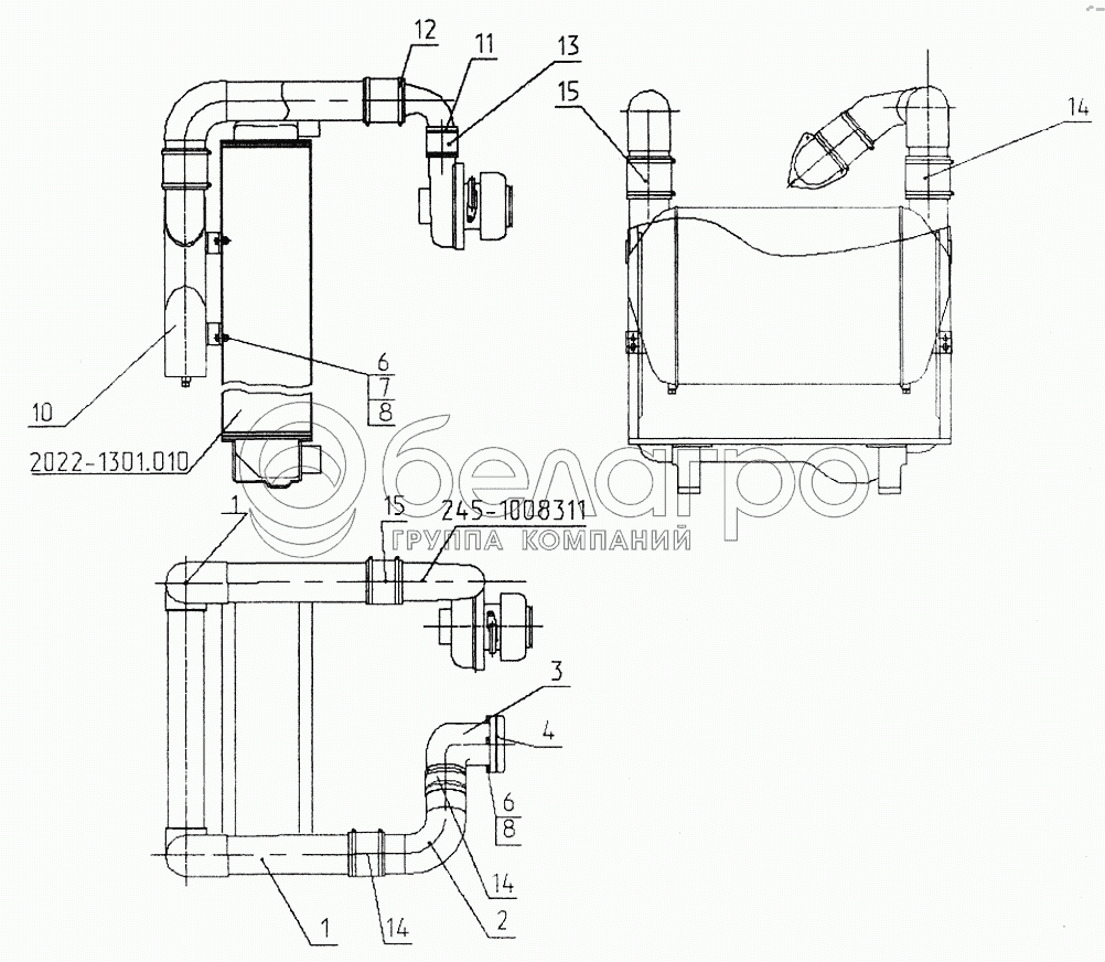
1
1
2
3
4
6
6
7
8
8
10
11
12
13
14
14
14
15
15
2022-1317010-Б
Установка охладителя
В узле: 1
1
2022-1317600
Воздухопровод
В узле: 2
2
2022-1317620
Воздухопровод
В узле: 1
3
2022-1317630
Воздухопровод
В узле: 1
4
2022-1317631
Прокладка
В узле: 1
6
БолтМ8х16-6д.88.35.019
Болт М8х16-6д.88.35.019
В узле: 7
7
ГайкаМ8-6Н.6.0195915-70
Гайка М8-6Н.6.019 5915-70
В узле: 4
8
Шайба8Т
Шайба 8Т
В узле: 7
9
ПробкаКГ1/4dmА12.019
Пробка КГ 1/4dm А12.019
В узле: 1
10
1522-1317100
Охладитель
В узле: 1
11
5000.16
Хомут с червячной резьбой 70-90/12
В узле: 10
12
5000.17
Хомут с червячной резьбой 50-70/12
В узле: 2
13
Патрубок
Патрубок силиконовый
В узле: 1
14
Патрубок
Патрубок силиконовый
В узле: 3
15
Патрубок
Патрубок силиконовый
В узле: 2
Содержащиеся в справочниках-каталогах запасные части и детали не предлагаются к продаже, а носят исключительно информационный характер

Ваша заявка была отправлена. В ближайшее время наши специалисты с Вами свяжутся по указанному Вами телефону.

Представьтесь
Поле обязательно для заполнения
Ваш телефон
Введите правильный номер телефона
E-mail
Введите правильный e-mail
Тема
Тема
применяемость финансирование доставка цена, наличие другое сервис и гарантия
Время для звонка
08:00
08:00 09:00 10:00 11:00 12:00 13:00 14:00 15:00 16:00 17:00 18:00 19:00
19:00
08:00 09:00 10:00 11:00 12:00 13:00 14:00 15:00 16:00 17:00 18:00 19:00

Мы постараемся перезвонить в указанное время

Если вы не хотите ждать, то звоните нашим вежливым консультантам:

8 800 100-2-700
Подтвердите, что вы не робот
Подтвердите, что вы не робот
Спасибо!

Ваше сообщение успешно отправлено!

ЗакрытьПовторить попытку