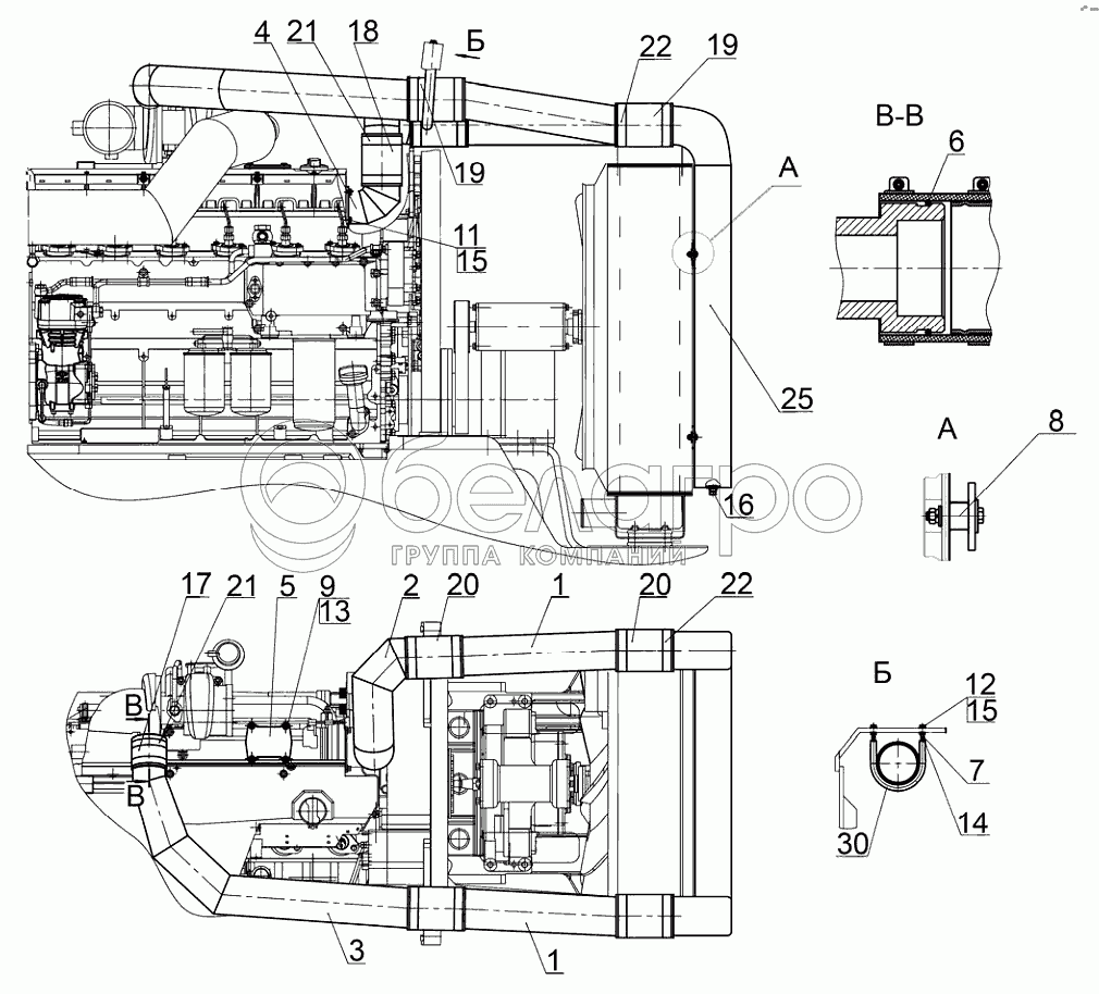
Каталог запасных частей к технике: МТЗ 3022ДЦ.1. Установка охладителя

zoom-in zoom-out enlarge shrink circle-right circle-left file-text2 info cart arraw right arraw left zoom out zoom in arraw maximize arraw minimize
1
1
2
3
4
5
6
7
8
9
11
12
13
14
15
15
16
17
18
19
19
20
20
21
21
22
22
25
30
1
2822ДЦ-1317600
Воздухопровод
В узле: 2
2822дц-1317600 Воздуховод МТЗ, Беларусь Под заказ 5 922.43 р.
2
2822ДЦ-1317610
Воздухопровод
В узле: 1
2822дц-1317610 Воздуховод МТЗ, Беларусь Под заказ 7 403.03 р.
3
2822ДЦ-1317620-Б
Воздухопровод
В узле: 1
2822дц-1317620-Б Воздуховод МТЗ, Беларусь Под заказ 8 143.34 р.
4
2822ДЦ-1317910
Патрубок
В узле: 1
2822дц-1317910 Патрубок МТЗ Под заказ 12 374.34 р.
2822ДЦ-1317010
Установка охладителя
В узле: 1
5
2822ДЦ-1301901
Крышка
В узле: 1
6
2822ДЦ-1317001
Кольцо
В узле: 1
7
2822ДЦ-1317121
Скоба
В узле: 1
8
3022-1317001
Втулка
В узле: 4
9
БолтМ6-6gх14.88.35.019
Болт
В узле: 4
10
БолтМ8-6gх55.88.35.019
Болт
В узле: 4
11
БолтМ8-6gх20.88.35.019
Болт
В узле: 4
12
ГайкаМ8-6Н.6.019
Гайка
В узле: 8
13
ШайбаС6.01.019
Шайба
В узле: 4
14
ШайбаС8.01.019
Шайба
В узле: 10
15
Шайба8Т
Шайба 8Т
В узле: 10
16
Пробка-КГ1/4dm.А12.019
Пробка - КГ 1/4dm. А12.019
В узле: 2
17
1317.01
Патрубок силиконовый
В узле: 1
18
1317.02
Патрубок силиконовый
В узле: 1
19
1317.03
Патрубок силиконовый
В узле: 2
20
1317.04
Патрубок силиконовый
В узле: 2
21
НОРМАGBS82,25W2
Хомут
В узле: 4
22
НОРМАGBS101,25W2
Хомут
В узле: 8
25
2522Д-1317100-06
Охладитель
В узле: 1
30
РукавBZPG-Z-10,0
Рукав BZPG-Z-10,0
В узле: 1
Содержащиеся в справочниках-каталогах запасные части и детали не предлагаются к продаже, а носят исключительно информационный характер

Ваша заявка была отправлена. В ближайшее время наши специалисты с Вами свяжутся по указанному Вами телефону.

Представьтесь
Поле обязательно для заполнения
Ваш телефон
Введите правильный номер телефона
E-mail
Введите правильный e-mail
Тема
Тема
применяемость финансирование доставка цена, наличие другое сервис и гарантия
Время для звонка
08:00
08:00 09:00 10:00 11:00 12:00 13:00 14:00 15:00 16:00 17:00 18:00 19:00
19:00
08:00 09:00 10:00 11:00 12:00 13:00 14:00 15:00 16:00 17:00 18:00 19:00

Мы постараемся перезвонить в указанное время

Если вы не хотите ждать, то звоните нашим вежливым консультантам:

8 800 100-2-700
Подтвердите, что вы не робот
Подтвердите, что вы не робот
Спасибо!

Ваше сообщение успешно отправлено!

ЗакрытьПовторить попытку