Каталог запасных частей к технике: МТЗ 800/900. Головка цилиндров, клапаны и толкатели клапанов

zoom-in zoom-out enlarge shrink circle-right circle-left file-text2 info cart arraw right arraw left zoom out zoom in arraw maximize arraw minimize
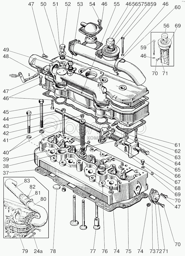
37
38
39
40
41
42
43
44
45
46
46
46
46
46
47
47
47
48
49
50
51
52
53
54
55
56
56
57
58
59
59
60
61
62
63
64
65
66
67
68
68
69
69
70
70
70
71
71
72
73
74
74
75
76
77
77
78
79
80
81
82
83
49
Д18-055-А
Шайба
В узле: 1
Д18-055-А Кольцо уплотнительное МТЗ, ЗИЛ медное, d=14х19х1, ММЗ >10 шт. 54.66 р.
Д18-055-А кольцо медн.(диам. внутр. 14х19х1 мм) (А) >10 шт. 3.17 р.
73
50-1015598
Прокладка патрубка
В узле: 1
50-1015598 Прокладка МТЗ, ЗИЛ патрубка головки блока, Беларусь >10 шт. 5.55 р.
68
50-1007212-А4
Коромысло клапана со втулкой
В узле: 8
50-1007212-А4 Коромысло клапана МТЗ, ЗИЛ в сборе с втулкой, БЗА >10 шт. 905.94 р.
50-1007212-А4 Коромысло МТЗ, ЗИЛ клапана в сборе со втулкой, (А) >10 шт. 160.26 р.
40
48-1002318
Шайба
В узле: 7
48-1002318 Шайба МТЗ головки блока, ММЗ >10 шт. 43.75 р.
62
Д02-063
Гайка
В узле: 8
Д02-063 Гайка МТЗ винта регулировки коромысла, ММЗ <10 шт. 123.49 р.
51
50-1003106
Шайба
В узле: 4
50-1003106 Шайба МТЗ, Д-243, Д-245, Д-260 крепления колпака, ММЗ >10 шт. 54.66 р.
67
50-1007175-Б1
Винт регулировочный
В узле: 8
50-1007175-Б1 Винт МТЗ регулировочный рычага(коромысла) клапана, ММЗ Под заказ 131.20 р.
72
70-8115022-А
Патрубок
В узле: 1
70-8115022-А Патрубок МТЗ головки цилиндров, ММЗ* Под заказ 391.51 р.
70-8115022-А Патрубок МТЗ головки цилиндров, (У) Под заказ 229.49 р.
80
245-1003035-Б
Патрубок переходной
В узле: 1
245-1003035-Б Патрубок Д-245 переходной, ММЗ <10 шт. 2 394.63 р.
83
245-1003036-Б
Патрубок
В узле: 1
245-1003036-Б Патрубок Д-245 от интеркуллера к двигателю, ММЗ Под заказ 1 377.58 р.
53
50-1117028
Пробка
В узле: 1
50-1117028 Пробка МТЗ <10 шт. 135.59 р.
37
50-1003020-А2-01
Прокладка
В узле: 1
76
50-1003103-А
Стакан
В узле: 2
39
Д02-003-А
Заглушка
В узле: 4
41
50-1003112
Шпилька
В узле: 4
42
50-1007053-А1
Сухарь клапана
В узле: 16
43
М12
Гайка
В узле: 4
44
50-1007102-А
Ось
В узле: 1
45
М8x35
Болт
В узле: 8
46
ШП8
Шайба
В узле: 16
47
М8x30
Болт
В узле: 5
48
009-013-25-2-1
Кольцо
В узле: 2
50
50-1003107-А-01
Кольцо
В узле: 4
52
50-1006104-А
Гайка колпака
В узле: 4
54
М8x16
Болт
В узле: 4
55
2,5x10
Штифт
В узле: 2
56
240-3707200-01
Пробка
В узле: 1
57
М8
Гайка
В узле: 2
58
240-3707140-А-01
Бачок
В узле: 1
59
М8x80
Болт
В узле: 1
60
xС-61.019
Хомут
В узле: 1
61
М12x85
Болт
В узле: 2
63
ШЧ12
Шайба
В узле: 2
64
ШП10
Шайба
В узле: 1
65
50-1007182
Пробка оси коромысел
В узле: 2
66
50-1007-183
Шайба пробки
В узле: 2
68
50-1007212-А3
Коромысло
В узле: 8
69
242-3707140-А-01
Бачок
В узле: 1
70
М8x20
Болт
В узле: 2
71
ШЧ8
Шайба
В узле: 1
74
КГ3/8dm
Пробка
В узле: 2
75
Ф-4.118.3
Кольцо
В узле: 4
77
240-1007375-А1
Толкатель клапана
В узле: 8
77
240-1007375-А
Толкатель
В узле: 8
78
240-1003027
Заглушка
В узле: 5
79
245-1003033А-06
Коллектор впускной
В узле: 1
81
50-61-70-0,2-(2)
Рукав
В узле: 2
82
50-70
Хомут фирмы Nоrmа
В узле: 4
Содержащиеся в справочниках-каталогах запасные части и детали не предлагаются к продаже, а носят исключительно информационный характер

Ваша заявка была отправлена. В ближайшее время наши специалисты с Вами свяжутся по указанному Вами телефону.

Представьтесь
Поле обязательно для заполнения
Ваш телефон
Введите правильный номер телефона
E-mail
Введите правильный e-mail
Тема
Тема
применяемость финансирование доставка цена, наличие другое сервис и гарантия
Время для звонка
08:00
08:00 09:00 10:00 11:00 12:00 13:00 14:00 15:00 16:00 17:00 18:00 19:00
19:00
08:00 09:00 10:00 11:00 12:00 13:00 14:00 15:00 16:00 17:00 18:00 19:00

Мы постараемся перезвонить в указанное время

Если вы не хотите ждать, то звоните нашим вежливым консультантам:

8 800 100-2-700
Подтвердите, что вы не робот
Подтвердите, что вы не робот
Спасибо!

Ваше сообщение успешно отправлено!

ЗакрытьПовторить попытку