Каталог запасных частей к технике: МТЗ 800/900. Компрессор

zoom-in zoom-out enlarge shrink circle-right circle-left file-text2 info cart arraw right arraw left zoom out zoom in arraw maximize arraw minimize
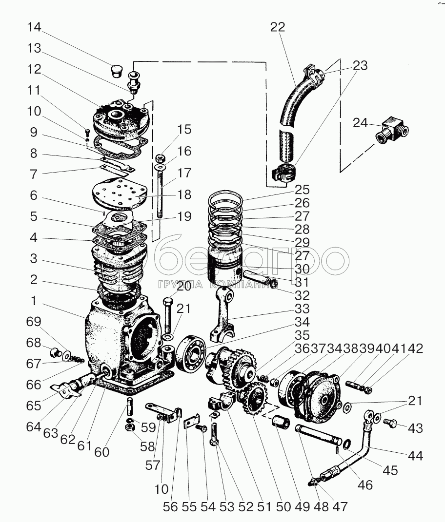
1
2
3
4
5
6
7
8
9
10
10
11
12
13
14
15
16
17
18
19
20
21
21
22
23
24
25
26
27
27
28
29
30
31
32
33
34
34
35
36
37
38
39
40
41
42
43
44
45
46
47
48
49
50
51
52
53
54
55
56
57
58
59
60
61
62
63
64
65
66
67
68
69
61
240-3509037-А
Прокладка
В узле: 1
240-3509037-А Прокладка МТЗ, ЗИЛ, ПАЗ компрессора >10 шт. 8.54 р.
44
240-3509150
Маслопровод
В узле: 1
240-3509150 Маслопровод МТЗ, ЗИЛ компрессора, L=352 мм, ММЗ* >10 шт. 720.69 р.
240-3509150 Маслопровод МТЗ, ЗИЛ компрессора, L=352 мм, (А) Под заказ 55.39 р.
46
240-3509232
Штуцер
В узле: 1
240-3509232 Штуцер МТЗ, ЗИЛ маслопровода компрессора, L=31мм, (А) Под заказ 23.55 р.
7
А29.05.042
Клапан нагнетательный
В узле: 1
А29.05.042 Клапан компрессора МТЗ нагнетательный, БЗА* >10 шт. 271.76 р.
3
А29.05.006
Цилиндр
В узле: 1
А29.05.006 Цилиндр МТЗ, БЗА <10 шт. 3 505.10 р.
8
А29.05.043
Ограничитель
В узле: 1
А29.05.043 Ограничитель МТЗ, БЗА* <10 шт. 64.01 р.
А29.01.180
Поршневые кольца (комплект)
В узле: 1
А29.01.180 Кольца поршневые ЗИЛ, ПАЗ компрессора d=72 мм, комплект Под заказ 616.41 р.
А29.05.170
Шатун
В узле: 1
А29.05.170 Шатун компрессора МТЗ, БЗА* <10 шт. 1 423.90 р.
30
А29.05.101
Поршень
В узле: 1
А29.05.101 Поршень МТЗ, РФ <10 шт. 475.40 р.
А29.05.000-А
Компрессор
В узле: 1
1
А29.01.001
Картер
В узле: 1
2
А29.01.006
Прокладка
В узле: 1
4
А29.05.002
Прокладка нижняя
В узле: 1
5
А29.05.003
Прокладка верхняя
В узле: 1
6
2,5x12
Штифт
В узле: 2
9
А29.05.004
Прокладка головки
В узле: 1
10
ШП6
Шайба
В узле: 3
11
М6x10
Винт
В узле: 2
12
А29.05.005
Головка цилиндра
В узле: 1
13
А29.01.059
Штуцер
В узле: 1
14
А29.01.021
Пробка транспортная
В узле: 1
15
М8x1
Гайка
В узле: 4
16
ШЧ8
Шайба
В узле: 4
17
А29.01.023
Шпилька
В узле: 4
18
А29.05.041
Плита
В узле: 1
19
А29.05.001
Клапан всасывающий
В узле: 1
20
М10x45
Болт
В узле: 1
21
36-1104788-01
Прокладка
В узле: 3
22
18-29-210-1,3(13)
Рукав-деталь
В узле: 2
23
20-32(xС-26-19)
Хомут
В узле: 4
24
265-3509030
Штуцер
В узле: 1
25
А27.02.03.007
Кольцо компрессионное
В узле: 1
26
А27.02.03.008
Кольцо компрессионное
В узле: 1
27
А27.12.40.509
Сегмент
В узле: 2
28
А27.12.40.510
Расширитель
В узле: 1
29
А27.12.40.511
Расширитель
В узле: 1
31
А29.05.103
Палец поршневой
В узле: 1
32
А29.05.102
Кольцо стопорное
В узле: 2
33
А29.05.171
Шатун
В узле: 1
34
207
Шарикоподшипник
В узле: 2
35
А29.01.004
Вал коленчатый
В узле: 1
36
А29.01.013
Пружина
В узле: 1
37
А29.01.019
Уплотнитель крышки
В узле: 1
38
А29.01.009
Прокладка
В узле: 1
39
А29.01.003
Крышка
В узле: 1
40
2М8x18
Шпилька
В узле: 4
41
ШП8
Шайба
В узле: 4
42
М8
Гайка
В узле: 4
43
240-3509233
Болт
В узле: 1
45
014-018-25-2-1
Кольцо
В узле: 2
47
4x28
Штифт
В узле: 1
48
А29.01.301
Ось шестерни
В узле: 1
49
А29.01.202-А
Втулка
В узле: 1
50
А29.01.201-А
Шестерня
В узле: 1
50
А29.01.200-А
Шестерня со втулкой в сборе
В узле: 1
51
А29.05.172
Крышка шатуна
В узле: 1
52
М8x35
Болт
В узле: 2
53
А29.05.173
Шайба
В узле: 2
54
М6x16
Болт
В узле: 1
55
240-3509159
Скоба
В узле: 1
56
240-3509158
Хомут
В узле: 1
57
M6
Гайка
В узле: 1
58
М10
Гайка
В узле: 3
59
ШП10
Шайба
В узле: 3
60
2М10x28
Шпилька
В узле: 3
62
А29.01.253
Палец
В узле: 1
63
А29.01.250-А
Валик управления
В узле: 1
63
А29.01.251-А
Валик
В узле: 1
64
А29.01.252-А
Рычаг
В узле: 1
65
020-025-30-2-1
Кольцо
В узле: 1
66
8,0-100
Шарик
В узле: 1
67
50-4604027-Б
Пружина
В узле: 1
68
М10x20
Болт
В узле: 1
69
А29.01.017
Прокладка
В узле: 1
Содержащиеся в справочниках-каталогах запасные части и детали не предлагаются к продаже, а носят исключительно информационный характер

Ваша заявка была отправлена. В ближайшее время наши специалисты с Вами свяжутся по указанному Вами телефону.

Представьтесь
Поле обязательно для заполнения
Ваш телефон
Введите правильный номер телефона
E-mail
Введите правильный e-mail
Тема
Тема
применяемость финансирование доставка цена, наличие другое сервис и гарантия
Время для звонка
08:00
08:00 09:00 10:00 11:00 12:00 13:00 14:00 15:00 16:00 17:00 18:00 19:00
19:00
08:00 09:00 10:00 11:00 12:00 13:00 14:00 15:00 16:00 17:00 18:00 19:00

Мы постараемся перезвонить в указанное время

Если вы не хотите ждать, то звоните нашим вежливым консультантам:

8 800 100-2-700
Подтвердите, что вы не робот
Подтвердите, что вы не робот
Спасибо!

Ваше сообщение успешно отправлено!

ЗакрытьПовторить попытку