Каталог запасных частей к технике: МТЗ 800/900. Отопитель. Арматура отопителя

zoom-in zoom-out enlarge shrink circle-right circle-left file-text2 info cart arraw right arraw left zoom out zoom in arraw maximize arraw minimize
1
2
3
4
5
6
7
8
9
9
10
10
11
11
11
11
11
11
12
13
13
14
15
16
17
18
19
20
21
22
23
24
25
26
26
26
27
27
28
29
29
30
30
30
31
32
33
34
35
36
37
38
38
39
40
41
41
42
43
43
44
45
46
47
48
49
50
51
52
53
54
55
56
57
58
59
60
61
62
45
А30.04.017-01
Колпачок
В узле: 2
А30.04.017-01 Колпачок МТЗ, Беларусь >10 шт. 4.53 р.
17
9742.3730
Электродвигатель
В узле: 1
9742.3730 Привод вентилятора охлаждения на отопитель МТЗ, (А) >10 шт. 1 110 р.
10
80-8100051
Тройник
В узле: 2
80-8100051 Тройник отопителя МТЗ, Беларусь <10 шт. 34.78 р.
40
80-8100012
Заслонка
В узле: 2
80-8100012 Заслонка МТЗ, Беларусь Под заказ 31.02 р.
28
80-8104070
Фильтр
В узле: 2
80-8104070 Фильтр воздушный МТЗ кабины Под заказ Нет на складе
80-8104070 Фильтр воздушный МТЗ кабины/(4701М Difa) Под заказ 848.41 р.
12
80-8100023
Штуцер
В узле: 1
80-8100023 Штуцер системы охлаждения МТЗ, САЗ Под заказ 83.52 р.
18
80-8104034
Ротор
В узле: 1
80-8104034 Ротор МТЗ, Беларусь Под заказ 138.06 р.
3
80-8100013
Накладка
В узле: 2
80-8100013 Накладка МТЗ Под заказ 366.57 р.
46
80-8100100
Панель
В узле: 1
80-8100100 Панель кабины МТЗ Под заказ 3 070.46 р.
80-8101810
Панель
В узле: 1
80-8101810 Панель МТЗ Под заказ 8 267.95 р.
47
70-6702111
Угольник
В узле: 2
70-6702111 Уголок МТЗ пола кабины Под заказ 119.73 р.
24
80-8101760
Крышка
В узле: 1
80-8101760 Крышка отопителя МТЗ Под заказ 2 548.26 р.
80-8101720
Отопитель в сборе
В узле: 1
80-8101830
Арматура отопителя
В узле: 1
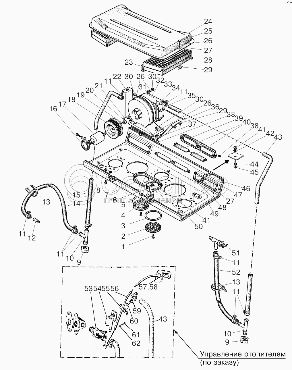
1
6x18
Палец
В узле: 2
2
150.95.301
Воздухораспределитель
В узле: 2
4
2x12
Шплинт
В узле: 2
5
50-8400031
Ось
В узле: 2
6
80-8100048
Петля
В узле: 2
7
80-8101714-07
Уплотнитель
В узле: 1
8
ВМ6x20
Винт
В узле: 2
9
80-8100052
Пробка
В узле: 2
11
xС-23
Хомут
В узле: 8
13
80-3723045-01
Манжета
В узле: 3
14
80-8102015-02
Шланг L=1840 мм
В узле: 1
43
80-8102015
Шланг L=700 мм
В узле: 1
16
xС-76
Хомут
В узле: 1
19
М4
Гайка
В узле: 1
20
80-8104039
Кольцо
В узле: 1
21
ВМ4x10
Винт
В узле: 1
22
80-8101721
Растяжка
В узле: 1
23
80-8101714-04
Уплотнитель
В узле: 2
25
М6x20
Болт
В узле: 2
60
ШП6
Шайба
В узле: 1
31
ШЧ6
Шайба
В узле: 3
29
80-8101820
Подвеска
В узле: 1
30
M6
Гайка
В узле: 11
32
70У-8101070-А
Радиатор отопителя
В узле: 1
33
80-8101730-А
Кожух
В узле: 1
34
ПР32-06
Уплотнитель
В узле: 2
35
80-8101800
Коробка
В узле: 1
36
80-3703046-А
Шпилька
В узле: 1
37
80-8100014
Стержень
В узле: 1
38
ВМ6x16
Винт
В узле: 6
39
80-8100011
Крышка
В узле: 1
41
М8
Гайка
В узле: 4
42
ШЧ8
Шайба
В узле: 2
44
М8x35
Болт
В узле: 2
48
М6x16
Болт
В узле: 2
49
80-8101713
Обивка
В узле: 1
50
ШП8
Шайба
В узле: 2
51
ВС11
Кран
В узле: 1
52
80-8102015-03
Шланг L=500 мм
В узле: 1
53
408-8101400-А
Кран
В узле: 1
54
80-8100130
Кронштейн
В узле: 1
55
70Л-1024216
Хомут
В узле: 1
56
80-8101100
Трос
В узле: 1
57
М12
Гайка
В узле: 1
58
ШЧ12
Шайба
В узле: 1
59
М6x10
Винт
В узле: 1
61
ВМ4x8
Винт
В узле: 1
62
ШП4
Шайба
В узле: 1
Содержащиеся в справочниках-каталогах запасные части и детали не предлагаются к продаже, а носят исключительно информационный характер

Ваша заявка была отправлена. В ближайшее время наши специалисты с Вами свяжутся по указанному Вами телефону.

Представьтесь
Поле обязательно для заполнения
Ваш телефон
Введите правильный номер телефона
E-mail
Введите правильный e-mail
Тема
Тема
применяемость финансирование доставка цена, наличие другое сервис и гарантия
Время для звонка
08:00
08:00 09:00 10:00 11:00 12:00 13:00 14:00 15:00 16:00 17:00 18:00 19:00
19:00
08:00 09:00 10:00 11:00 12:00 13:00 14:00 15:00 16:00 17:00 18:00 19:00

Мы постараемся перезвонить в указанное время

Если вы не хотите ждать, то звоните нашим вежливым консультантам:

8 800 100-2-700
Подтвердите, что вы не робот
Подтвердите, что вы не робот
Спасибо!

Ваше сообщение успешно отправлено!

ЗакрытьПовторить попытку