Каталог запасных частей к технике: МТЗ 800/900. Трубопроводы топливные и установка топливной аппаратуры

zoom-in zoom-out enlarge shrink circle-right circle-left file-text2 info cart arraw right arraw left zoom out zoom in arraw maximize arraw minimize
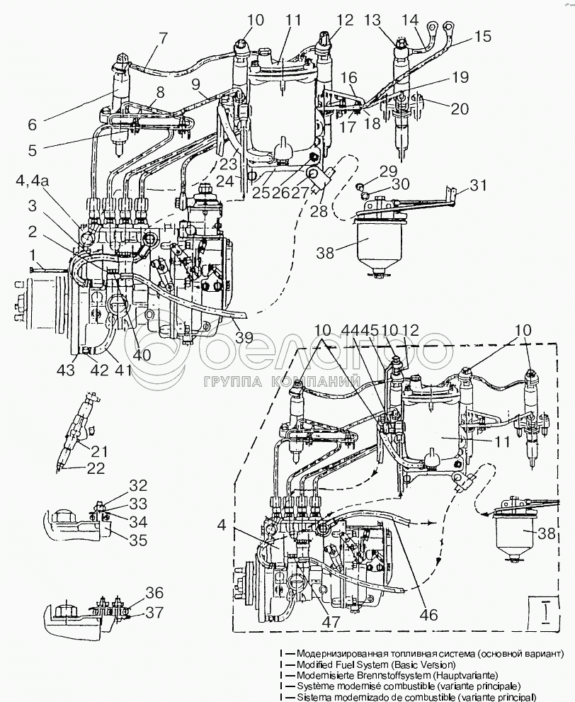
1
2
3
24
4
4
5
6
7
7
8
9
10
10
10
10
11
11
12
12
13
43
14
15
16
17
18
36
19
20
21
22
23
25
26
27
28
31
29
30
32
33
34
35
37
38
38
39
40
41
42
44
45
46
47
22
245-1111020
Прокладка-экран
В узле: 4
245-1111020 Прокладка-экран форсунки МТЗ, ЗИЛ кольцо уплотнительное, (У) >10 шт. 49.56 р.
12
240-1111112
Штуцер
В узле: 1
240-1111112 Штуцер МТЗ форсунки, ММЗ <10 шт. 271.17 р.
240-1111112 Штуцер МТЗ форсунки, (А) >10 шт. 28.50 р.
10
36-1104787
Болт
В узле: 4
36-1104787 Болт МТЗ М10х1.0х22 обратки форсунки, САЗ* >10 шт. 55.36 р.
36-1104787 Болт МТЗ М10х1.0х22 обратки форсунки, (А) Под заказ 5.43 р.
41
240-3509150
Маслопровод
В узле: 1
240-3509150 Маслопровод МТЗ, ЗИЛ компрессора, L=352 мм, ММЗ* Под заказ 720.69 р.
240-3509150 Маслопровод МТЗ, ЗИЛ компрессора, L=352 мм, (А) Под заказ 55.39 р.
47
Д18-051-А
Болт поворотного угольника
В узле: 1
Д18-051-А (А12.01.003-03) Болт МТЗ поворотного угольника, САЗ* Под заказ 92.92 р.
40
240-1111103-А
Болт
В узле: 1
240-1111103-А Болт МТЗ поворотного угольника, длинный, 2 отверстия, ММЗ <10 шт. 213.04 р.
240-1111103-А Болт МТЗ поворотного угольника, длинный, 2 отверстия, (А) Под заказ 17.20 р.
38
240-1105010
Фильтр топливный грубой очистки
В узле: 1
240-1105010 Фильтр топливный МТЗ отстойник, грубой очистки, ММЗ Под заказ 3 562.90 р.
240-1105010 Фильтр топливный МТЗ отстойник, грубой очистки, (А) >10 шт. 641.27 р.
6
171.1112010-01
Форсунка
В узле: 4
171.1112010-01 Форсунка Д-243, Д-245, Д-260 , РФ Под заказ 2 233.92 р.
42
260-3509232-01
Штуцер
В узле: 1
260-3509232-01 Штуцер (L=39мм), ММЗ <10 шт. 295.37 р.
21
240-1111036-Б1
Кольцо
В узле: 4
240-1111036-Б1 Кольцо форсунки МТЗ конус, (У) Под заказ 9.93 р.
44
Д18-052
Штуцер
В узле: 1
Д18-052 Штуцер МТЗ топливного фильтра, ММЗ <10 шт. 363.15 р.
15
245-1104330-Б
Трубка пневмокорректора
В узле: 1
245-1104330-Б трубка пневмокорректора, РБ Под заказ Нет на складе
45
245-1104360-Д
Трубка перепускная
В узле: 1
245-1104360-Д Трубка передняя. Под заказ 278.01 р.
245-1111025-02
Топливный насос с маслопроводом
В узле: 1
1
М10x120
Болт
В узле: 2
2
Д18-055-А-01
Кольцо
В узле: 17
24
240-1104170-02
Трубка топливная низкого давления
В узле: 2
4
PP4M10U1f-3488
Насос топливный
В узле: 1
PP4M10P1f-3478
Насос топливный
В узле: 1
5
240-1111130
Колодка
В узле: 1
7
245-1104320-A2
Трубопровод дренажный
В узле: 1
7
245-1104320-A2-02
Трубопровод дренажный
В узле: 1
8
245-1104300-B
ТОПЛИВОПРОВОД ВЫСОКОГО ДАВЛЕНИЯ
В узле: 1
9
245-1104300-B-01
ТОПЛИВОПРОВОД ВЫСОКОГО ДАВЛЕНИЯ
В узле: 1
11
240-1117010-A
Фильтр топливный тонкой очистки
В узле: 1
43
36-1104788-01
Прокладка
В узле: 8
14
245-1104350-Б2
Трубка перепускная
В узле: 1
16
245-1104300-B-02
ТОПЛИВОПРОВОД ВЫСОКОГО ДАВЛЕНИЯ
В узле: 1
17
240-1111105
Колодка
В узле: 1
36
240-1111106
Колодка
В узле: 1
19
245-1104300-B-03
ТОПЛИВОПРОВОД ВЫСОКОГО ДАВЛЕНИЯ
В узле: 1
20
М10x35
Болт
В узле: 10
23
240-1104170
Трубка топливная низкого давления
В узле: 1
25
245-1117060-А
Кронштейн
В узле: 1
26
М10x30
Болт
В узле: 3
27
М10
Гайка
В узле: 3
31
245-1111104
Хомутик
В узле: 2
29
М10x25
Болт
В узле: 2
30
10.65Г.06
Шайба
В узле: 9
32
М6
Гайка
В узле: 5
33
6.65Г.06
Шайба
В узле: 5
34
240-1111114
Колодка
В узле: 2
35
240-1111125-А1
Кронштейн
В узле: 1
37
240-1111115-А
Кронштейн
В узле: 1
39
240-1104160
Трубка
В узле: 1
46
80-1101070
Топливопровод
В узле: 1
Содержащиеся в справочниках-каталогах запасные части и детали не предлагаются к продаже, а носят исключительно информационный характер

Ваша заявка была отправлена. В ближайшее время наши специалисты с Вами свяжутся по указанному Вами телефону.

Представьтесь
Поле обязательно для заполнения
Ваш телефон
Введите правильный номер телефона
E-mail
Введите правильный e-mail
Тема
Тема
применяемость финансирование доставка цена, наличие другое сервис и гарантия
Время для звонка
08:00
08:00 09:00 10:00 11:00 12:00 13:00 14:00 15:00 16:00 17:00 18:00 19:00
19:00
08:00 09:00 10:00 11:00 12:00 13:00 14:00 15:00 16:00 17:00 18:00 19:00

Мы постараемся перезвонить в указанное время

Если вы не хотите ждать, то звоните нашим вежливым консультантам:

8 800 100-2-700
Подтвердите, что вы не робот
Подтвердите, что вы не робот
Спасибо!

Ваше сообщение успешно отправлено!

ЗакрытьПовторить попытку