Каталог запасных частей к технике: МТЗ 892. Корпус гидросистемы и фильтр

zoom-in zoom-out enlarge shrink circle-right circle-left file-text2 info cart arraw right arraw left zoom out zoom in arraw maximize arraw minimize
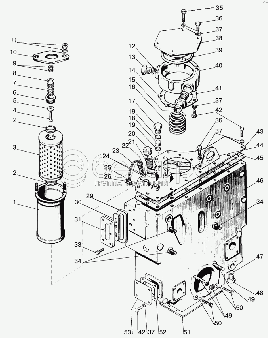
1
2
2
3
3
4
5
6
7
8
9
10
11
12
12
13
14
15
16
17
18
19
19
20
21
22
23
24
25
26
29
30
31
33
34
34
35
36
36
37
37
37
37
38
39
40
41
42
42
43
44
45
46
47
47
48
49
49
49
50
50
50
51
52
53
12
40-4607033-А
Шайба
В узле: 1
40-4607033-А Шайба МТЗ многоцелевая (большая) >10 шт. 108.08 р.
13
85-4608021
Пробка
В узле: 1
85-4608021 пробка (РБ) <10 шт. 106.77 р.
17
50-4608059
Пробка сапуна
В узле: 1
50-4608059 Пробка МТЗ сапуна , САЗ <10 шт. 133.53 р.
16
85-4608057
Пружина
В узле: 1
85-4608057 Пружина МТЗ, Беларусь Под заказ 346.43 р.
38
85-4608022
Крышка
В узле: 1
85-4608022 Крышка гидробака МТЗ Под заказ 658.47 р.
85-4608090
Клапан 85-4608091 в сборе
В узле: 1
85-4608090 Клапан МТЗ гидробака в сб. Под заказ 504.37 р.
18
50-4608063
Фильтр
В узле: 1
50-4608063 Фильтр МТЗ Под заказ 9.20 р.
19
50-4608062
Шайба сапуна
В узле: 2
50-4608062 Шайба МТЗ сапуна Под заказ 14.07 р.
15
85-4607034
Штуцер
В узле: 1
85-4607034 Штуцер МТЗ Под заказ 583.33 р.
85-4608010
Корпус гидросистемы
В узле: 1
A28.04.10.000
Клапан
В узле: 1
1
A28.04.20.000-A1
Корпус
В узле: 1
2
042-050-46-2-4
Кольцо
В узле: 2
3
ЭФОМ635-1
Элемент фильтрующий
В узле: 1
3
ФЭГ3-25
Элемент фильтрующий
В узле: 1
4
В.М6-6gx40.58.019
Винт
В узле: 1
5
8.20.004
Клапан
В узле: 1
6
A28.04.10.001
Корпус клапана
В узле: 1
7
8.20.002
Пружина
В узле: 1
8
8.20.005
Шайба опорная
В узле: 1
11
М6-6Н.6.019
Гайка
В узле: 4
10
A28.04.00.001
Ограничитель
В узле: 1
12
РМ24
Шайба
В узле: 1
14
85-4608089
Прокладка
В узле: 1
20
КГ11/4
Пробка
В узле: 1
21
A61-C06-A3
Фильтр
В узле: 1
22
85-4608091
Клапан
В узле: 1
23
50-1002450
Цепочка
В узле: 1
24
011-015-25-2-4
Кольцо
В узле: 2
25
36-1101067
Кольцо
В узле: 2
26
50-3407069
Чека
В узле: 1
29
85-4608086-Б
Уплотнитель
В узле: 1
30
85-4608087-Б
Указатель
В узле: 1
31
85-4608088-Б
Корпус
В узле: 1
33
БолтМ6х20
Болт
В узле: 6
34
М103р/6gx20.66.019
Шпилька
В узле: 3
35
М8-6gx80.88.35.019
Болт
В узле: 1
36
М8-6gx25.88.35.019
Болт
В узле: 5
37
Шайба8Т
Шайба 8Т
В узле: 30
39
130-135-30-1-4
Кольцо
В узле: 1
40
85-4608018
Стакан
В узле: 1
41
027-032-30-1-4
Кольцо
В узле: 1
42
М8-6gx20.88.35.019
Болт
В узле: 23
43
85-4608025
Крышка
В узле: 1
44
80-4608073
Кронштейн
В узле: 1
45
85-4608031-Б
Прокладка
В узле: 1
46
85-4608016-A
Корпус гидросистемы
В узле: 1
47
РМ1/2
Шайба
В узле: 1
47
40-4607038-A
Шайба
В узле: 1
48
70-4607163
Пробка
В узле: 1
49
М103р/6gx35.66.019
Шпилька
В узле: 2
49
М10-6Н.6.019
Гайка
В узле: 2
50
М10-6gx40.88.35.019
Болт
В узле: 2
50
10.ОТ
Шайба
В узле: 4
51
50-4608049
Прокладка
В узле: 1
52
70-4608033
Прокладка
В узле: 1
53
70-4608019
Крышка
В узле: 1
Содержащиеся в справочниках-каталогах запасные части и детали не предлагаются к продаже, а носят исключительно информационный характер

Ваша заявка была отправлена. В ближайшее время наши специалисты с Вами свяжутся по указанному Вами телефону.

Представьтесь
Поле обязательно для заполнения
Ваш телефон
Введите правильный номер телефона
E-mail
Введите правильный e-mail
Тема
Тема
применяемость финансирование доставка цена, наличие другое сервис и гарантия
Время для звонка
08:00
08:00 09:00 10:00 11:00 12:00 13:00 14:00 15:00 16:00 17:00 18:00 19:00
19:00
08:00 09:00 10:00 11:00 12:00 13:00 14:00 15:00 16:00 17:00 18:00 19:00

Мы постараемся перезвонить в указанное время

Если вы не хотите ждать, то звоните нашим вежливым консультантам:

8 800 100-2-700
Подтвердите, что вы не робот
Подтвердите, что вы не робот
Спасибо!

Ваше сообщение успешно отправлено!

ЗакрытьПовторить попытку