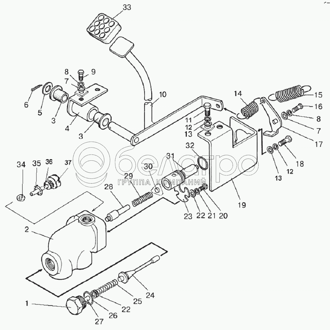
Каталог запасных частей к технике: МТЗ 892. Управление блокировкой дифференциала

zoom-in zoom-out enlarge shrink circle-right circle-left file-text2 info cart arraw right arraw left zoom out zoom in arraw maximize arraw minimize
1
2
3
3
4
5
6
7
7
8
8
9
10
11
12
12
13
13
14
15
16
17
18
19
20
21
22
22
23
24
25
26
27
28
29
30
31
32
33
34
35
36
37
15
50-3502068
Пружина
В узле: 1
50-3502068 Пружина МТЗ 3 витка, Беларусь Под заказ 20.84 р.
19
80-4803151
Кронштейн
В узле: 1
80-4803151 Кронштейн МТЗ Под заказ 468.28 р.
10
80-4803170
Педаль
В узле: 1
80-4803170 Педаль МТЗ блокировки дифференциала Под заказ 631.67 р.
4
80-4802020
Кронштейн
В узле: 1
80-4802020 Кронштейн МТЗ тяги управления блокировкой Под заказ 482.34 р.
80-4801200-Б
Кран блокировки
В узле: 1
80-4803150
Управление блокировкой
В узле: 1
1
80-4801222-Б
Пробка
В узле: 1
2
80-4801211-Б
Корпус крана
В узле: 1
3
50-4607082-A
Втулка
В узле: 2
5
12.ОТ
Шайба
В узле: 1
6
Шплинт2,5х16.019
Шплинт
В узле: 1
7
С6.01.019
Шайба
В узле: 3
8
Шайба6Т
Шайба
В узле: 3
9
М6-6gx14.88.35.019
Болт
В узле: 2
11
М8-6gx16.88.35.019
Болт
В узле: 2
12
Шайба8Т
Шайба 8Т
В узле: 4
13
С8.01.019
Шайба
В узле: 4
14
70-4616033
Пружина
В узле: 1
16
М6-6gx16.88.35.019
Болт
В узле: 1
17
80-4801216-Б
Рычаг
В узле: 1
18
М8-6gx20.88.35.019
Болт
В узле: 2
20
В.М5-6gx10.58.019
Винт
В узле: 2
21
Шайба5Т
Шайба
В узле: 2
22
С5.01.019
Шайба
В узле: 6
23
80-4801217-Б
Стопор
В узле: 1
24
80-4801213-Б
Клапан
В узле: 1
25
50-4609054
Пружина
В узле: 1
26
017-022-30-1-4
Кольцо
В узле: 1
27
80-4801221-Б
Упор
В узле: 1
28
80-4801223
Направляющая
В узле: 1
29
70-4609037
Пружина
В узле: 1
30
80-4801226
Клапан
В узле: 1
31
80-4801212-Б
Золотник крана
В узле: 1
32
012-016-25-2-4
Кольцо
В узле: 1
33
A13.38.002
Накладка
В узле: 1
34
Шарик7,938-100
Шарик 7,938-100
В узле: 1
35
007-011-25-2-2
Кольцо
В узле: 1
36
80-4801224
Упор
В узле: 1
37
80-4801214-Б
Пробка
В узле: 1
Содержащиеся в справочниках-каталогах запасные части и детали не предлагаются к продаже, а носят исключительно информационный характер

Ваша заявка была отправлена. В ближайшее время наши специалисты с Вами свяжутся по указанному Вами телефону.

Представьтесь
Поле обязательно для заполнения
Ваш телефон
Введите правильный номер телефона
E-mail
Введите правильный e-mail
Тема
Тема
применяемость финансирование доставка цена, наличие другое сервис и гарантия
Время для звонка
08:00
08:00 09:00 10:00 11:00 12:00 13:00 14:00 15:00 16:00 17:00 18:00 19:00
19:00
08:00 09:00 10:00 11:00 12:00 13:00 14:00 15:00 16:00 17:00 18:00 19:00

Мы постараемся перезвонить в указанное время

Если вы не хотите ждать, то звоните нашим вежливым консультантам:

8 800 100-2-700
Подтвердите, что вы не робот
Подтвердите, что вы не робот
Спасибо!

Ваше сообщение успешно отправлено!

ЗакрытьПовторить попытку