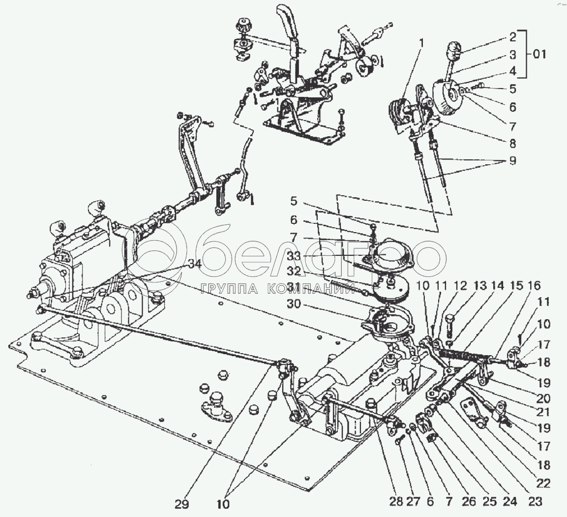
Каталог запасных частей к технике: МТЗ 892. Управление регулятором (ГНС со смешанным регулированием)

zoom-in zoom-out enlarge shrink circle-right circle-left file-text2 info cart arraw right arraw left zoom out zoom in arraw maximize arraw minimize
1
2
3
4
5
5
6
6
6
7
7
7
8
9
10
10
10
11
11
12
13
14
15
16
17
17
18
18
19
19
20
21
22
23
24
25
26
27
28
29
30
31
32
33
34
35
2
А13.11.000
Рукоятка
В узле: 1
А13.11.000 Рукоятка МТЗ управления подачей топлива Под заказ 51.22 р.
24
50-4607082-А
Втулка
В узле: 4
50-4607082А Втулка МТЗ блокировки дифференциала, Беларусь Под заказ 8.20 р.
19
80-4616051
Ползун
В узле: 3
80-4616051 Ползун МТЗ Под заказ 181.13 р.
80-4616210
Управление регулятором
В узле: 1
1
80-4616140
Рукоятка со шпилькой и маховиком в сборе
В узле: 1
3
80-4616048
Шпилька
В узле: 1
4
80-4616041
Маховик
В узле: 1
5
В.М6-6gx12.58.019
Винт
В узле: 1
6
Шайба6Т
Шайба
В узле: 5
7
С6.01.016
Шайба
В узле: 5
8
80-4616115-Б
Кронштейн
В узле: 1
9
85-4616125-Б
Трос
В узле: 2
10
С10.01.016
Шайба
В узле: 8
11
Шплинт3,2х18.019
Шплинт
В узле: 13
12
80-4616075
Ползун
В узле: 2
13
М12-6gx75.88.35.019
Болт
В узле: 2
14
12.ОТ
Шайба
В узле: 4
15
80-4616046-Б
Пружина
В узле: 1
16
80-4616090-Б
Шток
В узле: 1
17
С8.01.019
Шайба
В узле: 9
18
М8-6Н.6.019
Гайка
В узле: 3
20
80-4616040
Рычаг
В узле: 1
21
80-4616057
Кронштейн
В узле: 1
22
80-4616080
Рычаг
В узле: 1
23
80-4616059
Вал
В узле: 1
25
80-4616061
Рычаг
В узле: 1
26
80-4616072
Сухарь
В узле: 1
27
М8-6gx14.88.35.019
Болт
В узле: 3
28
80-4616065
Тяга
В узле: 1
29
80-4616065-01
Тяга
В узле: 1
30
М6-6gx12.88.35.019
Болт
В узле: 1
31
80-4616068
Корпус
В узле: 1
32
80-4616069
Шкив
В узле: 1
33
80-4616071
Крышка
В узле: 1
34
85-4614130
Рычаг
В узле: 1
35
80-4616095-Б
Шкив
В узле: 1
Содержащиеся в справочниках-каталогах запасные части и детали не предлагаются к продаже, а носят исключительно информационный характер

Ваша заявка была отправлена. В ближайшее время наши специалисты с Вами свяжутся по указанному Вами телефону.

Представьтесь
Поле обязательно для заполнения
Ваш телефон
Введите правильный номер телефона
E-mail
Введите правильный e-mail
Тема
Тема
применяемость финансирование доставка цена, наличие другое сервис и гарантия
Время для звонка
08:00
08:00 09:00 10:00 11:00 12:00 13:00 14:00 15:00 16:00 17:00 18:00 19:00
19:00
08:00 09:00 10:00 11:00 12:00 13:00 14:00 15:00 16:00 17:00 18:00 19:00

Мы постараемся перезвонить в указанное время

Если вы не хотите ждать, то звоните нашим вежливым консультантам:

8 800 100-2-700
Подтвердите, что вы не робот
Подтвердите, что вы не робот
Спасибо!

Ваше сообщение успешно отправлено!

ЗакрытьПовторить попытку