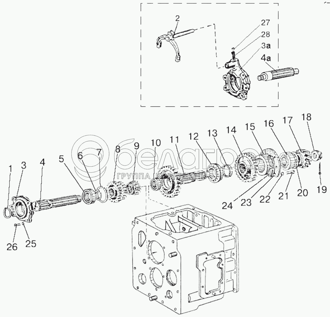
Каталог запасных частей к технике: МТЗ 892. Вал первичный и вал вторичный механической КП
1
2
3
3а
4
4а
5
6
7
8
9
10
11
12
13
14
15
16
17
18
19
20
21
22
23
24
25
26
27
28
|
9
50-1701045
Шестерня III передачи
В узле: 1
|
|||||||||||||||||||||||||||||||||||||||||||||||||||||||||||||||||||||||||||||||||||||||
| 50-1701045 Шестерня МТЗ ведущая, первичного вала КПП, 3,6,9-й передачи, z=21, МЗШ |
|
>10 шт. | 1 767.33 р. | ||||||||||||||||||||||||||||||||||||||||||||||||||||||||||||||||||||||||||||||||||||
| 50-1701045 Шестерня МТЗ ведущая, первичного вала КПП, 3,6,9-й передачи, z=21, (А) |
|
Под заказ | 851.33 р. | ||||||||||||||||||||||||||||||||||||||||||||||||||||||||||||||||||||||||||||||||||||
|
23
50-1701258
Прокладка регулировочная 0,2 мм
В узле: 8
|
|||||||||||||||||||||||||||||||||||||||||||||||||||||||||||||||||||||||||||||||||||||||
| 50-1701258 Прокладка регулировочная МТЗ 0,2мм |
|
Под заказ | 49.45 р. | ||||||||||||||||||||||||||||||||||||||||||||||||||||||||||||||||||||||||||||||||||||
|
24
50-1701259
Прокладка регулировочная 0,5 мм
В узле: 2
|
|||||||||||||||||||||||||||||||||||||||||||||||||||||||||||||||||||||||||||||||||||||||
| 50-1701259 Прокладка регулировочная МТЗ 0,5мм |
|
>10 шт. | 84.80 р. | ||||||||||||||||||||||||||||||||||||||||||||||||||||||||||||||||||||||||||||||||||||
|
17
50-1701105-Б
Шестерня главной передачи (в запасные части поставляется только в комплекте 50-2403014)
В узле: 1
|
|||||||||||||||||||||||||||||||||||||||||||||||||||||||||||||||||||||||||||||||||||||||
| 50-1701105-Б Шестерня z=12, МЗШ |
|
>10 шт. | 2 861.72 р. | ||||||||||||||||||||||||||||||||||||||||||||||||||||||||||||||||||||||||||||||||||||
| 50-1701105-Б Шестерня, z=12, SPILE |
|
Под заказ | 1 223.81 р. | ||||||||||||||||||||||||||||||||||||||||||||||||||||||||||||||||||||||||||||||||||||
|
11
50-1701252
Вал вторичный
В узле: 1
|
|||||||||||||||||||||||||||||||||||||||||||||||||||||||||||||||||||||||||||||||||||||||
| 50-1701252 Вал МТЗ вторичный |
|
>10 шт. | 7 402 р. | ||||||||||||||||||||||||||||||||||||||||||||||||||||||||||||||||||||||||||||||||||||
| 50-1701252 Вал МТЗ вторичный РЗТ |
|
Под заказ | Нет на складе | ||||||||||||||||||||||||||||||||||||||||||||||||||||||||||||||||||||||||||||||||||||
| 50-1701252 Вал МТЗ вторичный, SPILE |
|
>10 шт. | 4 137.67 р. | ||||||||||||||||||||||||||||||||||||||||||||||||||||||||||||||||||||||||||||||||||||
|
14
50-1701314
Шестерня II ступени редуктора
В узле: 1
|
|||||||||||||||||||||||||||||||||||||||||||||||||||||||||||||||||||||||||||||||||||||||
| 50-1701314 Шестерня МТЗ 2-й ступени редуктора , МЗШ |
|
>10 шт. | 3 620.17 р. | ||||||||||||||||||||||||||||||||||||||||||||||||||||||||||||||||||||||||||||||||||||
| 50-1701314 Шестерня МТЗ шестерня z=37, (А) |
|
>10 шт. | 1 386.85 р. | ||||||||||||||||||||||||||||||||||||||||||||||||||||||||||||||||||||||||||||||||||||
|
7
2С90
Кольцо
В узле: 1
|
|||||||||||||||||||||||||||||||||||||||||||||||||||||||||||||||||||||||||||||||||||||||
| 2С90 Кольцо (915219) ГОСТ 13941-86, МТЗ |
|
>10 шт. | 105.64 р. | ||||||||||||||||||||||||||||||||||||||||||||||||||||||||||||||||||||||||||||||||||||
|
15
50-1701255
Стакан
В узле: 1
|
|||||||||||||||||||||||||||||||||||||||||||||||||||||||||||||||||||||||||||||||||||||||
| 50-1701255 Стакан МТЗ подшипника, Беларусь |
|
>10 шт. | 1 246.43 р. | ||||||||||||||||||||||||||||||||||||||||||||||||||||||||||||||||||||||||||||||||||||
|
4
48-1701032-А
Вал первичный
В узле: 1
|
|||||||||||||||||||||||||||||||||||||||||||||||||||||||||||||||||||||||||||||||||||||||
| 48-1701032-А Вал МТЗ-80 первичный |
|
<10 шт. | 3 998.51 р. | ||||||||||||||||||||||||||||||||||||||||||||||||||||||||||||||||||||||||||||||||||||
|
20
50-1701254-А
Шайба
В узле: 1
|
|||||||||||||||||||||||||||||||||||||||||||||||||||||||||||||||||||||||||||||||||||||||
| 50-1701254-А Шайба МТЗ |
|
Под заказ | 250.23 р. | ||||||||||||||||||||||||||||||||||||||||||||||||||||||||||||||||||||||||||||||||||||
|
13
50-1701312
Втулка распорная
В узле: 1
|
|||||||||||||||||||||||||||||||||||||||||||||||||||||||||||||||||||||||||||||||||||||||
| 50-1701312 Втулка МТЗ распорная |
|
<10 шт. | 316.37 р. | ||||||||||||||||||||||||||||||||||||||||||||||||||||||||||||||||||||||||||||||||||||
|
3
50-1701034
Стакан вала
В узле: 1
|
|||||||||||||||||||||||||||||||||||||||||||||||||||||||||||||||||||||||||||||||||||||||
| 50-1701034 Стакан МТЗ подшипника первичного вала (У) |
|
Под заказ | Нет на складе | ||||||||||||||||||||||||||||||||||||||||||||||||||||||||||||||||||||||||||||||||||||
| 50-1701034 Стакан МТЗ подшипника первичного вала, (А) |
|
Под заказ | 555.32 р. | ||||||||||||||||||||||||||||||||||||||||||||||||||||||||||||||||||||||||||||||||||||
| 50-1701034 Стакан МТЗ подшипника первичного вала, Беларусь |
|
Под заказ | 978.44 р. | ||||||||||||||||||||||||||||||||||||||||||||||||||||||||||||||||||||||||||||||||||||
|
48-1701030-А
Вал первичный в сборе
В узле: 1
|
|||||||||||||||||||||||||||||||||||||||||||||||||||||||||||||||||||||||||||||||||||||||
| 48-1701030 А Вал МТЗ первичный в сборе |
|
<10 шт. | 12 955.02 р. | ||||||||||||||||||||||||||||||||||||||||||||||||||||||||||||||||||||||||||||||||||||
|
4а
Р70-1701032
Вал первичный
В узле: 1
|
|||||||||||||||||||||||||||||||||||||||||||||||||||||||||||||||||||||||||||||||||||||||
| Р70-1701032 Вал МТЗ первичный механической КПП под реверс-редуктор |
|
Под заказ | 14 224.58 р. | ||||||||||||||||||||||||||||||||||||||||||||||||||||||||||||||||||||||||||||||||||||
Содержащиеся в справочниках-каталогах запасные части и детали не предлагаются к продаже, а носят исключительно информационный характер