Каталог запасных частей к технике: МТЗ 922.3 / 922.4. Кабина (крылья задние)

zoom-in zoom-out enlarge shrink circle-right circle-left file-text2 info cart arraw right arraw left zoom out zoom in arraw maximize arraw minimize
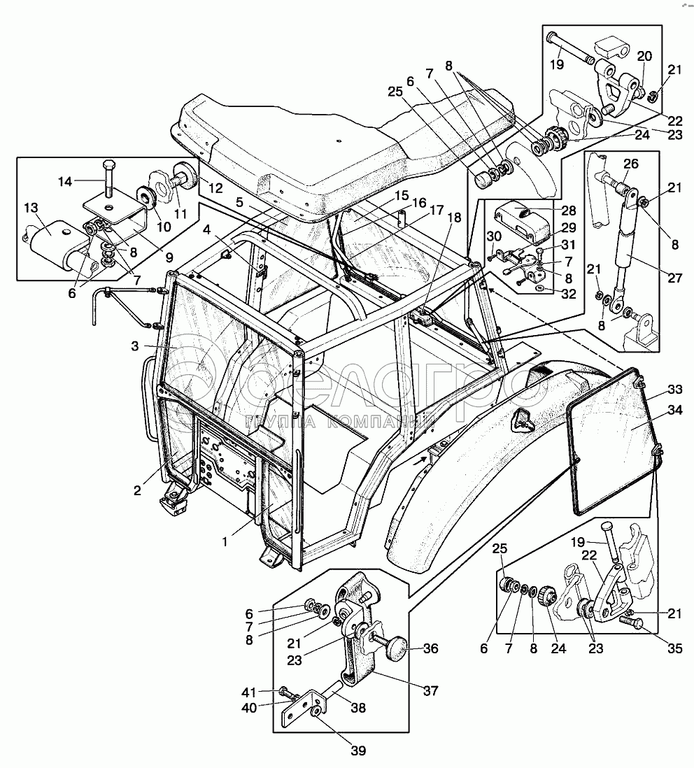
1
2
3
4
4
4
5
5
5
6
6
6
6
7
7
7
7
7
8
8
8
8
8
8
8
9
10
11
12
13
14
15
16
17
18
19
19
20
21
21
21
21
21
22
22
23
23
23
24
24
25
25
26
27
28
29
30
31
32
33
34
35
36
37
37
37
38
39
40
41
36
80-6708975
Винт
В узле: 2
80-6708975 Винт МТЗ, Беларусь >10 шт. 62.83 р.
24
80-6708903
Втулка
В узле: 6
80-6708903 Втулка МТЗ стекла бокового, Беларусь >10 шт. 8.69 р.
22
80-6708902
Петля
В узле: 6
80-6708902 Петля МТЗ (80-6708972), ВЗТЗЧ Под заказ 362.66 р.
23
80-6708904
Прокладка
В узле: 12
80-6708904 Прокладка <10 шт. 2.26 р.
3
822-6703012
Стекло
В узле: 1
822-6703012 Стекло лобовое МТЗ 1160х760, Беларусь Под заказ 1 231.83 р.
5
822-6708900-01
Стекло правое
В узле: 1
822-6708900-01 Стекло МТЗ правое, в сборе, с петлями Под заказ 5 376.56 р.
1
822-6703013
Стекло левое
В узле: 1
2
822-6703013-01
Стекло правое
В узле: 1
4
822-6708150-01
Фиксатор правый
В узле: 1
4
822-6708150
Фиксатор левый
В узле: 1
5
822-6708900
Стекло левое
В узле: 1
6
М8-6Н.6.019
Гайка
В узле: 12
7
Шайба8Т
Шайба 8Т
В узле: 14
8
С8.01.019
Шайба
В узле: 24
9
822-6708211
Кронштейн
В узле: 2
10
2522-6105019
Прокладка
В узле: 2
11
80-6708965
Винт
В узле: 2
12
80-6708904-Б
Прокладка
В узле: 2
13
A30.04.051
Хомут
В узле: 2
14
М8-6gх40.88.35.019
Болт
В узле: 2
15
822-6708951
Стекло
В узле: 1
16
F-202-06
Профиль
В узле: 1
17
822-6708215
Дуга
В узле: 1
18
822-6708212
Палец
В узле: 1
19
822-6700011
Палец
В узле: 6
20
М8-6gх55.88.35.019
Болт
В узле: 2
21
5.65Г.07.6
Шайба
В узле: 12
25
A30.04.017-02
Колпачок
В узле: 6
26
A37.01.041
Втулка
В узле: 2
27
21054
Пневмоподъемник
В узле: 2
28
822-6708279
Крышка
В узле: 1
29
822-6708270
Замок
В узле: 1
30
В.М4-6gх10.58.019
Винт
В узле: 2
31
М8-6gх25.88.35.019
Болт
В узле: 2
32
80-6105171
Шайба
В узле: 2
33
F-202-05
Профиль
В узле: 2
34
822-6708111
Стекло
В узле: 2
35
М8-6gх30.88.35.019
Болт
В узле: 4
37
2522-6708160-01
Рукоятка правая
В узле: 1
37
2522-6708160
Рукоятка левая
В узле: 1
38
822-6708155-Б
Кронштейн
В узле: 2
39
С6.01.019
Шайба
В узле: 4
40
Шайба6Т
Шайба
В узле: 4
41
М6-6gх14.88.35.019
Болт ГОСТ 7798-70
В узле: 4
Содержащиеся в справочниках-каталогах запасные части и детали не предлагаются к продаже, а носят исключительно информационный характер

Ваша заявка была отправлена. В ближайшее время наши специалисты с Вами свяжутся по указанному Вами телефону.

Представьтесь
Поле обязательно для заполнения
Ваш телефон
Введите правильный номер телефона
E-mail
Введите правильный e-mail
Тема
Тема
применяемость финансирование доставка цена, наличие другое сервис и гарантия
Время для звонка
08:00
08:00 09:00 10:00 11:00 12:00 13:00 14:00 15:00 16:00 17:00 18:00 19:00
19:00
08:00 09:00 10:00 11:00 12:00 13:00 14:00 15:00 16:00 17:00 18:00 19:00

Мы постараемся перезвонить в указанное время

Если вы не хотите ждать, то звоните нашим вежливым консультантам:

8 800 100-2-700
Подтвердите, что вы не робот
Подтвердите, что вы не робот
Спасибо!

Ваше сообщение успешно отправлено!

ЗакрытьПовторить попытку