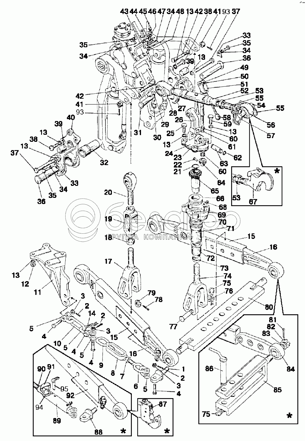
Каталог запасных частей к технике: МТЗ 922.3 / 922.4. Механизм задней навески (с гидроподъемником)
1
2
2
2
3
3
3
4
4
4
4
5
5
5
5
6
7
8
8
9
10
11
11
11
12
13
13
13
13
13
13
13
14
15
15
16
16
16
16
17
17
17
18
19
20
21
22
23
24
25
26
27
28
29
30
31
32
33
33
34
34
34
34
35
35
35
36
36
37
37
38
38
39
39
40
41
41
42
42
42
42
43
44
45
46
47
48
49
50
51
52
53
53
54
54
54
55
55
56
56
56
57
58
59
60
60
61
62
63
64
65
66
67
68
69
70
71
72
73
74
74
74
75
75
76
77
77
77
78
79
80
81
82
83
84
85
86
87
87
87
87
87
87
87
88
89
90
91
92
92
92
92
92
92
92
93
93
94
95
|
5
А61.09.002
Серьга
В узле: 8
|
|||||||||||||||||||||||||||||||||||||||||||||||||||||||||||||||||||||||||||||||||||||||
| А61.09.002 Серьга механизма задней навески МТЗ, ВЗТЗЧ |
|
>10 шт. | 318.04 р. | ||||||||||||||||||||||||||||||||||||||||||||||||||||||||||||||||||||||||||||||||||||
| А61.09.002 Серьга механизма задней навески МТЗ, |
|
>10 шт. | 36.67 р. | ||||||||||||||||||||||||||||||||||||||||||||||||||||||||||||||||||||||||||||||||||||
|
75
А61.07.001
Шплинт
В узле: 3
|
|||||||||||||||||||||||||||||||||||||||||||||||||||||||||||||||||||||||||||||||||||||||
| А61.07.001 Шплинт МТЗ, |
|
>10 шт. | 10.80 р. | ||||||||||||||||||||||||||||||||||||||||||||||||||||||||||||||||||||||||||||||||||||
|
А61.03.000
Тяга в сборе
В узле: 1
|
|||||||||||||||||||||||||||||||||||||||||||||||||||||||||||||||||||||||||||||||||||||||
| А61.03.000 Тяга центральная МТЗ механизма задней навески, в сборе, САЗ |
|
>10 шт. | 4 495.61 р. | ||||||||||||||||||||||||||||||||||||||||||||||||||||||||||||||||||||||||||||||||||||
| А61.03.000 Тяга центральная МТЗ механизма задней навески, (А) |
|
>10 шт. | 934.74 р. | ||||||||||||||||||||||||||||||||||||||||||||||||||||||||||||||||||||||||||||||||||||
|
29
А61.05.005
Чека
В узле: 1
|
|||||||||||||||||||||||||||||||||||||||||||||||||||||||||||||||||||||||||||||||||||||||
| А61.05.005 Чека МТЗ задней навески голая (под шплинт), Беларусь |
|
>10 шт. | 90.93 р. | ||||||||||||||||||||||||||||||||||||||||||||||||||||||||||||||||||||||||||||||||||||
| А61.05.005 Чека МТЗ задней навески голая (под шплинт), (А) |
|
Под заказ | 8.33 р. | ||||||||||||||||||||||||||||||||||||||||||||||||||||||||||||||||||||||||||||||||||||
|
4
50-4605086
Болт серьги
В узле: 8
|
|||||||||||||||||||||||||||||||||||||||||||||||||||||||||||||||||||||||||||||||||||||||
| 50-4605086 Болт МТЗ навески, (А) |
|
Под заказ | 16.63 р. | ||||||||||||||||||||||||||||||||||||||||||||||||||||||||||||||||||||||||||||||||||||
| 50-4605086 Болт МТЗ |
|
<10 шт. | 270.86 р. | ||||||||||||||||||||||||||||||||||||||||||||||||||||||||||||||||||||||||||||||||||||
|
26
1220-4605668-Б
Серьга
В узле: 1
|
|||||||||||||||||||||||||||||||||||||||||||||||||||||||||||||||||||||||||||||||||||||||
| 1220-4605668-Б Серьга |
|
>10 шт. | 3 078.43 р. | ||||||||||||||||||||||||||||||||||||||||||||||||||||||||||||||||||||||||||||||||||||
|
37
70-2800016-01
Болт
В узле: ---
|
|||||||||||||||||||||||||||||||||||||||||||||||||||||||||||||||||||||||||||||||||||||||
| 70-2800016-01 болт М16х150 |
|
<10 шт. | 362.72 р. | ||||||||||||||||||||||||||||||||||||||||||||||||||||||||||||||||||||||||||||||||||||
|
31
А61.10.001-02
Палец
В узле: 1
|
|||||||||||||||||||||||||||||||||||||||||||||||||||||||||||||||||||||||||||||||||||||||
| А61.10.001-02 Палец МТЗ механизма задней навески |
|
<10 шт. | 429.26 р. | ||||||||||||||||||||||||||||||||||||||||||||||||||||||||||||||||||||||||||||||||||||
|
58
А61.01.014
Рукоятка
В узле: 1
|
|||||||||||||||||||||||||||||||||||||||||||||||||||||||||||||||||||||||||||||||||||||||
| А61.01.014 Рукоятка МТЗ, Беларусь |
|
Под заказ | 51.63 р. | ||||||||||||||||||||||||||||||||||||||||||||||||||||||||||||||||||||||||||||||||||||
|
30
А61.05.004
Кольцо
В узле: 1
|
|||||||||||||||||||||||||||||||||||||||||||||||||||||||||||||||||||||||||||||||||||||||
| А61.05.004 Кольцо МТЗ оборудования навесного и прицепного |
|
Под заказ | 23.40 р. | ||||||||||||||||||||||||||||||||||||||||||||||||||||||||||||||||||||||||||||||||||||
|
54
А61.03.001-01
Палец диаметр 25 мм
В узле: 1
|
|||||||||||||||||||||||||||||||||||||||||||||||||||||||||||||||||||||||||||||||||||||||
| А61.03.001-01 Палец МТЗ винта задней навески, САЗ |
|
>10 шт. | 361.14 р. | ||||||||||||||||||||||||||||||||||||||||||||||||||||||||||||||||||||||||||||||||||||
|
53
А61.02.003
Контргайка
В узле: 1
|
|||||||||||||||||||||||||||||||||||||||||||||||||||||||||||||||||||||||||||||||||||||||
| А61.02.003 Контргайка МТЗ, САЗ* |
|
<10 шт. | 99.34 р. | ||||||||||||||||||||||||||||||||||||||||||||||||||||||||||||||||||||||||||||||||||||
|
88
1220-4605108
Проушина
В узле: 2
|
|||||||||||||||||||||||||||||||||||||||||||||||||||||||||||||||||||||||||||||||||||||||
| 1220-4605108 Проушина МТЗ короткая |
|
<10 шт. | 2 032.58 р. | ||||||||||||||||||||||||||||||||||||||||||||||||||||||||||||||||||||||||||||||||||||
| 1220-4605108 Проушина МТЗ короткая РЗТ |
|
Под заказ | 659.39 р. | ||||||||||||||||||||||||||||||||||||||||||||||||||||||||||||||||||||||||||||||||||||
|
47
А61.07.002
Пружина
В узле: 1
|
|||||||||||||||||||||||||||||||||||||||||||||||||||||||||||||||||||||||||||||||||||||||
| А61.07.002 Пружина МТЗ механизма задней навески |
|
Под заказ | 145.95 р. | ||||||||||||||||||||||||||||||||||||||||||||||||||||||||||||||||||||||||||||||||||||
|
1220-4605610-01
Раскос регулируемый
В узле: 1
|
|||||||||||||||||||||||||||||||||||||||||||||||||||||||||||||||||||||||||||||||||||||||
| 1220-4605610-01 Раскос МТЗ устройства навесного , ВЗТЗЧ |
|
>10 шт. | 23 560.07 р. | ||||||||||||||||||||||||||||||||||||||||||||||||||||||||||||||||||||||||||||||||||||
|
85
822-4605065
Поперечина
В узле: 1
|
|||||||||||||||||||||||||||||||||||||||||||||||||||||||||||||||||||||||||||||||||||||||
| 822-4605065 Поперечина МТЗ, Беларусь |
|
<10 шт. | 11 252.88 р. | ||||||||||||||||||||||||||||||||||||||||||||||||||||||||||||||||||||||||||||||||||||
| 822-4605065 Поперечина МТЗ, ВЗТЗЧ |
|
<10 шт. | 18 093.10 р. | ||||||||||||||||||||||||||||||||||||||||||||||||||||||||||||||||||||||||||||||||||||
|
42
142-4605076
Палец
В узле: 2
|
|||||||||||||||||||||||||||||||||||||||||||||||||||||||||||||||||||||||||||||||||||||||
| 142-4605076 Палец МТЗ устройства навесного |
|
Под заказ | 1 697.65 р. | ||||||||||||||||||||||||||||||||||||||||||||||||||||||||||||||||||||||||||||||||||||
|
63
142-4605404-Б
Палец
В узле: 1
|
|||||||||||||||||||||||||||||||||||||||||||||||||||||||||||||||||||||||||||||||||||||||
| 142-4605404-Б Палец МТЗ навесного устройства |
|
Под заказ | 666.62 р. | ||||||||||||||||||||||||||||||||||||||||||||||||||||||||||||||||||||||||||||||||||||
|
77
1220-4605084-01
Палец
В узле: 2
|
|||||||||||||||||||||||||||||||||||||||||||||||||||||||||||||||||||||||||||||||||||||||
| 1220-4605084-01 Палец МТЗ вилки раскоса L=100 мм |
|
Под заказ | 618.93 р. | ||||||||||||||||||||||||||||||||||||||||||||||||||||||||||||||||||||||||||||||||||||
|
79
70-4605316
Гайка упорная
В узле: 2
|
|||||||||||||||||||||||||||||||||||||||||||||||||||||||||||||||||||||||||||||||||||||||
| 70-4605316 Гайка МТЗ |
|
<10 шт. | 1 353.22 р. | ||||||||||||||||||||||||||||||||||||||||||||||||||||||||||||||||||||||||||||||||||||
|
36
1220-4605503
Палец
В узле: 2
|
|||||||||||||||||||||||||||||||||||||||||||||||||||||||||||||||||||||||||||||||||||||||
| 1220-4605503 Палец МТЗ устройства навесного, Беларусь |
|
Под заказ | 713.59 р. | ||||||||||||||||||||||||||||||||||||||||||||||||||||||||||||||||||||||||||||||||||||
|
10
40-4605098
Кольцо
В узле: 2
|
|||||||||||||||||||||||||||||||||||||||||||||||||||||||||||||||||||||||||||||||||||||||
| 40-4605098 Кольцо МТЗ, ВЗТЗЧ |
|
>10 шт. | 333.43 р. | ||||||||||||||||||||||||||||||||||||||||||||||||||||||||||||||||||||||||||||||||||||
|
80
1220-4605025
Поперечина
В узле: 1
|
|||||||||||||||||||||||||||||||||||||||||||||||||||||||||||||||||||||||||||||||||||||||
| 1220-4605025 Поперечина МТЗ задней навески, Беларусь |
|
<10 шт. | 9 772.26 р. | ||||||||||||||||||||||||||||||||||||||||||||||||||||||||||||||||||||||||||||||||||||
| 1220-4605025 Поперечина МТЗ задней навески |
|
Под заказ | 17 579.99 р. | ||||||||||||||||||||||||||||||||||||||||||||||||||||||||||||||||||||||||||||||||||||
|
1
1220-4605108-01
Проушина
В узле: 2
|
|||||||||||||||||||||||||||||||||||||||||||||||||||||||||||||||||||||||||||||||||||||||
| 1220-4605108-01 Проушина МТЗ длинная |
|
Под заказ | 2 235.54 р. | ||||||||||||||||||||||||||||||||||||||||||||||||||||||||||||||||||||||||||||||||||||
|
77
1220-4605084
Палец
В узле: 2
|
|||||||||||||||||||||||||||||||||||||||||||||||||||||||||||||||||||||||||||||||||||||||
| 1220-4605084 Палец МТЗ вилки раскоса L=130 мм |
|
<10 шт. | 682.32 р. | ||||||||||||||||||||||||||||||||||||||||||||||||||||||||||||||||||||||||||||||||||||
|
86
822-4605070
Шкворень
В узле: 1
|
|||||||||||||||||||||||||||||||||||||||||||||||||||||||||||||||||||||||||||||||||||||||
| 822-4605070 Шкворень МТЗ, ВЗТЗЧ |
|
<10 шт. | 696.39 р. | ||||||||||||||||||||||||||||||||||||||||||||||||||||||||||||||||||||||||||||||||||||
|
28
А61.02.100-03
Винт
В узле: 1
|
|||||||||||||||||||||||||||||||||||||||||||||||||||||||||||||||||||||||||||||||||||||||
| А61.02.100-03 Винт центральной тяги МТЗ левая резьба, САЗ* |
|
Под заказ | 1 367.68 р. | ||||||||||||||||||||||||||||||||||||||||||||||||||||||||||||||||||||||||||||||||||||
|
44
50-4605069
Втулка
В узле: 1
|
|||||||||||||||||||||||||||||||||||||||||||||||||||||||||||||||||||||||||||||||||||||||
| 50-4605069 Втулка МТЗ, БЗТДиА |
|
Под заказ | 39.02 р. | ||||||||||||||||||||||||||||||||||||||||||||||||||||||||||||||||||||||||||||||||||||
|
82
А04.02.020
Гайка
В узле: 2
|
|||||||||||||||||||||||||||||||||||||||||||||||||||||||||||||||||||||||||||||||||||||||
| А04.02.020 Гайка МТЗ |
|
Под заказ | 193.58 р. | ||||||||||||||||||||||||||||||||||||||||||||||||||||||||||||||||||||||||||||||||||||
|
8
1220-4605580
Стяжка
В узле: 2
|
|||||||||||||||||||||||||||||||||||||||||||||||||||||||||||||||||||||||||||||||||||||||
| 1220-4605580 Стяжка навески МТЗ, ВЗТЗЧ |
|
<10 шт. | 1 952.49 р. | ||||||||||||||||||||||||||||||||||||||||||||||||||||||||||||||||||||||||||||||||||||
|
1220-4605150-Б-01
Раскос регулируемый
В узле: 1
|
|||||||||||||||||||||||||||||||||||||||||||||||||||||||||||||||||||||||||||||||||||||||
| 1220-4605150-Б-01 раскос |
|
<10 шт. | 18 223.25 р. | ||||||||||||||||||||||||||||||||||||||||||||||||||||||||||||||||||||||||||||||||||||
|
38
1220-4605506
Болт
В узле: 6
|
|||||||||||||||||||||||||||||||||||||||||||||||||||||||||||||||||||||||||||||||||||||||
| 1220-4605506 Болт МТЗ устройства навесного |
|
Под заказ | 197.90 р. | ||||||||||||||||||||||||||||||||||||||||||||||||||||||||||||||||||||||||||||||||||||
|
55
А61.03.002
Кольцо
В узле: 2
|
|||||||||||||||||||||||||||||||||||||||||||||||||||||||||||||||||||||||||||||||||||||||
| А61.03.002 Кольцо МТЗ |
|
Под заказ | 21.33 р. | ||||||||||||||||||||||||||||||||||||||||||||||||||||||||||||||||||||||||||||||||||||
|
27
1220-4605501
Кронштейн правый
В узле: 1
|
|||||||||||||||||||||||||||||||||||||||||||||||||||||||||||||||||||||||||||||||||||||||
| 1220-4605501 Кронштейн МТЗ устройства навесного, правый, ВЗТЗЧ |
|
<10 шт. | 5 440.94 р. | ||||||||||||||||||||||||||||||||||||||||||||||||||||||||||||||||||||||||||||||||||||
|
56
А61.02.100-05
Винт диаметр 25
В узле: 1
|
|||||||||||||||||||||||||||||||||||||||||||||||||||||||||||||||||||||||||||||||||||||||
| А61.02.100-05 Винт МТЗ тяги верхней правой |
|
<10 шт. | 1 361.03 р. | ||||||||||||||||||||||||||||||||||||||||||||||||||||||||||||||||||||||||||||||||||||
|
32
1220-4605502
Втулка
В узле: 2
|
|||||||||||||||||||||||||||||||||||||||||||||||||||||||||||||||||||||||||||||||||||||||
| 1220-4605502 Втулка МТЗ, Беларусь |
|
Под заказ | 3 384.19 р. | ||||||||||||||||||||||||||||||||||||||||||||||||||||||||||||||||||||||||||||||||||||
| 1220-4605502 Втулка МТЗ |
|
Под заказ | 3 774.68 р. | ||||||||||||||||||||||||||||||||||||||||||||||||||||||||||||||||||||||||||||||||||||
|
20
1220-4605075
Винт
В узле: 1
|
|||||||||||||||||||||||||||||||||||||||||||||||||||||||||||||||||||||||||||||||||||||||
| 1220-4605075 Винт МТЗ оборудования навесного |
|
<10 шт. | 4 180.85 р. | ||||||||||||||||||||||||||||||||||||||||||||||||||||||||||||||||||||||||||||||||||||
|
40
1220-4605501-01
Кронштейн левый
В узле: 1
|
|||||||||||||||||||||||||||||||||||||||||||||||||||||||||||||||||||||||||||||||||||||||
| 1220-4605501-01 Кронштейн МТЗ устройства навесного, левый, ВЗТЗЧ |
|
Под заказ | 5 440.94 р. | ||||||||||||||||||||||||||||||||||||||||||||||||||||||||||||||||||||||||||||||||||||
|
92
1220-4605530-04
Тяга без цепочки
В узле: 2
|
|||||||||||||||||||||||||||||||||||||||||||||||||||||||||||||||||||||||||||||||||||||||
| 1220-4605530-04 Тяга МТЗ задней навески |
|
<10 шт. | 18 046.64 р. | ||||||||||||||||||||||||||||||||||||||||||||||||||||||||||||||||||||||||||||||||||||
|
24
142-4605418-Б
Крышка
В узле: 1
|
|||||||||||||||||||||||||||||||||||||||||||||||||||||||||||||||||||||||||||||||||||||||
| 142-4605418-Б Крышка МТЗ, ВЗТЗЧ |
|
<10 шт. | 1 887.41 р. | ||||||||||||||||||||||||||||||||||||||||||||||||||||||||||||||||||||||||||||||||||||
|
76
50-3503071
Шайба
В узле: 2
|
|||||||||||||||||||||||||||||||||||||||||||||||||||||||||||||||||||||||||||||||||||||||
| 50-3503071 Шайба МТЗ тормозного валика |
|
Под заказ | 37.30 р. | ||||||||||||||||||||||||||||||||||||||||||||||||||||||||||||||||||||||||||||||||||||
|
80-4605280
Стяжка телескопическая
В узле: 2
|
|||||||||||||||||||||||||||||||||||||||||||||||||||||||||||||||||||||||||||||||||||||||
| 80-4605280 Стяжка МТЗ |
|
Под заказ | 7 510.58 р. | ||||||||||||||||||||||||||||||||||||||||||||||||||||||||||||||||||||||||||||||||||||
|
42
921-4605076
Палец
В узле: 2
|
|||||||||||||||||||||||||||||||||||||||||||||||||||||||||||||||||||||||||||||||||||||||
| 921-4605076 Палец МТЗ |
|
Под заказ | 1 681.64 р. | ||||||||||||||||||||||||||||||||||||||||||||||||||||||||||||||||||||||||||||||||||||
|
16
1220-4605040-02
Тяга
В узле: 2
|
|||||||||||||||||||||||||||||||||||||||||||||||||||||||||||||||||||||||||||||||||||||||
| 1220-4605040-02 Тяга МТЗ задней навески, диаметр отверстия в шарнире 28,7 мм, ширина шарнира 45 мм |
|
Под заказ | 5 013.83 р. | ||||||||||||||||||||||||||||||||||||||||||||||||||||||||||||||||||||||||||||||||||||
|
33
1220-4605504
Пластина
В узле: 2
|
|||||||||||||||||||||||||||||||||||||||||||||||||||||||||||||||||||||||||||||||||||||||
| 1220-4605504 пластина |
|
Под заказ | 533.54 р. | ||||||||||||||||||||||||||||||||||||||||||||||||||||||||||||||||||||||||||||||||||||
|
39
1220-4605507
Штифт
В узле: 2
|
|||||||||||||||||||||||||||||||||||||||||||||||||||||||||||||||||||||||||||||||||||||||
| 1220-4605507 Штифт МТЗ |
|
Под заказ | 260.56 р. | ||||||||||||||||||||||||||||||||||||||||||||||||||||||||||||||||||||||||||||||||||||
|
17
1220-4605620-Б
Вилка
В узле: 1
|
|||||||||||||||||||||||||||||||||||||||||||||||||||||||||||||||||||||||||||||||||||||||
| 1220-4605620-Б Вилка МТЗ раскоса |
|
Под заказ | 5 901.08 р. | ||||||||||||||||||||||||||||||||||||||||||||||||||||||||||||||||||||||||||||||||||||
|
11
80-4605091
Кронштейн левый
В узле: 1
|
|||||||||||||||||||||||||||||||||||||||||||||||||||||||||||||||||||||||||||||||||||||||
| 80-4605091 Кронштейн МТЗ устройства навесного, Беларусь |
|
Под заказ | 2 462.83 р. | ||||||||||||||||||||||||||||||||||||||||||||||||||||||||||||||||||||||||||||||||||||
|
11
80-4605091-01
Кронштейн левый
В узле: 1
|
|||||||||||||||||||||||||||||||||||||||||||||||||||||||||||||||||||||||||||||||||||||||
| 80-4605091-01 Кронштейн МТЗ, Беларусь |
|
Под заказ | 2 462.83 р. | ||||||||||||||||||||||||||||||||||||||||||||||||||||||||||||||||||||||||||||||||||||
|
84
822-4605060
Наконечник
В узле: 2
|
|||||||||||||||||||||||||||||||||||||||||||||||||||||||||||||||||||||||||||||||||||||||
| 822-4605060 Наконечник МТЗ |
|
Под заказ | 6 156.61 р. | ||||||||||||||||||||||||||||||||||||||||||||||||||||||||||||||||||||||||||||||||||||
|
74
1220-4605615
Вилка
В узле: 1
|
|||||||||||||||||||||||||||||||||||||||||||||||||||||||||||||||||||||||||||||||||||||||
| 1220-4605615 Вилка МТЗ |
|
Под заказ | 6 820.96 р. | ||||||||||||||||||||||||||||||||||||||||||||||||||||||||||||||||||||||||||||||||||||
|
15
1220-4605050-Б-01
Тяга
В узле: 2
|
|||||||||||||||||||||||||||||||||||||||||||||||||||||||||||||||||||||||||||||||||||||||
| 1220-4605050-Б-01 Тяга МТЗ задней навески, с цепочкой, диаметр отверстия в шарнире 37мм, ширина шарнира 56 мм |
|
Под заказ | 23 662.75 р. | ||||||||||||||||||||||||||||||||||||||||||||||||||||||||||||||||||||||||||||||||||||
Содержащиеся в справочниках-каталогах запасные части и детали не предлагаются к продаже, а носят исключительно информационный характер