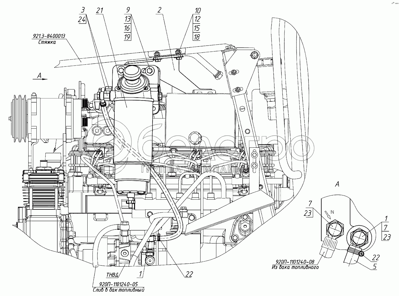
Каталог запасных частей к технике: МТЗ 922.3 / 922.4. Установка топливного фильтра

zoom-in zoom-out enlarge shrink circle-right circle-left file-text2 info cart arraw right arraw left zoom out zoom in arraw maximize arraw minimize
921.3-8400013
920П-1101240-08
920П-1101240-05
1
1
2
3
5
7
7
9
10
12
13
15
16
18
19
21
22
22
23
23
24
920П-1101240-05
Топливопровод
В узле: ---
920П-1101240-05 Топливопровод МТЗ L=2453 , БЗТДиА Под заказ 2 110.64 р.
1
Ф80-3407720
Маслопровод
В узле: 2
Ф80-3407720 Маслопровод МТЗ <10 шт. 445.93 р.
922-1117100
Установка топливного фильтра
В узле: ---
921.3-8400013
Стяжка
В узле: ---
920П-1101240-08
Топливопровод
В узле: ---
2
922-1117111
Кронштейн
В узле: 1
3
1221-1101492
Штуцер
В узле: 2
5
920-1101162-02
Трубка
В узле: 1
7
Д18-051
Болт
В узле: 2
9
М10-6gх65.88.35.019
Болт
В узле: 2
10
М8-6gх20.88.35.019
Болт
В узле: 2
12
М8-6Н.6.019
Гайка
В узле: 2
13
М10-6Н.6.019
Гайка
В узле: 2
15
С8.01.019
Шайба
В узле: 2
16
С10.01.019
Шайба
В узле: 2
18
Шайба8Т
Шайба 8Т
В узле: 2
19
Шайба10.ОТ
Шайба
В узле: 2
21
PreLine4206660662983
Фильтр предварительный
В узле: 1
22
TORRO12-20/9-C6W
Хомут «НОРМА»
В узле: 2
23
4600.18
Шайба РМ14
В узле: 4
24
4600.19
Шайба РМ3/8
В узле: 2
Содержащиеся в справочниках-каталогах запасные части и детали не предлагаются к продаже, а носят исключительно информационный характер

Ваша заявка была отправлена. В ближайшее время наши специалисты с Вами свяжутся по указанному Вами телефону.

Представьтесь
Поле обязательно для заполнения
Ваш телефон
Введите правильный номер телефона
E-mail
Введите правильный e-mail
Тема
Тема
применяемость финансирование доставка цена, наличие другое сервис и гарантия
Время для звонка
08:00
08:00 09:00 10:00 11:00 12:00 13:00 14:00 15:00 16:00 17:00 18:00 19:00
19:00
08:00 09:00 10:00 11:00 12:00 13:00 14:00 15:00 16:00 17:00 18:00 19:00

Мы постараемся перезвонить в указанное время

Если вы не хотите ждать, то звоните нашим вежливым консультантам:

8 800 100-2-700
Подтвердите, что вы не робот
Подтвердите, что вы не робот
Спасибо!

Ваше сообщение успешно отправлено!

ЗакрытьПовторить попытку