Каталог запасных частей к технике: МТЗ 922.5. Бак

zoom-in zoom-out enlarge shrink circle-right circle-left file-text2 info cart arraw right arraw left zoom out zoom in arraw maximize arraw minimize
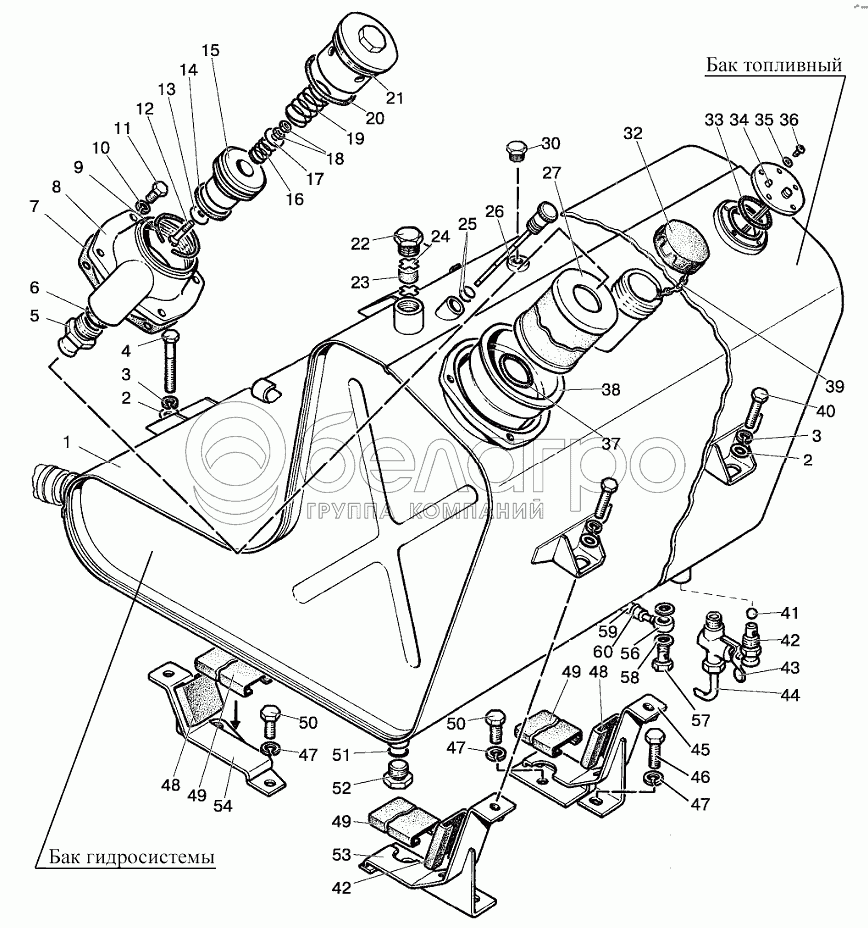
1
2
2
3
3
4
5
6
7
8
9
10
11
12
13
14
15
16
17
18
19
20
21
22
23
24
25
26
27
27
27
30
32
33
34
35
36
37
38
39
40
41
42
42
43
44
45
46
47
47
47
48
48
49
49
49
50
50
51
52
53
54
56
57
58
59
60
32
082-1103010
Пробка
В узле: 1
082-1103010 Пробка топливного бака МТЗ пластмассовая (метал. бак) >10 шт. 68.60 р.
48
ПР-43-02
Прокладка
В узле: 4
ПР-43-02 Уплотнитель, Беларусь >10 шт. 166.38 р.
42
822-1101081
Штуцер
В узле: 1
822-1101081 Штуцер МТЗ, САЗ <10 шт. 128.82 р.
26
70-4608065-А
Масломер
В узле: 1
70-4608065-А Масломер МТЗ указатель уровня масла гидроагрегатов <10 шт. 187.80 р.
52
50-4608027-В
Пробка
В узле: 1
50-4608027-В Пробка МТЗ сливная бака гидросистемы , САЗ <10 шт. 70.54 р.
56
Ф80-3407720
Маслопровод
В узле: 1
Ф80-3407720 Маслопровод МТЗ <10 шт. 438.62 р.
22
50-4608059
Пробка сапуна
В узле: 1
50-4608059 Пробка МТЗ сапуна , САЗ <10 шт. 140.08 р.
23
50-4608063
Фильтр
В узле: 1
50-4608063 Фильтр МТЗ Под заказ 9.89 р.
24
50-4608062
Шайба сапуна
В узле: 2
50-4608062 Шайба МТЗ сапуна Под заказ 14.34 р.
5
85-4607034
Штуцер
В узле: 1
85-4607034 Штуцер МТЗ Под заказ 585.29 р.
1
822-1101010
Бак
В узле: 1
822-1101010 Бак топливный МТЗ, Беларусь Под заказ 32 912.26 р.
822-1101600-01
Бак
В узле: ---
2
С10.01.019
Шайба
В узле: 4
3
Шайба10.ОТ
Шайба
В узле: 4
4
М10-6gх75.88.35.019
Болт
В узле: 2
6
027-032-30-1-4
Кольцо
В узле: 1
7
822-4608112
Прокладка
В узле: 1
8
822-4608111
Крышка
В узле: 1
9
822-4608032
Кольцо
В узле: 1
10
Шайба8Т
Шайба 8Т
В узле: 4
11
М8-6gх20.88.35.019
Болт
В узле: 4
12
В.М6-6gх40.58.019
Винт
В узле: 1
13
8.20.004
Клапан
В узле: 1
14
822-4608042
Кольцо
В узле: 1
15
822-4608041
Клапан
В узле: 1
16
8.20.002
Пружина
В узле: 1
17
8.20.005
Шайба опорная
В узле: 1
18
М6-6Н.6.019
Гайка
В узле: 2
19
80-4608057
Пружина
В узле: 1
20
066-071-30-1-4
Кольцо
В узле: 1
21
822-4608031
Корпус
В узле: 1
25
011-015-25-2-4
Кольцо
В узле: 2
27
ФЭГЗ-25
Элемент фильтрующий
В узле: 1
27
ЭФОМ635-1-06
Элемент фильтрующий ЭФОМ 635-1-06
В узле: 1
30
КГ1,8dm
Пробка
В узле: 1
33
200-3808026
Прокладка
В узле: 1
34
ДОТ.590Ч-01
Датчик объёма топлива
В узле: 1
35
80-1101067
Шайба
В узле: 5
36
В.М5-6gх35.58.019
Винт
В узле: 5
37
042-050-46-2-4
Кольцо
В узле: 1
38
822-4608020-А
Корпус фильтра
В узле: 1
39
36-1101070
Цепочка
В узле: 1
40
М10-6gх45.88.35.019
Болт ГОСТ 7796-70
В узле: 2
41
11.112-100
Шарик ГОСТ 3722-81
В узле: 1
43
ПП6-0-1
Кран
В узле: 1
44
920-1101250-01
Топливопровод
В узле: 1
45
822-1101155
Кронштейн
В узле: 1
46
М12-6gх40.88.35.019
Болт ГОСТ 7796-70
В узле: 1
47
Шайба12.ОТ
Шайба
В узле: 8
49
ПР-43
Уплотнитель
В узле: 4
50
М12-6gх30.88.35.019
Болт
В узле: 7
51
017-022-30-1-4
Кольцо
В узле: 1
53
822-1101145
Кронштейн
В узле: 1
54
822-1101135-01
Кронштейн правый
В узле: 1
55
822-1101135
Кронштейн левый
В узле: 1
57
Д18-051
Болт
В узле: 1
58
РМ-14
Шайба
В узле: 2
59
920-1101162-09
Трубка
В узле: 1
60
12-22
Хомут
В узле: 2
Содержащиеся в справочниках-каталогах запасные части и детали не предлагаются к продаже, а носят исключительно информационный характер

Ваша заявка была отправлена. В ближайшее время наши специалисты с Вами свяжутся по указанному Вами телефону.

Представьтесь
Поле обязательно для заполнения
Ваш телефон
Введите правильный номер телефона
E-mail
Введите правильный e-mail
Тема
Тема
применяемость финансирование доставка цена, наличие другое сервис и гарантия
Время для звонка
08:00
08:00 09:00 10:00 11:00 12:00 13:00 14:00 15:00 16:00 17:00 18:00 19:00
19:00
08:00 09:00 10:00 11:00 12:00 13:00 14:00 15:00 16:00 17:00 18:00 19:00

Мы постараемся перезвонить в указанное время

Если вы не хотите ждать, то звоните нашим вежливым консультантам:

8 800 100-2-700
Подтвердите, что вы не робот
Подтвердите, что вы не робот
Спасибо!

Ваше сообщение успешно отправлено!

ЗакрытьПовторить попытку