Каталог запасных частей к технике: МТЗ 923.4. Стекла кабины

zoom-in zoom-out enlarge shrink circle-right circle-left file-text2 info cart arraw right arraw left zoom out zoom in arraw maximize arraw minimize
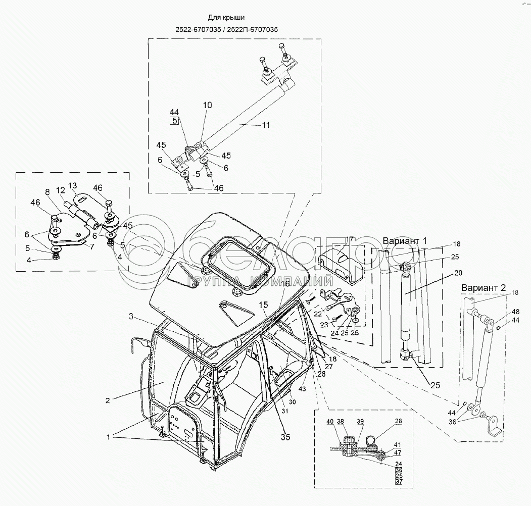
1
1
1
1
1
1
1
2
2
2
2
2
2
2
2
2
2
2
2
2
2
2
3
3
3
3
3
3
3
4
4
5
5
5
5
6
6
6
6
7
8
10
11
12
13
15
16
17
18
18
18
20
20
20
22
23
24
24
25
25
25
25
26
27
27
27
27
27
27
27
28
28
30
31
31
31
35
36
36
37
38
39
40
41
43
44
44
44
45
45
45
46
46
46
47
48
40
80-6708903
Втулка
В узле: 2
80-6708903 Втулка МТЗ стекла бокового, Беларусь >10 шт. 8.40 р.
38
А30.04.017-02
Колпачок
В узле: 2
А30.04.017-02 Колпачок МТЗ, Беларусь Под заказ 2.80 р.
12
70-6708189
Ось
В узле: 2
70-6708189-01 Ось МТЗ петель дверей кабины, сиденья <10 шт. 134.42 р.
30
2522-6708952-Б
Стекло
В узле: 1
2522-6708952-Б Стекло МТЗ малое заднее 778х325, Беларусь <10 шт. 348.94 р.
2522-6708952-Б Стекло МТЗ малое заднее 633х325, Беларусь Под заказ 282.72 р.
20
11.4.6308010
Пружина
В узле: 2
11.4.6308010 Пружина газовая МТЗ, Беларусь Под заказ 1 611.30 р.
22
822-6708270-А
Замок
В узле: 1
822-6708270-А Замок стекла кабины МТЗ, Беларусь Под заказ 437.62 р.
2522-6708111-01
Стекло правое
В узле: 1
2522-6708111-01 стекло боковое правое 1522/1523 Под заказ 5 713.56 р.
31
2522-6708150
Фиксатор левый
В узле: 1
2522-6708150 Фиксатор МТЗ Под заказ 1 249.38 р.
31
2522-6708150-01
Фиксатор правый
В узле: 1
2522-6708150-01 Фиксатор МТЗ Под заказ 1 249.38 р.
16
80-8104060
Фильтр
В узле: 2
80-8104060 Фильтр воздушный кабины МТЗ Под заказ 1 413.32 р.
18
2522-6708215
Дуга
В узле: 1
2522-6708215 Дуга МТЗ Под заказ 10 934.41 р.
2522-6708111-А2-01
Стекло правое
В узле: 1
2522-6708111-AL-01
Стекло
В узле: 1
2522-6708111-А-01
Стекло
В узле: 1
1
2522-6703012
Стекло левое
В узле: 1
1
2522-6703012-A
Стекло левое
В узле: 1
1
2522-6703012-AL
Стекло
В узле: 1
1
2522-6703012-A2
Стекло левое
В узле: 1
2
2522-6703012-AL-01
Стекло
В узле: 1
2
2522-6703012-01
Стекло правое
В узле: 1
2
2522-6703011-А2.1
Стекло
В узле: 1
2
2522-6703011-A
Стекло
В узле: 1
2
2522-6703011
Стекло
В узле: 1
2
2522-6703012-А2-01
Стекло правое
В узле: 1
2
2522-6703012-А-01
Стекло
В узле: 1
2
2522-6703011-AL
Стекло
В узле: 1
3
2522-6708111
Стекло левое
В узле: 1
3
2522-6708111-A
Стекло левое
В узле: 1
3
2522-6708111-AL
Стекло
В узле: 1
3
2522-6708111-А2
Стекло левое
В узле: 1
4
М6-6Н.6.019
Гайка
В узле: 10
5
Шайба
В узле: 22
6
С6.01.019
Шайба
В узле: 28
7
923-6707087
Прокладка
В узле: 2
8
822-6707082
Петля
В узле: 2
9
В.М6-6gx25.58.019
Винт
В узле: 10
10
822-6707075
Кронштейн
В узле: 4
11
586563
Пружина газовая
В узле: 2
13
822-6707081
Петля
В узле: 2
15
1522-8104060
Решетка
В узле: 2
17
822-6708279
Крышка
В узле: 1
20
586564
Пружина газовая 6288 VJ
В узле: 2
23
В.М4-6gx10.58.019
Винт
В узле: 2
24
М8-6gx25.88.35.019
Болт
В узле: 4
25
Шайба
В узле: 4
36
С8.01.019
Шайба
В узле: 6
27
2522-6708211
Стекло
В узле: 1
27
2522-6708211-A
Стекло
В узле: 1
27
2522-6708211-AL
Стекло
В узле: 1
27
2522-6708211-A2
Стекло
В узле: 1
28
В-716
Профиль
В узле: 2
34
16.ОТ
Шайба
В узле: 16
35
2522-6702400
Установка панели
В узле: 1
37
М8-6Н.6.019
Гайка
В узле: 2
39
80-6708904-Б
Прокладка
В узле: 2
41
2522-6708914-01
Петля
В узле: 1
43
2522-6708914
Петля
В узле: 1
44
5.65Г.07.6
Шайба
В узле: 8
45
923-6707086
Прокладка
В узле: 12
46
М6-6gх30.88.35.019
Болт ГОСТ 7796-70
В узле: 18
47
822-8700011
Палец
В узле: 6
48
2154
Пневмоподъемник
В узле: 2
Содержащиеся в справочниках-каталогах запасные части и детали не предлагаются к продаже, а носят исключительно информационный характер

Ваша заявка была отправлена. В ближайшее время наши специалисты с Вами свяжутся по указанному Вами телефону.

Представьтесь
Поле обязательно для заполнения
Ваш телефон
Введите правильный номер телефона
E-mail
Введите правильный e-mail
Тема
Тема
применяемость финансирование доставка цена, наличие другое сервис и гарантия
Время для звонка
08:00
08:00 09:00 10:00 11:00 12:00 13:00 14:00 15:00 16:00 17:00 18:00 19:00
19:00
08:00 09:00 10:00 11:00 12:00 13:00 14:00 15:00 16:00 17:00 18:00 19:00

Мы постараемся перезвонить в указанное время

Если вы не хотите ждать, то звоните нашим вежливым консультантам:

8 800 100-2-700
Подтвердите, что вы не робот
Подтвердите, что вы не робот
Спасибо!

Ваше сообщение успешно отправлено!

ЗакрытьПовторить попытку